Contact us
Call us at
Available 6:00 AM – 5:00 PM (PST) Business Days
Download
Download Manuals, Datasheets, Software and more:
Feedback
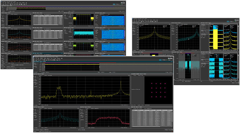
SignalVu (VSA Software) for MSO/DPO70000DX and DPO70000SX Oscilloscopes
Easily characterize your wideband RF signals by combining the analysis engine of the Tektronix Real-Time Signal Analyzer (RTSA) with your Tektronix oscilloscope. You get the functionality of a vector signal analyzer, pulse analyzer, WiGig or WLAN tester, spectrum analyzer and the powerful trigger capabilities of a digital oscilloscope - all in one instrument.
Learn More with a Demo!
Request a demo to see the power of vector signal analysis on your Tektronix oscilloscope.
Software Download
Click here to download SignalVu Vector Signal Analysis software.
Modules tailored to your RF application
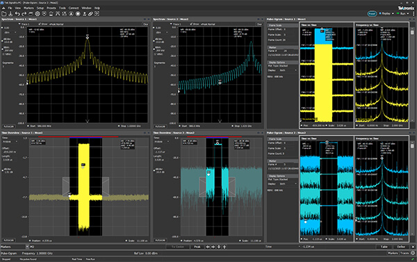
The base version of SignalVu, enables spectrum analysis, RF power and statistics, spectrograms, amplitude, frequency or phase vs. time, and analog modulation measurements. Optional licenses unlock digital modulation analysis, pulse analysis, gap-free RF record and playback, and many other displays and measurements tailored to your RF application:


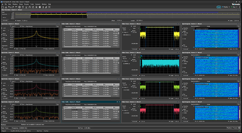
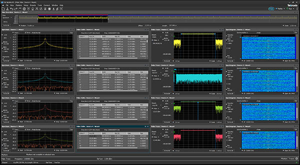
Boost productivity with multi-channel RF analysis on your oscilloscope
For multi-channel, fully synchronized time domain and RF analysis, consider SignalVu spectrum analyzer software together with an MSO/DPO70000DX or a DPO70000SX oscilloscope.
- Analyze up to four phase-coherent 70 GHz channels simultaneously (utilizing UltraSync™)
- Analyze complex scenarios with cross-domain analysis, pinpoint triggering, and independent channel controls
- Utilize markers, channel-based colors, and display arrangement features for comparing Frequency, Amplitude, or Phase over Time
- Unlock insight into multi-channel radar or EW systems with optional Advanced Pulse Analysis package including 31 automated pulse parameter measurements and statistics
- Maximize pulses analyzed and gain insight of trends by leveraging FastFrame™ segmented memory on multiple channels
- Directly measure baseband signals by configuring each RF input as IQ or differential IQ
Features |
Benefits |
| Integrated Vector Signal Analysis | Minimize overall cost of test equipment and perform advanced RF measurements on your oscilloscope with the fully integrated SignalVu software. Supports MSO/DPO70000DX and DPO70000SX oscilloscopes. |
| Up to 70 GHz Bandwidth Measurements | Make acquisitions using the full bandwidth of your oscilloscope; ideal for wideband satellite, radar, military communications applications as well as 5G commercial wireless applications. |
| Integrated RF signal analysis takes advantage of Pinpoint triggering and 4 channels | Trigger on time- and amplitude-varying events of interest with virtually any trigger types on up to two events either transition, state, time, or logic qualified triggers. |
| Multi-Domain Displays | Find root cause of problems in the frequency, phase, amplitude, and modulation domains with the time-correlated, multi-domain displays for faster troubleshooting. |
| Automated Measurements | Quickly characterize components and systems with the built-in ACLR, Multicarrier ACLR, Power vs. Time, CCDF, OBW/EBW, and Spur Search measurements. |
| Large number of Power, Spectral, Modulation, Pulse, Spur search Automated Measurements | Quickly characterize components and systems with built-in measurements and signal statistics. |
| Wireless Standards Support | Accelerate the testing of IEEE 802.11ad/ay or 802.11ac and other narrower bandwidth standard transmitter with push-button presets and packet decoding. |
| Automated Pulse Measurement (optional) | Simplify test with 27 automated pulse measurements performed on over 10,000 different pulses with the push of a button. |




