Download

Download Manuals, Datasheets, Software and more:

DOWNLOAD TYPE
MODEL or KEYWORD

Feedback

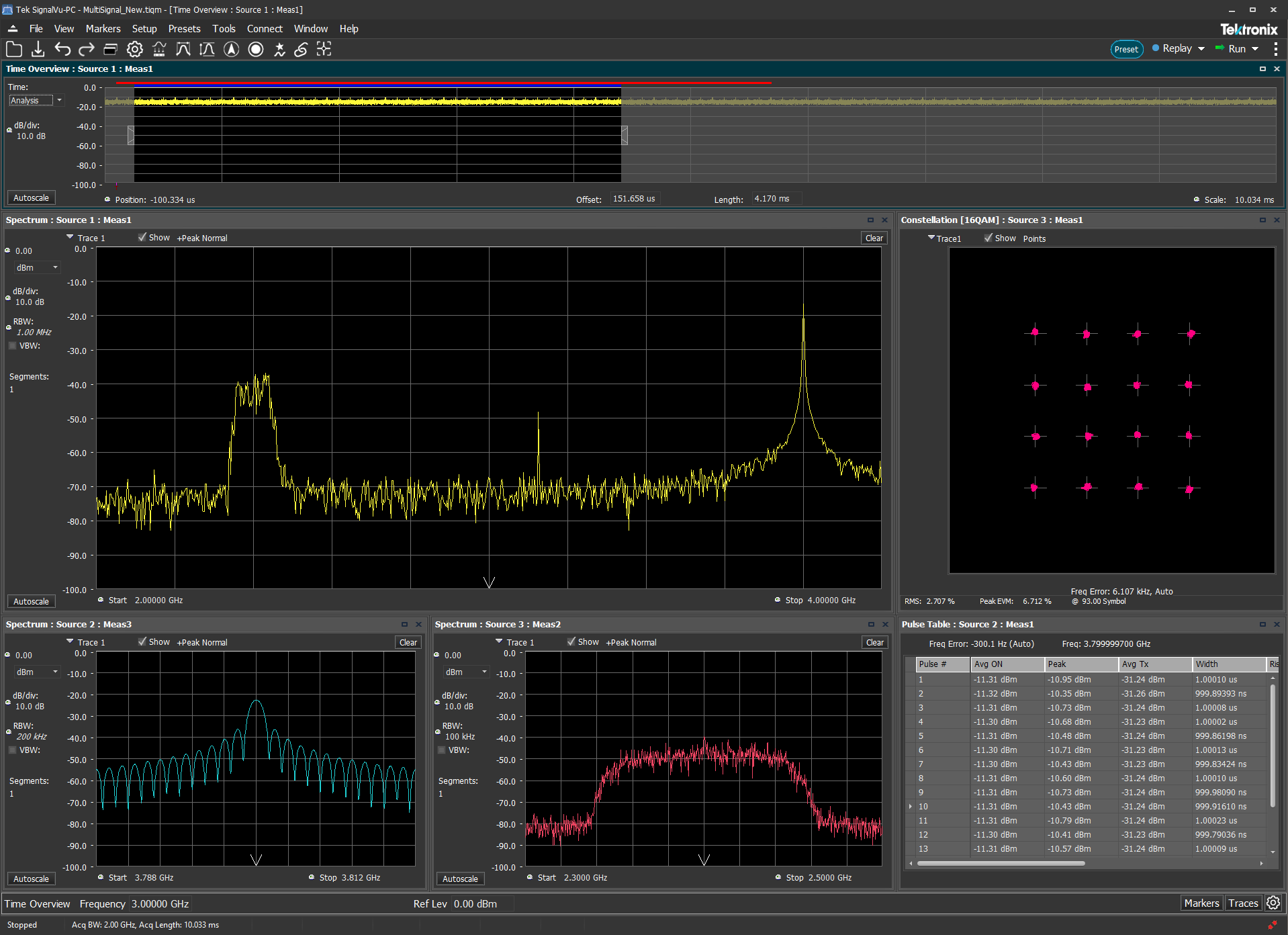
RF and Vector Signal Analysis for Oscilloscopes

SignalVu® Datasheet