Download

Download Manuals, Datasheets, Software and more:

DOWNLOAD TYPE
MODEL or KEYWORD

Tag: #SPECTRUM VIEW

Posts

Spectrograms show spectral activity over time with amplitude indicated by color
What is a Spectrogram? A Guide to Types, Analysis, and Applications Tuesday, November 15, 2022
What is a Spectrogram? A spectrogram is a graphic that shows the viewer how the frequency domain content (spectral content) of a signal or signals is changing or progressing over time. It consists of a collection of spectrum traces that are collected/processed over time and stacked next to each other, much like slices of bread in a loaf. While each individual spectrum trace would be on the “butter …
Tektronix 5 Series B MSO
Customer-Driven Improvements to the 5 Series MSO Wednesday, January 12, 2022
Customer-Driven Improvements in the New 5 Series B MSO Deliver an Even Better User Experience and More Capabilities  Oscilloscopes are among the most important tools in the electronics industry.  So, it’s not surprising that the choice of a specific oscilloscope by an engineer can be a deeply personal matter.  And engineers, by their nature, are full of ideas for improvement. Since the release of …
A graphic user interface displaying FFT optimized vs Spectrum View.
How to Use Spectrum View for Easier, More Accurate Insights Tuesday, December 14, 2021
Efficient system analysis and debug relies on insights but correlating signals across multiple domains has traditionally been a painful, technically challenging process. It can be difficult to figure out why a system isn’t working as expected without precise, synchronized insight into both time and frequency domains. Spectrum View was created to solve that challenge. The 4, 5 and 6 Series MSO …
A graphic user interface displaying RF frequency trigger on wireless burst signal
Spectrum View: A New Way of Analyzing Signals Across Multiple Domains Tuesday, December 14, 2021
Analyzing Signals Across Multiple Domains There is increasing interference in the RF domain as we work to make IoT devices more powerful, consume less energy and have longer battery lives but still broadcast high-quality RF communication. From smart watches to heart rate sensors, the devices being designed today are getting smaller and smaller, which makes signal integrity more important than ever …
Military Drone Detection
Setting up an Automated Drone Detection System Using Spectrum Analyzers Tuesday, May 25, 2021
In a few short years, the number of drones, or unmanned aerial vehicles (UAVs), purchased has soared. In the US alone, the FAA projects the small model hobbyist UAV fleet will more than double from an estimated 1.1 million vehicles in 2017 to 2.4 million units by 2022. Worldwide, Teal Group’s World Civil UAS Market Profile and Forecast projected in 2018 that non-military UAS production (Commercial …
Tektronix 5 Series MSO next to a Keysight MXR
4 Things I Noticed about Keysight’s New MXR Oscilloscope Tuesday, April 6, 2021
The Tektronix 5 Series MSO really changed the professional oscilloscope playing field with its large high-definition display, 6 and 8 channel models paired with an intuitive user interface that was designed from the ground up to incorporate touch interactions (pinch zoom, double tap, etc). The 6 Series incorporated these same features with higher bandwidth and improved performance. Keysight …
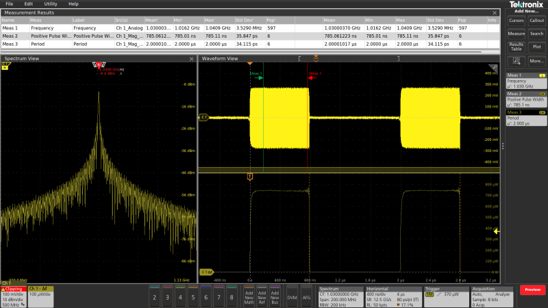
This image shows the time (top) and frequency (bottom) domain view of the same signal simultaneously. Unlike an FFT, the views are completely independent.
3 Important Insights from Simultaneous Frequency and Time Analysis Thursday, January 28, 2021
Debugging embedded systems often involves looking for clues that are hard to discover just by looking at one domain at a time. The ability to look at time and frequency domains simultaneously can offer important insights. Mixed-domain analysis is especially useful for answering questions such as: What’s going on with my power rail voltage when I’m transmitting wireless data? Where are …
A Better Method for Analyzing Ripple on Power Rails Friday, July 17, 2020
How Spectrum View Outperforms Traditional Oscilloscope FFTs with Tighter Frequency Resolution Over Wider Ranges Debugging embedded systems often involves looking for clues that are hard to discover just by looking at one domain at a time. The ability to view time and frequency domains simultaneously can enable you to measure a power rail’s voltage during wireless transmissions or observe nearfield …
1_1
New RF vs. Time waveforms in Spectrum View – What are they and what can they do for you? Part 3 Wednesday, August 28, 2019
Several months back, we added a new kind of frequency analysis capability called “Spectrum View” to our 5 and 6 Series Mixed Signal Oscilloscopes.  I posted a two-part article called “A New Approach to Frequency Analysis on Oscilloscopes”  Part 1 and Part 2, explaining the differences between this approach and run-of-the-mill oscilloscope FFTs.  Since then a couple of things have happened.  Tek …
figure1
A New Approach to Frequency Analysis on Oscilloscopes, Part 2 Wednesday, July 31, 2019
As discussed in Part 1 of this blog series, the ability to perform spectral analysis on an oscilloscope is limited due to the inherent tradeoffs of FFTs. Overcoming these tradeoffs was a key design goal for Spectrum View. This new capability was made available on 5 and 6 Series MSOs with a recently released firmware upgrade. To understand how Spectrum View works, it is important to note that …