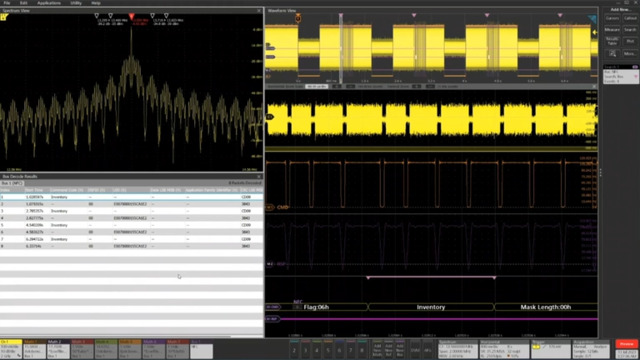
How to use Tektronix 4, 5 and 6 Series MSO oscilloscopes to decode and analyze Near Field Communications (NFC) wirelessly, using a near field probe and the RFNFC package on the instrument.
Duration 6:02
Contact us
Call us at
Available 6:00 AM – 5:00 PM (PST) Business Days
Download
Download Manuals, Datasheets, Software and more:
Feedback
How to use Tektronix 4, 5 and 6 Series MSO oscilloscopes to decode and analyze Near Field Communications (NFC) wirelessly, using a near field probe and the RFNFC package on the instrument.