Question :
How Do I Use a Link Partner in Testing with TDSET3?
Answer :
Several of the tests in Ethernet Compliance Testing can be performed using a Link Partner (especially in 10BASE-T). This is useful when the test requires the Device Under Test (DUT) to generate a pseudo-random sequence, but you do not have direct control over the DUT to generate this signal. By connecting with a link partner, the DUT will generate this sequence automatically in the form of the idle signal that is present while actual data is not being transmitted. The issue that often occurs is that when you plug the DUT into the test fixture and then plug in the link partner, nothing happens. This guide will show you how to properly configure the Link Partner so you can perform these tests.
Why Your Link Partner Usually Fails


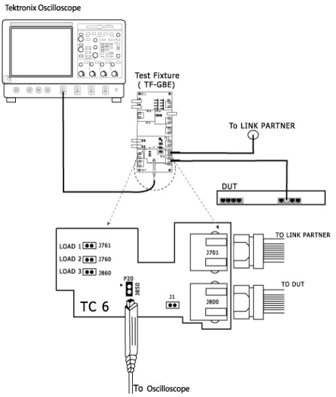
The diagrams above show the required connections for using a Link Partner for the 10BASE-T tests using the TF-GBE test fixture and TDSET3 software. The typical Link Partner used by most TDSET3 users is the Ethernet Port on a Windows PC. This port is often the one on the back of the oscilloscope that TDSET3 is running. The reason nothing happens when you connect the oscilloscope’s Ethernet port (or just about any Windows PC’s Ethernet port) to the test fixture is because by default the Link Partner is configured to attempt to auto-negotiate the connection speed with the device at the other end. The TF-GBE test fixture does not connect all the signals on the Ethernet cable between the two ports and the DUT is usually not configured to perform Link Speed Auto-Negotiation anyway so the Auto-Negotiation procedure will fail on the Link Partner side, thus no link is established and therefore no idle traffic is transmitted.
To establish a link between the DUT and the Link Partner, it is necessary to disable Link Speed Auto-Negotiation on the Link Partner and configure it for a pre-determined fixed speed (i.e. 10 Mbps for 10BASE-T).
How-To Configure the Link Partner
The following instructions will show you how to configure the Ethernet Port on DPO DSA MSO 5K 7K and 70K Series Tektronix Oscilloscopes for proper use as a Link Partner. These instructions will be similar for any Windows based PC being used as a Link Partner.
- Open the Run Command by pressing Windows Key + R
- Type in devmgmt.msc into the Open: field and then press Enter or click OK to open the Device Manager

Launch the Device Manager from the Run command.
- Expand the Navigation Tree under Network adapters and select the Ethernet Adapter that corresponds to the Ethernet Port being used as the Link Partner. Right-click on the adapter and click on Properties.

Open the Network Adapter’s properties
- In the Network Adapter’s Properties go to the tab that contains the properties for Link Speed.

Link Speed settings tab
- Select a fixed speed and duplex setting that matches the speed and duplex of the DUT then click OK to accept the changes.

Select the Speed and Duplex that matches the DUT
- Plug the DUT and the Link Partner into the test fixture. A link should now be established and the idle traffic will appear on the link.
This FAQ Applies to:
Product Series: DPO7000 DPO70000SX ATI Performance Oscilloscope MSO/DPO70000DX Mixed Signal/Digital Phosphor Oscilloscopes MSO/DPO5000B Mixed Signal Oscilloscope (Discontinued)
Product:
FAQ ID 468146
View all FAQs »


