Introduction
Debug and verification of complex systems present many technical challenges, including capturing and visualizing multiple infrequent or intermittent events, such as serial data packets, laser pulses, and glitches. To accurately measure and characterize these signals, they must be acquired at high sample rate over an extended time period.
The oscilloscope's default acquisition mode forces a compromise between timing resolution and capture time due to the finite acquisition memory depth. Using higher sample rates fills the instrument's memory more rapidly and decreases the time window of data acquisition. Conversely, capturing data over long periods of time has typically come at the expense of horizontal timing resolution (sample rate).

USING RECORD LENGTH TO YOUR ADVANTAGE
Consider the single 3.25 ns pulse shown in Figure 1. It was acquired with the 5 Series MSO in a 1250-point waveform at a sample rate of 3.125 GS/s and 12-bit vertical resolution. At this sample rate and resolution, much of the waveform detail can be seen.
If, however, you want to view several consecutive pulses, the time window of acquisition must be increased and compromises must be made. Either the sample rate must be decreased or the record length must be increased. Of course, lowering the sample rate inherently sacrifices horizontal timing resolution.
Alternatively, you can extend the record length, up to the hardware limit of the oscilloscope. But record length is a limited resource, and even using the maximum record length, you may still not be able to capture that last and perhaps most critical event.

In the case of this signal, the pulses are over 6.5 ms apart. To acquire the signal at the same sample rate as in Figure 1, the time window was extended by 50,000X to capture more consecutive pulses by increasing the time/division and the record length. (Peak Detect acquisition was also used to make the narrow pulses more visible.)
As you can see in Figure 2, this consumes the entire standard record length of the product. Yet only three 3.25 ns pulses were captured in the 20 ms acquisition. In this case, only 0.00005% of the acquisition is of interest!
Long acquisitions come with some significant disadvantages:
- Increased data processing is required, which reduces the maximum trigger rate and limits the waveform capture rate
- Increased data storage requirements
- Reduced I/O transfer rates
- Additional optional record length can be expensive

SEGMENTED MEMORY ARCHITECTURE
FastFrame™ Segmented Memory allows you to partition the acquisition memory into a series of frames. The record length of each frame is the same as before FastFrame mode was enabled, and the maximum number of frames is calculated as the instrument's maximum record length divided by the record length of a frame.
Each frame is then filled with a triggered acquisition at the specified sample rate, capturing only the portions of the waveforms of interest. The frames can then be viewed individually in the order they were captured, or overlaid to show their similarities and differences, allowing you to easily scan through the waveforms so you can focus on the signal of interest.
Figure 3 illustrates this approach, capturing 100,000 frames. Using FastFrame Segmented Memory in the 5 Series MSO, the pulses are captured at a sample rate of 3.125 GS/s with the same small record length as shown in Figure 1.
FastFrame acquisition mode is capable of a burst trigger rate of >5,000,000 frames per second (acquisitions/sec) - a significantly faster trigger rate than that of any other oscilloscope.

The segmented memory frames have been overlaid in Figure 4 so all of the pulses appear stacked on top of one another on the screen. This allows quick visual comparison of all acquired frames.
The Selected Frame has been set to 100,000 and the waveform is displayed in blue on top of the overlaid frames. The time difference (Delta) between the Reference Frame and the Selected Frame is shown in the results badge at the right side of the display.
Advantages of the FastFrame segmented memory approach include:
- The high FastFrame waveform capture rate increases the probability of capturing infrequent events
- The horizontal waveform detail has been preserved by using high sample rates
- The pulses were captured with minimum dead-time between them, ensuring efficient use of the record length
- The segments can be quickly and visually compared to determine if an anomaly appears in the overlaid display

SUMMARY FRAMES
FastFrame segmented memory supports the standard Sample acquisition mode, as well as Peak Detect and High Res. FastFrame can provide an extra "Summary" frame at the end of the record. For Sample and High Res acquisition modes, an Average Summary frame can be added to show the average of the waveforms in all of the frames. For Peak Detect acquisition mode, an Envelope Summary can be added to show the maximum and minimum values of the waveforms in all of the frames.

FASTFRAME TIME STAMPS
The waveforms in each of the frames tell only part of the story. There is also important information embedded in the absolute and relative timing of each of the frames. The timing of each of the trigger points is characterized with a time stamp.
Trigger time interpolation provides very high timing resolution for each trigger timestamp, down to a small fraction of the sample interval. Timestamps are displayed with picosecond resolution. Although this resolution may not be applicable for absolute time-stamping of individual events, it can be very powerful when measuring time intervals between events.

Applications
CHARACTERIZING INTERMITTENT EVENTS - PULSE WAVEFORM CHARACTERISTICS
FastFrame Segmented Memory can provide a different type of functionality for digital designers. For example, if your microprocessor system is being infrequently interrupted, it can be difficult to gather timing information with an oscilloscope. If you don't know when or how frequently the event will occur, you can't set up the instrument in normal acquisition mode and be assured of capturing the information you need.
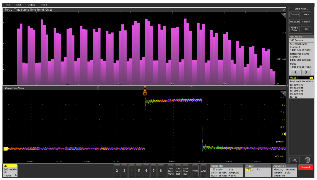
FastFrame Segmented Memory is ideally suited for testing intermittent waveforms such as microprocessor interrupts. In the example in Figure 7, the narrow digital pulses are spaced seconds apart. Using normal acquisition methods, the timing resolution of such pulse measurements would be very low, even when the oscilloscope's full record length is used.
FastFrame segmented memory captures the specified number of pulses to complete an analysis, while eliminating the "dead time" intervals between them. This saves memory, yet enables you to capture each of the pulses at high horizontal resolution. The measurement results badge at the right side of Figure 7 shows that the pulse widths are measured, with a mean value of 200.5 ns and a standard deviation of about 49 ps. And the time trend column chart at the top of the display shows that some of the pulses are over 1 second apart.

MEASURING INFREQUENT EVENTS
FastFrame summary frames provide stable waveforms that can be used for making measurements on infrequent, noisy signals. As shown in Figure 8, 1000 noisy pulses are captured, overlaid and averaged. The resulting waveform can then be measured providing very high timing resolution pulse width measurement of the noisy signal.

DECODING BURSTY SERIAL SIGNALS
FastFrame segmented memory allows more efficient use of the oscilloscope’s record length. In the example shown in Figure 9, the I2 C serial buses are inactive about half of the time. Using FastFrame effectively doubles the available record length. In this test setup, one bus is acquired using analog channels and the other is acquired using digital channels. The decoded bus waveforms from both buses can be easily compared.
In addition to displaying the decoded bus waveforms for the selected frame on the display, the time-stamped data can be presented in tabular format in a Results Table. For further offline analysis and documentation, the decoded bus information for the entire acquisition can be exported to a .CSV file.

COMPARING INFREQUENT EVENTS WITH "GOLDEN" REFERENCES
The final example in Figure 10 shows a manual comparison between a stored FastFrame "golden" waveform reference and a FastFrame capture. The reference signal was captured from a known-good device under test and is loaded into a reference waveform. Using the reference waveform controls, a specific frame of interest is selected.
The same acquisition setup is then used to capture a similar signal on another device under test. The frame selection control can then be used to time-align the acquired frame with the reference frame for comparison.
Find more valuable resources at TEK.COM
Copyright © Tektronix. All rights reserved. Tektronix products are covered by U.S. and foreign patents, issued and pending. Information in this publication supersedes that in all previously published material. Specification and price change privileges reserved. TEKTRONIX and TEK are registered trademarks of Tektronix, Inc. All other trade names referenced are the service marks, trademarks or registered trademarks of their respective companies.
05/19 55W-61299-2

