Contact us
Call us at
Available 6:00 AM – 5:00 PM (PST) Business Days
Download
Download Manuals, Datasheets, Software and more:
Feedback
TekScope™ Analysis Datasheet
Analyze Anywhere Anytime

TekScope brings the power of the oscilloscope analysis environment to the PC. Users have the flexibility to perform analysis tasks including serial decode, power analysis, as well as timing, eye, and jitter analysis outside the lab. You can continue your session from your oscilloscope at any place and share the results. Reduces efforts to see screenshots when you need to dive deeper or while sharing. Reload the session on your 2/4/5/6 oscilloscope, if you want to redo the measurement.
Import and share waveform data, setups, and sessions (where supported) for: TBS 1000C Series, TBS 2000 Series, TDS 2000C Series, 2 Series MSO, 3 Series MDO, 4 Series MSO, 4 Series B MSO, 5 Series MSO, 5 Series B MSO, 5 Series Low-Profile MSO, MSO/DPO 5000 Series, 6 Series MSO, 6 Series B MSO, 6 Series Low-Profile Digitizer, DPO 7000 Series, DPO/MSO/DPS 70000 SX/DX/C, and MSO/MDO 3000.
Key features
- Collaborate
- TekScope runs on your PC: Enables better time and resource utilization; view, measure, and analyze data captured in your lab, independent of the oscilloscope hardware.
- Compatible with most common save/recall waveform files: Common analysis tools independent of the hardware acquisition, including:
- .tss (2/4/5/6 Series session files – setups and waveforms)
- .wfm, .isf (Tektronix)
- .bin (Keysight)
- .trc (Lecroy)
- .tr0 (Spice)
- .csv (general purpose)
- Analyze
- Cursors: Waveform(s), V Bars, H Bars, and V&H Bars
- Measurements: 34 standard
- Plots: Time Trend, Histogram, Spectrum, XY, XYZ, and Eye Diagrams
- Math: Basic waveform arithmetic, FFT, and advanced equation editor
- Search: Quickly find events in your data based on specified criteria
- Clocked/unclocked Parallel Bus Decode
- Multi-Scope Analysis: Remotely connect to multiple oscilloscopes to view and analyze real-time data from many channels simultaneously. Connect up to four oscilloscopes and 32 channels.
- Low Speed Protocol Decode: Protocol Decode and Search Analysis of all common Embedded, Automotive, Aerospace, Consumer and Audio protocols.
- Advanced Jitter Measurements and Eye Analysis
- Power Electronic Analysis:
- Advanced Power Analysis
- Magnetics Analysis
- Inverter Motor Drive Analysis
- Power Integrity Analysis:
- Digital Power Management
- SPMI Serial Decode and Search
- SpectrumView along with Spectrogram Analysis: Perform time and frequency domains simultaneously. Requires RF vs. Time option on oscilloscope.
- Easy Access to Remote Oscilloscope: Use TekScope to remotely pull data from your oscilloscope and perform offline measurements and analysis.
- Document
- Waveform and plot annotations: Share detailed analysis results; measurements, anomalies, and points of interest for future reference, collaboration with suppliers, or communicating with the team.
- Reports: Easily document measurement results and configuration details with detailed test report.
- Custom display configuration: Group plots in multiple configurations with stacked or overlaid waveform view.
Applications and uses
- Offline analysis: Analyze your waveform files from any location at any time to improve your working efficiency without any internet or intranet connection.
- Real-Time analysis: Remotely connect to the newest and most modern Tektronix oscilloscopes to acquire data directly from oscilloscope in real-time. Save time and eliminate unnecessary trips to the lab with data available at your desk, at home, or while traveling.
- Multi-Scope analysis: View and analyze data from multiple oscilloscopes on the same screen. Rearrange channel information, stack group, zoom, add cursors or measurements in a seamless interface. Increase your ability to look at a greater number of channels, all in a single view to accelerate your analysis efficiency.
- Data sharing: Share waveforms, measurements, and configuration details among distributed team members or suppliers to root cause the source of failures. Dive into the actual data rather than using static screenshots and eyeballing images.
- Enhance your measurements and analysis options: Not every oscilloscope has the latest and most modern software options. TekScope enables you to leverage our award-winning 2/4/5/6 Series user interface and software options and apply them to any Tektronix oscilloscope and to most of competitors' oscilloscopes as well.
- Datalogging: Using any supported measurement, create a long-running data log using a remote connection to a scope. For example, you can log RMS, Max, and Min Voltage on 8 channels every 10 seconds for a week.
- Continuous Acquisition: Allows capturing waveforms in a continuous manner or for a defined number of runs.
TekScope overview
Today's systems become more complex and teams are more distributed across geographies, functional areas of expertise, even partners and suppliers. As many engineers move to off-scope environments, TekScope allows the engineer to process, analyze, and share data efficiently, without having to be physically next to an oscilloscope or in the testing environment. The ease of operating with the TekScope software alongside other tools that you use every day allows faster correlation and insight. These needs range from easy ways to share data, the ability to run measurements outside the lab, and methods to correlating lab measurements with simulation results.
Collaborate - TekScope runs on your PC, enabling analysis of data captured in your lab. Sessions can easily be saved on your Tektronix oscilloscope and recalled at any given time. In addition to Tektronix waveforms, other file formats are supported including .wfm, .isf, .tss, .bin, .trc, .csv, and .tr0, to enable correlation.
Analyze - Measurements performed on TekScope use a common measurement library with 2/4/5/6 Series Tektronix oscilloscope to correlate the results. TekScope supports a range of measurements including power, jitter, and eye measurements. Plots can be customized and are interactive with zoom and cursor controls allowing custom views to share.
Document - Results and views can be saved as a session file and archived for later use or sent to a colleague or supplier for a debug session. Alternatively, results can be archived and saved in the .pdf or the .mht format using the report generator. The report can be customized to include the information of interest including: configuration details, measurement results, and plots. Plot and measurement data can also be saved to a .csv format file for archiving or data analysis in external applications.
Collaboration and setup sharing
Sharing data acquired on the oscilloscope for use with TekScope is as simple as saving 2/4/5/6 Series session and recalling in the application. Waveforms captured on any Tektronix oscilloscope can also be loaded using TekScope application.
Workflow improvements
Sessions from the 2/4/5/6 Series Oscilloscope enables improvements to your workflow. Saving a session from your oscilloscope is easily recalled in TekScope for further analysis and annotations. Use TekDrive to transfer instantly without USB sticks, screenshots, or email. With a 2/4/5/6 Series Oscilloscope, you can also make changes to settings and restore your session on your oscilloscope to resume where you left off without needing to reconfigure the oscilloscope from the beginning. Double-click or drag and drop any supported file from your PC into TekScope for quick recall.
Analysis
Start to add annotations, measurements, decode, and plots after capturing your data. Free up your oscilloscope for colleagues, work from the comfort of your desk or even from home. By adding analysis when you want to, your data story unfolds for more flexibility in creating presentations and sharing results than relying only on static screenshots. Post-analysis lets you go back to past captures to double check results without needing to set up the oscilloscope again. Rather than starting from scratch when you do need to re-measure, simply reload your session file on the 2/4/5/6 Series MSO with any changes you need in settings and rapidly get back to work.
Measurements
Most oscilloscopes measure only on the first cycles of the waveform. TekScope measurement system allows measurements on all occurrences in the record. This improvement increases your measurement insights from all other waveforms and from other oscilloscopes. To gather measurement statistics, generates statistics from a single waveform rather than requiring multiple waveforms. Our measurement algorithms are also clearly documented in our Help system, which ensures the confidence in your results.
Reports for data archive
After completion of analysis, a report is generated to share or archive. Options, including the ability to include plots or configuration details, allow the user to specify the information that goes in the report. Reports can be archived as an .mht or .pdf file. 
Waveform correlation between lab or simulation results
A common issue that arises when taking lab measurements is correlation between instrumentation and simulation. The source of differences can be related to a difference in measurement algorithms. TekScope allows the user to import multiple waveform formats from different sources, including .wfm, .isf, .tss, .csv, .bin, .trc, and .tr0, enabling the use of common analysis tools, eliminating the differences due to differing analysis tools. For example, the user can simultaneously compare the eye opening of a waveform captured in the lab vs. a simulated waveform or waveform captured on a different oscilloscope.
Multi-Scope remote analysis
Developing test applications that require many oscilloscope channels, sometimes from two or more oscilloscopes, can impose significant feasibility challenges as well as greater development efforts and longer time to market. You can now add more channels to your testing environment while setting the multi-scope system to behave as one unit and save a lot of time analyzing many channels from different oscilloscopes and trying to synchronize all of them together.
View and analyze data from multiple oscilloscopes on the same screen. Rearrange channel information, stack group, zoom, add cursors or measurements in a seamless interface. This capability supports up to four oscilloscopes and 32 channels.
The Multi-Scope analysis solution enables you to remotely control the acquisition settings on all oscilloscopes simultaneously without the need to set up each oscilloscope individually. It provides a way to catch very fast glitches in high resolution across many channels at the same time. Once the data is acquired and captured on TekScope, you can then run measurements and analyze across all channels from different oscilloscopes at once.


Data transfer modes
- Simple data transfer without triggering remote oscilloscopes – Get what you see on the oscilloscope.
[Use Refresh Waveforms button].
- Acquire new waveform data upon triggering remote oscilloscopes. Trigger/Horizontal/Vertical settings are controlled by TekScope.
[Use Utility > I/O > TekScope Remote Control button set to ON and use Acquire button to acquire the data]
- Acquire new waveform data upon triggering remote oscilloscopes. Trigger/Horizontal/Vertical settings are not controlled by TekScope, but instead TekScope uses the locally-configured settings on each oscilloscope.
[Use Utility > I/O > TekScope Remote Control button set to OFF and use Acquire button to acquire the data]
Tektronix High Speed Interface (TekHSI)
TekHSI is a modern gRPC based alternative to VISA/SCPI based curve commands for transferring data from oscilloscopes to your PC. When a remote oscilloscope is added in TekScope PC, a capability discovery takes place, allowing TekScope PC to automatically switch to the fastest available data transfer mechanism, whether TekHSI or Curve. There are no user preferences or options to turn this on/off in TekScope PC. As of June 2024, supported oscilloscopes for HSI are 4 Series B MSO, 5/6 Series MSO (both Bs and LPs). Please ensure you are running TekScope PC version 2.10 along with oscilloscope firmware version 2.10 to use TekHSI. TekHSI also works with USB 3.0 (for the oscilloscope) to 2.5 Gbps (for your pc) adapters. Learn more about TekHSI.
Fast screen capture
From the version 2.12, the screen capture enahcencent allows you to transfer your instruments screen capture to your pc without transferring the waveform data, resulting in the quickest way to get your remotely connected oscilloscopes screenshot.

Synchronizing channels across instruments
For the Multi-Scope analysis solution to be most accurate, it is important to set up your instruments so that all channels can be tightly synchronized and less skewed. Skew is the time difference between instrument channels from the perfect ideal alignment. Deskewing removes different forms of errors such as jitter, delta-time accuracy, and cable delay. There are multiple ways to skew channel data.

As time correlation among channels from different oscilloscopes is dependent on the instruments' setup, cases can range from 350 ps of skew between all channels using an easy setup to below 50 ps using a setup that involves more steps. Following are the examples of two edges:
350 ps Skew example
Easy setup
- Use matched phase cables into the Aux input.
- Set Aux input for trigger.


<50 ps Skew example
Best performance setup
- Use matched sync cables.
- Use CH<x> for trigger (not aux input).
- Deskew each CH to trigger input.
- Attach ref clock sync cable between instruments if capturing >2 µs of time.
- Measure to validate the amount of skew coming through all the channels.


You can watch videos for more understanding on Multi-Scope analysis.
- For Multi-Scope analysis 24-channel example refer https://www.tek.com/video/tekscope-multi-scope-analysis
- To know more about how to set up Multi-Scope analysis on a TekScope, refer https://www.tek.com/video/how-to-set-up-multi-scope-analysis-on-tekscope-pc-software%20
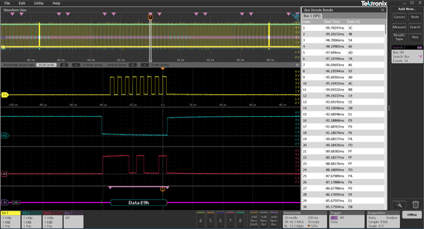
Serial protocol decode and analysis
Enhance your productivity through serial protocol decode tools to rapidly decode and search on results in your waveforms. Recognizing errors or correlating control results to other behaviors rapidly speeds up your ability to identify and resolve issues in your system.

Easy access to your remote oscilloscope
TekScope allows you to remotely connect to your Tektronix oscilloscope and retrieve data in real-time. Once the data is automatically transferred into the TekScope PC software, you can continue to run the analysis offline. See a list of supported scopes in the specification table under “Remote Oscilloscope Access”.
For some oscilloscopes, you can create a real-time control panel similar to e*scope for both Linux and Windows-based scopes. With this, you gain full scope control without leaving the TekScope environment. Lastly, remote-control-capable scopes allow you to set basic scope settings like horizontal and vertical params and propagate those settings to all connected scopes.

TekDrive collaborative workspace
Using TekDrive, you can upload, store, organize, search, download, and share any file type from any connected device. TekDrive is natively integrated into the TekScope PC Software for seamless sharing and recalling of files - no USB stick required. TekDrive is purpose built for integration, automation, and security. Visit www.tek.com/software/tekdrive to learn more.

Measurement datalogging using Act On Event feature
With the data-logging tool accessible through Utility > Act On Event, you can set up a long-running test that saves measurement results periodically over time. Set the Timer Interval and the Count to configure the task and click Acquire to start logging. For example, you could set up a test to sample all configured measurement values 1000 times for every 30 seconds. This would create a task that runs for 8 hours and 20 minutes, generating a csv with 1000 measurement values and timestamps. This capability is great for HALT/HASS testing, battery depletion, temperature characterization, debugging drift, and anything that needs trend analysis over time. In addition to measurements, you can save waveforms and even screenshots at every interval. 
Customizable display
Waveform analysis is no longer constrained to a single oscilloscope display. TekScope allows you to control the analysis environment.
Two options are available for waveform viewing, either overlay mode or stacked mode. You can simply toggle between the two modes based on the required analysis. For example, when looking at edge crossings between two data signals, overlay mode may be preferred. As the number of waveforms grows, stacked mode is typically preferred.
Other scenarios require the evaluation of waveforms and plot data, including eye diagrams, spectrums, bathtub plots, or histograms. Plots can be viewed in the same window as the waveform or in cases where additional screen real estate is needed a group of plots can be created and displayed on a second monitor. Within the group of plots, the user has the flexibility to customize the layout by simply dragging and dropping the plots within the display. For example, as shown below when viewing the jitter spectrum or FFT of a waveform, a stacked view is preferred.
You can also have a side-by-side view. 

When a single display is not sufficient to view the necessary plots, they can quickly be grouped and moved to a second monitor. Once grouped, the user has the flexibility to customize the layout and the ability to view the plots in either tabbed or grid mode. Tab mode provides a maximized view of an individual plot while allowing you to click on the other tabs to toggle between the plots. Grid mode provides a single view of all the plots in the group.
Waveform zoom and cursors
Interactive plots with zoom and cursors – Plots provide a deep level understanding of system behavior. It is often desired to zoom in on plot data, some common reasons to zoom on plots include placing cursors to take measurements at precise locations. Zooming enables precise viewing of the portion of the plot of interest. While zoomed in the overview window, it always provides context of the zoomed area in relation to the entire plot.
Cursor support for plots and waveforms can provide additional measurement details. For example, the amplitude and period of a waveform can be determined using cursors, or measurement results variation can be determined by evaluating the trend plot. The multi-source cursor functionality conveniently allow seeing cursors across all waveforms at the same time.

Key capabilities
TekScope is available with three license tiers to meet your needs. This table summarizes the core capabilities TekScope offers.
| Starter License |
|---|
| View and annotate unlimited waveforms and plots |
| Zoom on waveforms and plots |
| View in stacked or overlay modes |
| Cursors: Waveform(s), V Bars, H Bars, and V&H Bars |
| 34 Amplitude and timing measurements with statistics |
| Math: Basic waveform arithmetic, FFT, and Equation editor |
| Plots: Time Trend, Histogram, Spectrum, and XY/XYZ |
| Search: Quickly find events in your data based on specified criteria |
| Import from and Export to a wide range of file formats |
| Decode clocked and Unclocked parallel bus |
| FastFrame segmented memory |
| Generate reports |
| Edit your session file for recall on your oscilloscope - resume where you left off |
| Multiple-language support |
| Serial decode, search and event table analysis on I2C, SPI, and RS-232/422/485/UART buses |
| Remote Access to a single oscilloscope |
| Programmable Interface for Automation |
| Spectrum View along with Spectrogram Basic |
| Data Logging |
| Continuous Acquisition and License Expiration Notification |
| Pro License |
|---|
| Pro Serial Decode License |
| CAN, CAN FD, LIN, FlexRay, USB2.0, eUSB2.0, Ethernet, eSPI, I3C, NRZ, SPMI, MDIO, SVID, SDLC, 8b/10b, Audio, MIPI C-PHY, MIPI D-PHY, Spacewire, Manchester, 1-Wire, SMBus, EtherCAT, and NFC |
| Pro Power License |
|
| Pro Automotive License |
|
| Pro Aerospace License |
|
| Ultimate License |
|---|
|
| Basic License |
|---|
| Waveforms viewing and analysis, Cursors, Zoom, Recalling reference waveforms or session files (without measurements), Remote connection to single scope, Programmable Interface for automation. |
Specifications
General
| Specification type | Subtypes | Description | |
|---|---|---|---|
| TekScope PC analysis software - Version | - | v2.12 | |
| Time measurements | 22 | Period, Frequency, Unit Interval, Data Rate, Positive Pulse Width, Negative Pulse Width, Skew, Delay, Rise Time, Fall Time, Phase, Rising Slew Rate, Falling Slew Rate, Burst Width, Positive Duty Cycle, Negative Duty Cycle, Time Outside Level, Setup Time, Hold Time, Duration N-Periods, High Time, and Low Time | |
| Amplitude measurements | 12 | Amplitude, Maximum, Minimum, Peak-to-Peak, Positive Overshoot, Negative Overshoot, Mean, RMS, AC RMS, Top, Base, and Area | |
| Plots | 5 | Histogram, Spectrum1, Eye Diagram1, Bathtub1, Time Trend, and XY/XYZ | |
| Standard math functions | 9 | +, -, *, /, Integral, Derivative, Arbfilt, FFT Magnitude and Phase | |
| Advanced math functions | 33 | ^, <, <=, >, >=, ==, !=, Inv, (, ), Time Point Gating ( GATE {y1,y2} expression ), log, ln, Exp, Sqrt, Floor, Ceil, Fabs, Sin, Cos, Tan, Asin, Acos, Atan, Sinh, Cosh, Tanh, Intg, Diff, Min, Max, Avg, and - (negate) | |
| Multi-Scope analysis | - | General specifications |
|
| - | Signal types |
| |
| - | Remote oscilloscope connection interfaces |
| |
| - | Oscilloscope models | Please check 'Remote Oscilloscope Access' for details. | |
| - | Data transfer modes |
| |
| Power electronics measurements and analysis | 4 | Input analysis | Power Quality, Harmonics, Inrush Current, and Input Capacitance |
| 6 | Amplitude analysis | Cycle Amplitude, Cycle Top, Cycle Base, Cycle Peak-to-Peak, Cycle Maximum, and Cycle Minimum | |
| 5 | Timing analysis | Period, Frequency, Positive Duty Cycle, Negative Duty Cycle, Positive Pulse Width, and Negative Pulse Width | |
| 5 | Switching analysis | Switching Loss, dv/dt, di/dt, SOA, and RDS(on) | |
| 4 | Magnetic analysis | Inductance, Magnetic Property, Magnetic Loss, and Current vs. Integral of Voltage Plot | |
| 5 | Output analysis | Line Ripple, Switching Ripple, Efficiency, Turn On Time, and Turn Off Time | |
| 5 | Inverter motor drive analysis | Power Quality, Harmonics, Ripple, Efficiency, DQ0 | |
| Power integrity measurements and analysis | 1 | Ripple analysis | Ripple |
| 4 | Transient analysis | Overshoot, Undershoot, Turn on Overshoot, and DC Rail Voltage | |
| 2 | Power sequence analysis | Turn On Time and Turn Off Time | |
| 8 | Jitter analysis | TIE, PJ, RJ, DJ, Eye Height, Eye Width, Eye High, and Eye Low | |
| 1 | Protocol decode and search analysis | SPMI Protocol | |
| Jitter measurements and analysis | 18 | Jitter measurements | Jitter Summary, TIE, Phase Noise, TJ@BER, RJ-δδ, DJ-δδ, PJ, RJ, DJ, DDJ, DCD, SRJ, J2, J9, NPJ, F/2, F/4, and F/8 |
| 7 | Eye measurements | Eye Height, Eye Width, Eye High, Eye Height@BER, Eye Width@BER, Eye Low, and Q-Factor | |
| 7 | Amplitude measurements | Bit High, Bit Low, Bit Amplitude, DC Common Mode, AC Common Mode (Pk-Pk), Differential Crossover, and T/nT Ratio | |
| 2 | Time measurements | SSC Freq Deviation, SSC Modulation Rate | |
| Protocol decode | 29 | Protocol decode and search analysis | CAN, CAN FD, LIN, FlexRay, USB2.0, eUSB2.0, Ethernet, eSPI, I3C, NRZ, SPMI, MDIO, SVID, SDLC, 8b/10b, Audio, MIPI C-PHY, MIPI D-PHY, Spacewire, Manchester, 1-Wire, CXPI, SENT, 10BASE-T1S, 100BASE-T1, PSI5, Mil-Std-1553, ARINC429, SMBus, and EtherCAT |
| Remote Oscilloscope Access | - | Signal types |
|
| - | Remote oscilloscope connection interfaces |
| |
| - | Oscilloscope models | TBS 1000C Series, TBS 2000 Series, TDS 2000C Series, 2 Series MSO, 3 Series MDO, 4 Series MSO, 4 Series B MSO, 5 Series MSO, 5 Series B MSO, 5 Series Low-Profile MSO, MSO/DPO 5000 Series, 6 Series MSO, 6 Series B MSO, 6 Series Low-Profile Digitizer, DPO 7000 Series, DPO/MSO/DPS 70000 SX/DX/C, and MSO/MDO 3000 | |
| - | Oscilloscope Operating System |
| |
| - | Data transfer modes |
| |
| Supported file types | 7 | Import |
|
| 10 | Export |
| |
| Programmable interface | - | All licenses on TekScope include programmable interface for automated testing. The programmable interface will run on your PC and communicate with the TekScope software. Find out more in the Programmer manual: .https://www.tek.com/manual/oscilloscope/4-5-6-series-mso-5-series-mso-mixed-signal-oscilloscope | |
| Waveform controls | Zoom | Horizontal and/or Vertical | |
| Cursors | Waveform(s) or Screen | ||
| Plot controls | Zoom | Horizontal and/or Vertical | |
| Cursors | Waveform(s) or Screen | ||
| Number of views | Waveform views | One with the ability to configure in stacked, overlay, or mixed modes. Up to 32 waveforms are viewed simultaneously | |
| Available outputs | Report | Comprehensive report with measurement results, plots, and system configuration details are available in .pdf or .mht formats | |
| Composite setup | Single file for saving waveforms, measurements, and configuration details | ||
| Plot and measurement data | Export plot and measurement data in .csv formats | ||
Minimum system configuration
64-bit Widows 10
Processor 2 GHz
10 GB RAM
5 GB available Storage
1080p Capable Monitor for 100% Scaling
Internet Browser for software and license download
Faster processor, additional ram, disk space will improve user experience.
It is highly recommended to ensure that your Windows PC has the latest updates from Microsoft as well as the Visual Studio standard redistributable library.
Ordering information
Order TekScope PC software from http://www.tek.com/software/tekscope-pc-analysis-software. Download TekScope PC and manage licenses at http://www.tekcloud.com. Free 30 day trials of all paid tiers are also available.
- Subscription licenses
Licensing tier 1 Year maintenance 3 Year maintenance Starter TEKSCOPE-STARTER-1Y TEKSCOPE-STARTER-3Y Pro Auto TEKSCOPE-PRO-AUTO-1Y TEKSCOPE-PRO-AUTO-3Y Pro Mil TEKSCOPE-PRO-MIL-1Y TEKSCOPE-PRO-MIL-3Y Pro Power TEKSCOPE-PRO-PWR-1Y TEKSCOPE-PRO-PWR-3Y Pro Serial TEKSCOPE-PRO-SR-1Y TEKSCOPE-PRO-SR-3Y Ultimate TEKSCOPE-ULTIMATE-1Y TEKSCOPE-ULTIMATE-3Y
- Perpetual licenses
Licensing tier 1 Year maintenance 3 Year maintenance Starter TEKSCOPE-STARTER TEKSCOPE-STARTER-M3 Pro Auto TEKSCOPE-PRO-AUTO TEKSCOPE-PRO-AUTO-M3 Pro Mil TEKSCOPE-PRO-MIL TEKSCOPE-PRO-MIL-M3 Pro Power TEKSCOPE-PRO-PWR TEKSCOPE-PRO-PWR-M3 Pro Serial TEKSCOPE-PRO-SR TEKSCOPE-PRO-SR-M3 Ultimate TEKSCOPE-ULTIMATE TEKSCOPE-ULTIMATE-M3
- Maintenance extension licenses for perpetual
Licensing tier 1 Year extension 3 Year extension Starter TEKSCOPE-STR-MNT-1 TEKSCOPE-STR-MNT-3 Pro Auto TEKSCOPE-PRO-MNT-1 TEKSCOPE-PRO-MNT-3 Pro Mil TEKSCOPE-PRO-MNT-1 TEKSCOPE-PRO-MNT-3 Pro Power TEKSCOPE-PRO-MNT-1 TEKSCOPE-PRO-MNT-3 Pro Serial TEKSCOPE-PRO-MNT-1 TEKSCOPE-PRO-MNT-3 Ultimate TEKSCOPE-ULT-MNT-1 TEKSCOPE-ULT-MNT-3
Legacy licenses
| Product | License option |
|---|---|
| Multi-Scope Analysis | TEKSCOPE-MULTI-1YR TEKSCOPE-MULTI-PER |
| Low Speed Protocol Decode | TEKSCOPE-DECODE-1YR TEKSCOPE-DECODE-PER |
| Jitter Measurements and Analysis | TEKSCOPE-DJA-1YR TEKSCOPE-DJA-PER |
| Power Electronics Analysis | TEKSCOPE-PWR-ELC-1YR TEKSCOPE-PWR-ELC-PER |
| Power Integrity Analysis | TEKSCOPE-PWR-INT-1YR TEKSCOPE-PWR-INT-PER |
| SpectrumView Analysis | TEKSCOPE-SV-1YR TEKSCOPE-SV-PER |
| Remote Analysis for Bench Oscilloscopes | TEKSCOPE-ENTRY-1YR TEKSCOPE-ENTRY-PER |
License comparison
| License type | Basic | Starter | Professional | Ultimate |
|---|---|---|---|---|
| Base Application | X | X | X | X |
| Waveforms viewing and analysis,Cursors, Zoom, Recalling reference waveforms or session files (without measurements) | X | X | X | X |
| Standard measurements, basic and advanced math options, basic and advanced plot options, wide range of file formats, FastFrame segmented memory, multi-language support | X | X | X | |
| Serial decode, search and event table analysis on I2C, SPI, RS-232/422/485/UART buses | X | X | X | |
| Remote Access to a single oscilloscope Supports most Tektronix oscilloscope models | X | X | X | X |
| Programmable Interface for Automation | X | X | X | X |
| Multi-Scope Analysis Solution Remote access and simultaneous synchronization of multiple oscilloscopes on one screen | X | |||
| SpectrumView RF vs. Time Analysis Extended SpectrumView capture bandwidth | X | |||
| User Defined Filters | X | |||
| Pro Licenses | None | None | One | All |
| Product Support | Limited | Yes | Yes | Yes |
| License type | Description |
|---|---|
| Serial Decode | CAN, CAN FD, LIN, FlexRay, USB2.0, eUSB2.0, Ethernet, eSPI, I3C, NRZ, SPMI, MDIO, SVID, SDLC, 8b/10b, Audio, MIPI C-PHY, MIPI D, PHY, Spacewire, Manchester, 1-Wire, CXPI, SMBus, and EtherCAT |
| Power | Advanced Power Analysis, Digital Power, Management Analysis, Magnetic Analysis, Frequency Response Analysis, Inverter & Motor Drive Analyis, Inverter & Motor Drive Analysis, IMDA DQ0, and Serial Decode: SPMI, SVD |
| Aerospace and Defense | Jitter Analysis, Mask/Limit Testing, and Serial Decode: Mil-Std-1553, ARINC429, Spacewire, NRZ, Manchester |
| Automotive | Jitter Analysis, Mask/Limit Testing, Inverter & Motor Drive Analysis, IMDA DQ0, IMDA Mechanical Measurements, and Serial Decode: CAN, CAN FD, LIN, FlexRay, 10BASE-T1S, 100Base-T1, SENT, PSI5, I3C |
Installing prerequisite software
Pay special attention to install the prerequisite software needed in order to run properly any licenses that you have subscribed in TekScope. The prerequisite software can be downloaded from: http://scope.tekcloud.com/#/help/prerequisites (you need to sign in first to your account to access this page).
Required for Remote Oscilloscope Access
Install TekVISA on the PC where TekScope software is installed.
Ensure you have the right firewall settings configuration. You can configure the firewall settings during the TekScope installation using the installer menu, or check our User Manual for more information on how to update your firewall settings.- Install Myrtille on the oscilloscope, if it runs a Windows operating system.
Required for Programmable Interface for Automation
Install TekVISA on the PC where TekScope software is installed.
Recommendation for overcoming connection issue while trying to remotely access your oscilloscope
The company's IT firewall settings sometimes impact the ability to remotely connect to your oscilloscopes. To overcome this challenge, make sure Domain, Private, and Public checkboxes are all checked for the TekScope application in your Windows firewall list. Look at the below image for an example.

License activation
All license options are available for a 30-day trial. At the end of the 30-day trial, you may continue using the licenses after purchasing them.
Customers can purchase advanced licenses in one of two ways:
- Placing a Purchase Order (PO) with any Tektronix Sales channels. Upon placing a PO, you will receive a software activation key. The activation key can be entered during the sign-up process or after your account is set up.

- Using a credit card directly on the TekCloud website [Available only to U.S. Customers].

License types and software updates
The following definitions apply to the TekScope license types:
Maintenance for Software: Maintenance for software offers continuous delivery of software updates when purchased with perpetual licenses or subscription licenses. Perpetual licenses include maintenance for the first year but will require a new maintenance license to continue to receive updates after the first year. If you have a subscription license, maintenance is active during the period of the subscription license only.
Perpetual License: The software can be used indefinitely; license does not expire but updates/support only available for the first 12-months. Support can be extended by purchasing a maintenance license. If a perpetual license goes out of support, all features will be frozen to the last released version before the support expired. The software will continue to work, but you cannot get any updates newer than the support expiration date.
Subscription License: The software can be used through the term of the license only. Software updates and support through the term of the license are included. When the subscription license expires, all features will no longer work, but a new subscription license may be purchased.
Each TekScope license is meant for one user to install/activate/use TekScope on their two computers (for example: main computer + lab computer) only. The TekScope licenses are not transferrable to/among other users. That’s why to redeem the TekScope coupon code, the end user has to create a http://TekCloud.com account and redeem the coupon code within their profile to get a credit of TekScope license.



