
Contact us
Call
Call us at
Available 6:00 AM – 5:00 PM (PST) Business Days
Download
Download Manuals, Datasheets, Software and more:
Feedback
PSPL5544 100 V Bias Tee Datasheet
PSPL5544 Datasheet
The products on this datasheet are no longer being sold by Tektronix.
View Tektronix Encore for reconditioned test equipment.
Check support and warranty status for these products.

PSPL5544 Datasheet
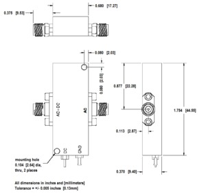
The PSPL5544 is an ultra-broadband, high-current, coaxial bias insertion tee and DC blocking capacitor. The high DC blocking voltage (100 V) and high bias current capability (2 A) make it an excellent choice for broadband measurements of power devices and circuits.
Key performance specifications
- 50 kHz to 40 GHz
- 8 ps rise time
- 100 V, 2 A
Typical performance
The following figures show the linear sweep from 40 MHz to 50 GHz. The AC connector is the input (port 1) and the AC + DC connector is the output (port 2).
The following figure shows the S21 insertion loss.
Specifications
| Parameter | Symbol | Units | Minimum 1 | Typical | Maximum 1 | Comments |
|---|---|---|---|---|---|---|
| Impedance | Z | ohms | 50 | |||
| Upper 3 dB frequency | fc,h | GHz | 40 | |||
| Lower 3 dB frequency | fc,l | kHz | 50 | |||
| Rise time | tr | ps | 8 | 10 – 90% | ||
| Insertion loss | S21 | dB | See plot | 3 | Measured with open on DC port. | |
| Input (AC), Return Loss | S11 | dB | 10 | See plot | ||
| Output (AC+DC), Return Loss | S22 | dB | 8 | See plot | ||
| DC voltage | V | V | 100 | |||
| DC current | I | A | 2 | |||
| Capacitance | C | μF | 0.2 | |||
| Inductance | L | μH | 100 | |||
| Resistance | R | ohms | 0.5 | |||
| CW RF power | P | W | 10 | |||
| Isolation | S13 | dB | > 35 | f > 100 MHz | ||
| DC path bandwidth | fc,DC | kHz | 42 | |||
| RF connectors | 2.92 mm jacks (f) | |||||
| Warranty | One year | |||||
1*Maximum and minimum values are based on manufacturing test limits at 25 °C.
Ordering information
Models
- PSPL5544
- BIAS TEE, 100 V, 2 A
Options
- PSPL5544 292JJ
- 2.92 mm connectors (f) on the AC and AC + DC ports, solder connection on the DC port



