
Contact us
Call
Call us at
Available 6:00 AM – 5:00 PM (PST) Business Days
Download
Download Manuals, Datasheets, Software and more:
Feedback
PSPL5543 100 V Bias Tee Datasheet
PSPL5543 Datasheet
The products on this datasheet are no longer being sold by Tektronix.
View Tektronix Encore for reconditioned test equipment.
Check support and warranty status for these products.

PSPL5543 Datasheet
The PSPL5543 is an ultra-broadband, 500 mA current, coaxial bias insertion tee and 100 V DC blocking capacitor that passes high bandwidth pulses with very low waveform distortion. Its rise time is only 7 ps and its frequency response is flat over many decades from 20 kHz to beyond 50 GHz.
Key performance specifications
- 25 kHz to >50 GHz
- 7 ps rise time
- 100 V, 500 mA
Typical performance
The following figures show the linear sweep from 40 MHz to 65 GHz. The AC connector is input (port 1) and the AC + DC connector is output (port 2).
The following figure shows the S21 insertion loss.
Specifications
| Parameter | Symbol | Units | Minimum 1 | Typical | Maximum 1 | Comments |
|---|---|---|---|---|---|---|
| Impedance | Z | ohms | 50 | |||
| Upper 3 dB frequency | fc,h | GHz | 50 | |||
| Lower 3 dB frequency | fc,l | kHz | 20 | |||
| Rise time | tr | ps | 7 | 10 – 90% | ||
| Insertion loss (see S21 plot) | S21 | dB | See plot | 3 | 2.4 mm f | |
| Input (AC), Return Loss | S11 | dB | 10 | See plot | 2.4 mm f | |
| Output (AC+DC), Return Loss | S22 | dB | 8 | See plot | 2.4 mm f | |
| DC voltage | V | V | 100 | |||
| DC current | I | mA | 500 | |||
| Capacitance | C | μF | 0.2 | |||
| Inductance | L | mH | 0.5 | |||
| Resistance | R | ohms | 1.5 | |||
| RF power | P | W | 5 | Average power | ||
| Isolation | S13 | dB | > 30 | f > 100 MHz | ||
| DC path bandwidth | fc,DC | kHz | 22 | |||
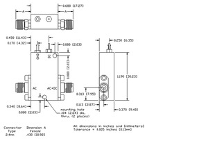
| RF Connectors | 2.4 mm jacks (f) | |||||
| DC Connector | Solder pin | |||||
| Warranty | One year | |||||
1Maximum and minimum values are based on manufacturing test limits at 25 °C.
Ordering information
Models
- PSPL5543
- BIAS TEE, 100 V, 500 mA
Options
- PSPL5543 240JJ
- 2.4 mm connectors on AC and AC + DC ports, solder pin on DC port



