Contact us
Call us at
Available 6:00 AM – 5:00 PM (PST) Business Days
Download
Download Manuals, Datasheets, Software and more:
Feedback
DisplayPort 1.4 Transmitter Compliance and Debug Solution
Datasheet
More Information
- MSO/DPO70000DX Mixed Signal/Digital Phosphor Oscilloscopes
- DPO70000SX ATI Performance Oscilloscope
- Explore more Software models
Read Online:

TekExpress DisplayPort 1.4 Transmitter Compliance Automation Software.
Tektronix provides the most comprehensive solutions to serve the needs of engineers designing DisplayPort silicon for computer systems and embedded systems, as well as those validating the physical-layer compliance of DisplayPort devices to the DisplayPort 1.4 Compliance Test Specification.
The Tektronix option DP14 application is compatible with Tektronix DPO/MSO 70000 DX/SX series oscilloscopes that are designed to meet the challenges of the next generation of display standards such as HDMI and DisplayPort.
Key offerings
- Complete automated compliance testing in less than 7 hours for data rates up to HBR2 and less than 11 hours for data rates up to HBR3
- Intelligent pattern recognition before test execution
- Fixture de-embed feature: Use the default filter file for de-embedding fixture effect or create a custom filter file using SDLA software to leverage the channel modeling and receiver equalization functionality
- Easy option to support repeatability of measurements
- Customization of reports according to tests, lanes, data rates or pass/fail results
- Timer pop-ups for zero user interaction during entire DisplayPort testing
- Enhanced TekExpress report with new measurement plots
- Single application for standard and Type-C DisplayPort testing
- 100% DisplayPort high speed transmitter test coverage
- Complete DUT automation for hands free testing
- Simplistic user experience with single UI for DUT configuration
- Optimized algorithms execute tests with improved accuracy
- Optional signal validation helps to detect anomalies quickly in the signal
- Reports available in mht, pdf and csv formats for advanced data analysis
- Compliance (TekExpress) and characterization (DPOJET) test support
- Support for DUT automation over SCPI based Programmatic Interface (PI)
- Automation support and scripting interface with iron python which supports socket based programming remote interface
- Supports manual and automated test modes for Type-C and Standard DP testing
- Stand-alone utility support for DPR-100 aux controller
- Capture and save DUT waveforms for offline analysis
DisplayPort 1.4 compliance/debug solution
Solution overview
One of the biggest challenges for DisplayPort compliance testing has been long test times and need for complete DUT automation. Most of the time, engineers need to spend a great deal of their time in front of the test setup monitoring the execution in progress. What makes this even more challenging is the integration of DisplayPort and USB Type-C and this challenge is reaching a wider audience.
Tektronix DisplayPort transmitter test solution solves this challenge by introducing a test application with an integrated Type-C and HBR3 data rate test support. The Tektronix DP12 software, combined with a DisplayPort Aux controller automates DisplayPort physical layer source compliance testing for standard and Type-C compliance needs. The TekExpress solution integrates with Unigraf DPR-100 reference sink and eliminates the need for user interaction during testing. you can simply select the desired tests to run and work on other tasks while the tests are being executed.
The new option DP14 supports transmitter compliance testing up to 8.1 Gbps (HBR3) as per the DisplayPort 1.4 spec. The application also includes support for debugging the setup using a new utility developed for controlling the DPR-100 controller.
Simple setup and test execution
Test setup and test execution is very simple with the DP1.4 automated software. The schematic corresponding to each test provides the details of the connections. The TekExpress software provides a Graphical User Interface (GUI) and an intuitive workflow through setup and testing. When setting up a test, nothing can be simpler than hooking up the test system by looking at a schematic. View the schematic of the selected test with a click of a button.
DisplayPort Type-C setup overview
With the introduction of Type-C, DisplayPort broadens its reach and functionality by operating as one of the alternate modes of the USB over Type-C technology. This gives a great advantage to end user adopting Type-C who can integrate display, data and power needs into single physical connector. The test challenge here is the user now needs to test the same physical layer for three different standards for complete Type-C compliance.
For DisplayPort, there are some functional differences between a standard and Type-C DUT and the procedure involved to make these DUTs transmit a signal. The HPD (Hot Plug Detect) signal needed for a source DUT to start transmitting a signal is changed from nterrupt based to message based in Type-C.
This is achieved by putting the Type-C DUT from default mode (USB) to DisplayPort mode by exchanging series of PD messages over CC (Configuration Channel) lines as per the power delivery spec. This requires a presence of a USB PD controller in the setup. Once this controller negotiates the messages and DUT goes into DisplayPort mode, it can be controlled using a second controller (test mode controller) to change the DUT configuration (control data rates, patterns, amplitude, pre-emphasis etc.).
The Tektronix Type-C setup below automates both the controllers using TekExpress framework and integrates the Type-C fixture to achieve complete 4-lane DUT automation using P7313SMA differential probes.

For testing ML0 and ML3 signals(i.e Pins A10-A11, B10-B11), connect recommended DC blocks at the output of the test fixture.


DisplayPort transmitter test overview
DisplayPort sources (transmitters) have state control requirements in order to transmit the data patterns and signal properties required to demonstrate conformance as per the compliance test specification. The following properties and patterns need to be transmitted for full measurement coverage:
- Bit rates: RBR, HBR, HBR2, and HBR3
- Data patterns: D10.2, PRBS7, COMPEYE, PLTPAT, and TPS4
- FFE (pre-emphasis): 0 dB, 3.5 dB, 6 dB, and 9.5 dB
- Output levels: 400 mV, 600 mV, 800 mV, and 1200 mV
- SSC (spread spectrum): On/Off
TekExpress compliance solution overview
TekExpress provides automated test support for standard and Type-C DisplayPort compliance testing. The new and advanced TekExpress DisplayPort application leverages the features of the latest TekExpress 4.0 framework and optimizes the overall testing by nearly three times.



Transmitter eye diagram measurement
The screen shots below show how an adaptive mask is used in a DP eye diagram measurement.


According to the spec, the eye diagram needs to follow the mask limits:
- Eye diagram width is established at any passing location along 0mV.
- Eye diagram height (symmetric around 0mV) is established at any passing location between 0.375 to 0.625UI.
The measured eye must be equal to or larger than the appropriate eye mask.
The TekExpress application leverages the DPOJET analysis engine to generate a dynamic mask appropriate to the acquired signal and auto adjusts the position of the mask based on eye opening along the horizontal axis. The vertical coordinates are placed at the eye mask location corresponding to the max amplitude level.
Compliance to characterization support
Tektronix offers DisplayPort DPOJET essentials package which comes bundled with TekExpress that can be used to characterize a DUT and analyzing its finer behavior. It serves as an analysis tool when the DUT fails any portion of the compliance tests or you want to take a deeper look into the failures. All the compliance tests which are supported in the application and requires a single acquisition are supported in this package. You can build automation scripts around these measurements to setup a custom test environment.

You can enable this package by running ‘DisplayPort 1.4 essentials’ from the Oscilloscope → Analyze menu. The DisplayPort DPOJET measurement library helps in characterizing the silicon. Other advantage of this library is the ability to debug the measurement in case of failures. If any of the tests fail during compliance testing, you can tap into the DPOJET DisplayPort measurement library for a deeper dive into the failures such as eye diagram mask hit failures and look at relation between pre-emphasis level vs voltage swing tests to perform root cause analysis. The solution also gives users the flexibility to configure measurements with different settings, make configuration changes in existing measurements on the fly, and run tests in single-shot or free-run repetitive modes.
Introducing DPR-100 utility
This new utility helps verify setup connections and DUT behavior before running compliance tests and comes bundled with TekExpress DP 1.4 installer. The utility controls DPR-100 Aux controller to change the DUT settings like data rates, patterns and levels. The utility also helps control PD controller as part of DisplayPort Type-C setup.

SDLA features
SDLA enables the user to probe and visualize data at the required location (de-embed / embed) using virtual probing through test points. It can remove (de-embed) the effects of the cables, probes, and fixtures to get more accurate measurement results. It can embed user defined channel models to simulate the signal at the end of the link. It can also be used to open a closed eye using receiver equalization, Continuous Time Linear Equalizer (CTLE), Decision Feedback ( DFE), or Feed Forward Equalization (FFE). SDLA also has advanced analysis and modeling capabilities. One can view and measure multiple test points using DPOJET Jitter and Eye analysis comprehensive frequency and time domain plots, enable quick verification of S-parameters and test point transfer functions.
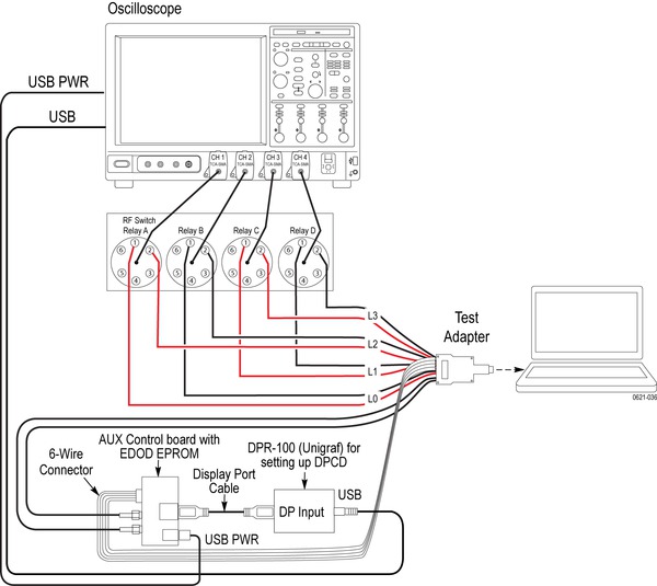
Switch matrix support
Switch matrix for DisplayPort (SWX-DP) is a software solution integrated with TekExpress DisplayPort application which simplifies the user experience to configure and setup automated multi-lane testing using RF switch.
The user can perform both differential and single ended tests as per DP 1.2/1.4 spec, without a need to make change connections. which significantly cuts down the test times.

Key features of SWX-DP include:
Auto detects the keithley switch on the GPIB/LAN interface.
De-embed using filter files – with multiple de-embed options (per relay, per input, etc.).
Operates with TekExpress and DPOJET (Debug Mode).
Save/recall switch configurations.
Graphical view with print option to support hardware wiring.
Graphical view integration with TekExpress report.
Built-in error handling to support easy and error-free configuration.
Support for custom input labels such as lane, port, etc. via XML file edits.
Programmatic interface to support scripting and easy integration into user’s automation environment.
Proposed measurements
List of supported measurements as per DP 1.4a Standard/Type-C CTS
3.1 Eye-diagram Testing
3.2 Non Pre-Emphasis Level Verification Testing
3.3 Pre-Emphasis Level Verification Testing
3.4 HBR2HBR3 Level and Equalization Verification Testing
3.5 HBR2/HBR3 peak to peak voltage
3.6 Inter Pair Skew Test
3.7 Intra-Pair Skew Test
3.8 AC Common Mode Noise
3.9 Non ISI Jitter Measurements
3.11.1 Total Jitter (TJ) and Deterministic (DJ) Measurements
3.11 Random Jitter (RJ) Measurements
3.12 Main Link Frequency Compliance
3.13 Spread Spectrum Modulation Frequency
3.14 Spread Spectrum Modulation Deviation
3.15 dF/dt Spread Spectrum Deviation HF Variation
3.18 Dual mode TMDS Clock
3.19 Dual-mode EYE Diagram Testing
9.1 AUX Manchester Channel Eye Test
9.2 AUX Manchester Channel Sensitivity Test
9.5 AUX Slew Rate
9.6 AUX Inrush Test
General characteristics
- Physical characteristics
Configuration Description Oscilloscope DPO/MSO71604SX/DX or above with Option DJA, 5XL and SDLA64
- 4 GHz and above is recommended for RBR
- 8 GHz and above is recommended for HBR
- 12.5 GHz and above is recommended for HBR2
- 16 GHz and above is recommended for HBR3
Probe
P7313SMA x 4 (for multilane testing up to HBR2)
P7716-P77C292MM x4 or P7720-P77C292MM x4 (for multilane testing up to HBR3)
P7625/P7633 x4 and P76CA-292 or P76CA-292C x4 (for multilane testing up to HBR3)
Ordering information
Software ordering information
DP1.4 software can be ordered separately as an upgrade option for a Tektronix oscilloscope or ordered along with a new oscilloscope. Please refer to http://www.tektronix.com/displayport for detailed product configuration on Source testing.
| Option | Description |
|---|---|
| DP14 | TekExpress DisplayPort - DisplayPort 1.4 Tx Compliance Solution (Requires Opt. DJA, SDLA, DP12); Node Lock |
| DPOFL-DP14 | TekExpress DisplayPort - DisplayPort 1.4 Tx Compliance Solution (Requires Opt. DJA, SDLA, DP12); Floating License |
| DPO-UP DP14 | TekExpress DisplayPort - DisplayPort 1.4 Tx Compliance Solution (Requires Opt. DJA, SDLA, DP12); Software Upgrade |
| DP12/DPOFL-DP12/DPOFT-DP12 | TekExpress DP 1.2 – DisplayPort 1.2 Tx Compliance Automation Solution |
| SWX-DP/DPOFL-SWX-DP/DPOFT-SWX-DP | Switch Matrix option for DisplayPort testing |
| SDLA64 | Serial Data Link Analysis 64-bit software |
Recommended fixture and accessories for DisplayPort testing
| Option | Description |
|---|---|
| PMCABLE1M (1x or 4x) | Precision Phase Matched Cable Pair, 1m |
| TF-DP-TPA-P | Standard DisplayPort Plug fixture |
| DP-TPA-A | DisplayPort Aux Control Adapter from Wilder Tech |
| DPR-100 | DisplayPort Reference Sink Aux Controller from Unigraf (product #065910) |
| DPR-100 FW | DisplayPort Aux Refsink Controller (product #065053) and DisplayPort Reference Sink Aux Controller from Unigraf (product #065910) |
| GRL-USB-PD-C1 | Type-C Power Delivery Controller from Granite River Labs |
| Type-C to Display Port Dongle | Dongle acts as a Alt mode controller |
| Fairview Microwave SDL3473 (4x) | Recommended DC Block for DP Type-C testing |
Prerequisite host system software requirements for DisplayPort testing
| Option | Description |
|---|---|
| Operating system | Windows 10, 64 bit |
| Software |
|
For more information about DisplayPort testing, visit our website https://www.tek.com/displayport
