Contact us
Call us at
Available 6:00 AM – 5:00 PM (PST) Business Days
Download
Download Manuals, Datasheets, Software and more:
Feedback
Control Software For Oscilloscope and Arbitrary Function Generators
TekBench™ Software Datasheet
More Information
- TekBench™ Control Software for Oscilloscopes and Arbitrary function generators
- Product Support
- Explore more Software models
Read Online:

TekBench™ is PC software that controls Tektronix oscilloscopes and arbitrary function generators. It offers intuitive instrument control, automated measurement data logging, automated frequency response measurements, and easy waveform exporting with required format to eliminate extra time and effort. It allow you to focus on their experiment rather than learning the instrument.
Key features
- Simple connection to instruments
- Intuitive interface to control and monitor instruments
- Easily capture and export results in required formats
- Automated measurement data logging
- Automated frequency response measurements
Application
- Project laboratories and senior design laboratories
Simple connection to instruments
Because of the plug and play USB interface, only a USB cable is needed to connect the instrument to the computer. Without any configuration, the instrument is detected by the software within seconds.

Once connected, double click the instrument icon and the selected instrument will be loaded into the software automatically.

Intuitive interface to control and monitor instruments
When loaded into the software, the instrument has a full screen interface. Instead of spending time studying the user manual, you can find and change parameters at a glance. The following example shows how easy it is to select different measurements on each channel of the oscilloscope in the full screen interface.

Up to two instruments can be displayed on the same screen and each instrument has an intuitive interface for easy control and monitoring.

Easily capture and export results in required formats
Oscilloscope waveform data is one of the most important test results. TekBench™ supports exporting the waveform data into *.csv format, which can be recalled by the oscilloscope directly.2 It also supports *.csv data with no header for easier analysis in other applications.

Also, the results can be exported into *.MAT format, which can be opened in MATLAB directly.
A screenshot of the oscilloscope can be saved to your computer with just a few clicks. When auto update is enabled in the software, the screenshot of the oscilloscope can be updated about every second.3 This allows you to monitor the instrument remotely. The updating screenshot can also be projected in a lab to assist the instructor.

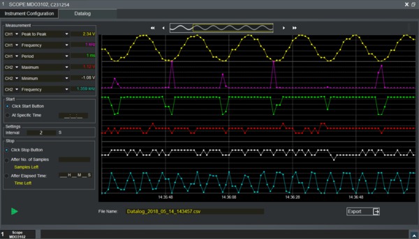
Automated measurement data logging
Instead of performing a single measurement, use measurement data logging to track the change of the measurement results for more insight into the design.
TekBench™ gives you the option to select 16 of the most common measurements. Data logging can be performed for up to six measurements at the same time. The interval between each measurement result can be set to as low as 2 seconds with a testing time up to 5 days.

The results can be displayed in trend plot mode with each measurement color coded. It can also be displayed in list or histogram mode, which can provide more insight into the results.

Each of the measurement data logging results are saved automatically in a *.csv file. This file can be exported and imported into the software so previous test results can be accessed for future analysis.
Automated frequency response measurements
Frequency response is a common measurement in a project lab. The following diagram shows the arbitrary function generator connecting to the input of the testing board while the oscilloscope is connected to its input and output to measure the change of the amplitude.

In traditional labs, students have to set the output frequency of the arbitrary function generator and record the measurement of amplitude on the oscilloscope. They then need to change the frequency and record another measurement. The following example takes the Frequency Response testing from a Start of 100 kHz to a Stop of 5 MHz with total 101 samples in Linear Sweep mode. Students would have to create around 100 tests on different frequencies, which will take them more than one hour to finish. This method of testing is time consuming and it is easy to make mistakes.
With TekBench™, Frequency Response testing can be finished with just a few steps:
- Set the AFG output amplitude
- Select the sweep type and input the number of samples
- Click the start button
The testing will start automatically and frequency response curve, plotted as frequency versus gain4, is created. 
Specifications
Supported instruments5
- Oscilloscope models
- Tektronix TBS2000 series
- Tektronix DPO/MSO2000B series (oscilloscope function only)
- Tektronix MDO3000 series (oscilloscope function only)
- Arbitrary function generator models
- Tektronix AFG31000 series
- Oscilloscope function
- Waveform data exporting format
- *.csv ( MDO3000 series only), *.csv (no header), *.mat
- Snapshot exporting format
- *.png, *.bmp, *.jpg, *.tif
- Oscilloscope measurement data logging
- Supported measurements
- Frequency, Period, Rise time, Fall Time, Positive Pulse Width, Negative Pulse Width, Peak to Peak, Amplitude, Maximum, Minimum, High, Low, Positive Overshot, Negative Overshot, Mean, RMS
- Maximum simultaneous measurements
- 6 (MDO3000 and TBS2000 series)
- 3 (DPO2000B and MSO2000B series)
- Minimal time Interval
- 2 seconds (MDO3000 and TBS2000 series)
- 5 seconds (DPO2000B and MSO2000B series)
- Result display mode
- Trend plot, List, Histogram
- Frequency response measurement
- Supported instruments
- Tektronix MDO3000 series oscilloscope, Tektronix AFG31000 series arbitrary function generator
- Frequency range
- 100 kHz to 20 MHz
- Sweep mode
- Linear, Log
- Samples
- 20 to 201
- Result display mode
- Frequency response curve, List
System requirements
- Operating system
- Windows 7, Windows 10 32-bit and Windows 7, Windows 10 64-bit
- CPU
- Dual core 2 GHz or above
- RAM
- 4 GB DDR3 or above
- Hard disk
- 1 GB free disk space (recommended)
- Screen resolution
- 1366 × 768 or above
- Instrument communication interface
- USB
Ordering information
Models
- TekBench™
TekBench™ software is available with the following features:
– Oscilloscope waveform data and screen snapshot export in required formats
– Oscilloscope measurement data logging with a testing time of up to 30 minutes
– Automated frequency response measurements
– Visit www.tek.com/tekbench to download the software.
Options
- TEKBENCHFL-BAS
TekBench™ software, floating license, supports oscilloscope measurement data logging testing time up to 5 days



