
Contact us
Call
Call us at
Available 6:00 AM – 5:00 PM (PST) Business Days
Download
Download Manuals, Datasheets, Software and more:
Feedback
PSPL5530B 12.5 GHz Bias Tee Datasheet
PSPL5530B Datasheet
The products on this datasheet are no longer being sold by Tektronix.
View Tektronix Encore for reconditioned test equipment.
Check support and warranty status for these products.

PSPL5530B Datasheet
The PSPL5530B is a broadband coaxial bias insertion tee for low current applications such as biasing avalanche photo diodes. It is rated for 200 V. It is designed to pass fast rise time pulses with minimum waveform distortion. The rise time is 35 ps, with a -3 dB bandwidth extending from 20 kHz to 12.5 GHz.
Key performance specifications
- 20 kHz to 12.50 GHz
- 35 ps rise time
- 200 V, 10 mA
Typical performance

Insertion Loss, AC to AC+DC

Return Loss, AC Port

Isolation, AC to DC
Top to bottom: 500 ps/dic, 100 ps/div, 20 ps/div; Response to Step with 15 ps rise time

2.5% rho/div and 200 ps/div; 35 ps TDR of AC port
Specifications
| Parameter | Symbol | Units | Minimum | Typical | Maximum | Comments |
|---|---|---|---|---|---|---|
| Impedance | Z | ohms | 50 | |||
| Upper 3 dB frequency | fc,h | GHz | 10 | 12.5 | ||
| Lower 3 dB frequency | fc,l | kHz | 20 | |||
| Rise time | tr | ps | 35 | 40 | 10 – 90% | |
| Insertion loss | S21 | dB | 0.2 | 0.5 | (0.01 – 1 Ghz) | |
| Return loss | S11 | dB | RL > 25 dB – 3 dB / GHz * f (GHz) RL > 15 dB – 1 dB / GHz * f (GHz) |
0.1 5 GHz | ||
| Refl. Coefficient (35 ps TDR) | Γ | % | ±8 –2.5 |
t t > 200 ps | ||
| DC voltage | V | V | 200 | |||
| DC current | I | mA | 10 | |||
| Capacitance | C | μF | 0.082 | ±20% | ||
| Resistance | R | k ohms | 1 | |||
| RF power | P | W | 2 | Average power | ||
| Isolation | S13 | dB | 45 20 |
f f > 1 GHz | ||
| DC path bandwidth | fc,DC | kHz | 30 | |||
| RF Connectors | SMA jacks (f) | |||||
| DC Connector | SMA jack (f) | |||||
| Warranty | One Year | |||||
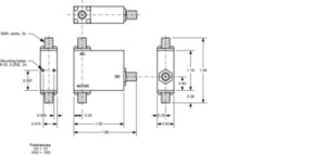
- Mechanical dimensions

Ordering information
Models
- PSPL5530B
- BIAS TEE, 12.5 GHz, 200 V

