Contact us
Call us at
Available 6:00 AM – 5:00 PM (PST) Business Days
Download
Download Manuals, Datasheets, Software and more:
Feedback
6 Series B MSO
Mixed Signal Oscilloscope Datasheet

Key performance specifications
With the lowest input noise and up to 10 GHz analog bandwidth, the 6 Series MSO provides the best signal fidelity for analyzing and debugging today's embedded systems with GHz clock and bus speeds. The remarkably innovative pinch-swipe-zoom touchscreen user interface coupled with the industry's largest high definition display and up to 8 FlexChannel® inputs that let you measure one analog or eight digital signals per channel, the 6 Series MSO is ready for today's toughest challenges and tomorrow's too.
Input channels
- 4, 6, or 8 FlexChannel® inputs
- Each FlexChannel provides:
- One analog signal that can be displayed as a waveform view, a spectral view, or both simultaneously
- Eight digital logic inputs with TLP058 logic probe
Bandwidth (all analog channels)
- 1 GHz, 2.5 GHz, 4 GHz, 6 GHz, 8 GHz, 10 GHz (upgradable)
Sample rate (all analog / digital channels)
- Real-time: 50 GS/s (2 channels), 25 GS/s (4 channels), 12.5 GS/s (> 4 channels)
- Interpolated: 2.5 TS/s
Record length (all analog / digital channels)
- 62.5 Mpoints standard
- 125, 250, 500 Mpoints, or 1 Gpoints (optional)
Waveform capture rate
- >500,000 waveforms/s
Vertical resolution
- 12-bit ADC
- Up to 16-bits in High Res mode
Standard trigger types
- Edge, Pulse Width, Runt, Timeout, Window, Logic, Setup & Hold, Rise/Fall Time, Parallel Bus, Sequence, Visual Trigger, Video (optional), RF vs. Time (optional)
- Auxiliary Trigger ≤5 VRMS, 50Ω, 400 MHz (Edge Trigger only)
Standard analysis
- Cursors: Waveform, V Bars, H Bars, V&H Bars
- Measurements: 36
- Spectrum View: Frequency-domain analysis with independent controls for frequency and time domains
- FastFrame™: Segmented memory acquisition mode with maximum trigger rate >5,000,000 waveforms per second
-
Plots: Time Trend, Histogram, Spectrum and Phase Noise
- Math: Basic waveform arithmetic, FFT, and advanced equation editor
- Search: Search on any trigger criteria
- Jitter: TIE and Phase Noise
Optional analysis
- Advanced Jitter and Eye Diagram Analysis
- User-defined filtering
- Advanced Spectrum View
- RF vs. Time traces, triggers, Spectrograms, and IQ capture
- Digital Power Management
- Mask/Limit Testing
- Inverters, Motors, and Drives
- LVDS Debug and Analysis
- PAM3 Analysis
- Advanced Power Measurements and Analysis
- Advanced Vector Signal Analysis (SignalVu-PC)
Optional protocol trigger, decode, and analysis
I2C, SPI, eSPI, I3C, RS-232/422/485/UART, SPMI, SMBus, CAN, CAN FD, CAN XL, LIN, FlexRay, SENT, PSI5, CXPI, Automotive Ethernet,MIPI C-PHY,MIPI D-PHY, USB 2.0, eUSB2.0, USB3.0, PCIe Gen1/Gen2, Ethernet, EtherCAT, Audio, MIL-STD-1553, ARINC 429, Spacewire, 8B/10B,NRZ, Manchester, SVID, 1-Wire, MDIO, and NFC
Optional serial compliance test
- Ethernet, USB 2.0, Automotive Ethernet, Multi-gigabit Automotive Ethernet, Industrial Ethernet, MIPI D-PHY 1.2, MIPI D-PHY 2.1, MIPI C-PHY 2.0
Optional memory analysis
- DDR3 debug, analysis, and compliance test
Arbitrary/Function Generator (optional and upgradable)
- 50 MHz waveform generation
- Waveform Types: Arbitrary, Sine, Square, Pulse, Ramp, Triangle, DC Level, Gaussian, Lorentz, Exponential Rise/Fall, Sin(x)/x, Random Noise, Haversine, Cardiac
Digital voltmeter (free with product registration)
- 4-digit AC RMS, DC, and DC+AC RMS voltage measurements
Trigger frequency counter (free with product registration)
- 8-digit
Display
- 15.6 inch (396 mm) TFT color
- High Definition (1,920 x 1,080) resolution
- Capacitive (multi-touch) touchscreen
Connectivity
- USB Host (7 ports), USB 3.0 Device (1 port), LAN (10/100/1000 Base-T Ethernet), DisplayPort, DVI-I, VGA
e*Scope®
- Remotely view and control the oscilloscope over a network connection through a standard web browser
Warranty
- 1 year standard
Dimensions
- 12.2 in (309 mm) H x 17.9 in (454 mm) W x 8.0 in (204 mm) D
- Weight: < 28.4 lbs. (12.88 kg)
Never let a lack of channels slow down your verification and debug process again
The 6 Series MSO offers better visibility into complex systems by offering four, six and eight-channel models with a large 15.6-inch high-definition (1,920 x 1,080) display. Many applications, such as embedded systems, three-phase power electronics, automotive electronics, power supply design, and Power Integrity require the observation of more than four analog signals to verify and characterize device performance and to debug challenging system issues.
Most engineers can recall situations in which they were debugging a particularly difficult problem and wanted greater system visibility and context, but the oscilloscope they were using was limited to two or four analog channels. Using a second oscilloscope involves significant effort to align the trigger points, difficulty in determining the timing relationships across the two displays, and documentation challenges.
You might assume that a six and eight-channel oscilloscope would cost 50% or 100% more than a four-channel oscilloscope, you'll be pleasantly surprised to find that six-channel models are only ~25% more than four channel models and eight-channel models are only ~67% (or less) more than four channel models. The additional analog channels can pay for themselves quickly by enabling you to keep current and future projects on schedule.
FlexChannel® technology enables maximum flexibility and broader system visibility
The 6 Series MSO redefines what a Mixed Signal Oscilloscope (MSO) should be. FlexChannel technology enables each channel input to be used as a single analog channel, eight digital logic inputs (with the TLP058 logic probe), or simultaneous analog and spectrum views with independent acquisition controls for each domain. Imagine the flexibility and configurability this provides.
You can change the configuration at any time by simply adding or removing TLP058 logic probes, so you always have the right number of digital channels.

Previous-generation MSOs required tradeoffs, with digital channels having lower sample rates or shorter record lengths than analog channels. The 6 Series MSO offers a new level of integration of digital channels. Digital channels share the same high sample rate (up to 50 GS/s), and long record length (up to 1Gpoints) as analog channels.



Unprecedented signal viewing capability
The stunning 15.6 inch (396 mm) display is the largest display in the industry. It is also the highest resolution display, with full HD resolution (1,920 x 1,080), enabling you to see many signals at once with ample room for critical readouts and analysis.
The viewing area is optimized to ensure that the maximum vertical space is available for waveforms. The Results Bar on the right can be hidden, enabling the waveform view to use the full width of the display.

The 6 Series MSO offers a revolutionary new Stacked display mode. Historically, scopes have overlaid all waveforms in the same graticule, forcing difficult tradeoffs:
-
To make each waveform visible, you vertically scale and position each waveform so that they don't overlap. Each waveform uses a small percentage of the available ADC range, leading to less accurate measurements.
-
For measurement accuracy, you vertically scale and position each waveform to cover the entire display. The waveforms overlap each other, making it hard to distinguish signal details on individual waveforms
The new Stacked display eliminates this tradeoff. It automatically adds and removes additional horizontal waveform 'slices' (additional graticules) as waveforms are created and removed. Each slice represents the full ADC range for the waveform. All waveforms are visually separated from each other while still using the full ADC range, enabling maximum visibility and accuracy. And it's all done automatically as waveforms are added or removed! Channels can easily be reordered in stacked display mode by dragging and dropping the channel and waveform badges in the Settings bar at the bottom of the display. Groups of channels can also be overlaid within a slice to simplify visual comparison of signals.
The massive display also provides plenty of viewing area not only for signals, but also for plots, measurement results tables, bus decode tables and more. You can easily resize and relocate the various views to suit your application.

Exceptionally easy-to-use user interface lets you focus on the task at hand
The Settings Bar - key parameters and waveform management
Waveform and scope operating parameters are displayed in a series of “badges” in the Settings Bar that runs along the bottom of the display. The Settings Bar provides Immediate access for the most common waveform management tasks. With a single tap, you can:
- Turn on channels
- Add math waveforms
- Add reference waveforms
- Add bus waveforms
- Enable the optional integrated Arbitrary/Function generator (AFG)
- Enable the optional integrated digital voltmeter (DVM)
The Results Bar - analysis and measurements
The Results Bar on the right side of the display includes immediate, one-tap access to the most common analytical tools such as cursors, measurements, searches, measurement and bus decode results tables, plots, and callouts.
DVM, measurement and search results badges are displayed in the Results Bar without sacrificing any waveform viewing area. For additional waveform viewing area, the Results Bar can be dismissed and brought back at any time.

Touch interaction finally done right
Oscilloscopes have included touch screens for years, but the touch interface has been an afterthought. The 6 Series MSO 15.6" display includes a capacitive touchscreen and provides the industry's first oscilloscope user interface truly designed for touch.
The touch interactions that you use with phones and tablets, and expect in a touch enabled device, are supported.
- Drag waveforms left/right or up/down to adjust horizontal and vertical position or to pan a zoomed view
- Pinch and expand to change scale or zoom in/out in either horizontal or vertical directions
- Flick items off the edge of the screen to delete them
- Swipe in from the right to reveal the Results Bar or down from the top to access the menus in the upper left corner of the display
Smooth, responsive front panel controls allow you to make adjustments with familiar knobs and buttons, and you can add a mouse or keyboard as a third interaction method.

Variable font size
Historically, oscilloscope user interfaces have been designed with fixed font sizes to optimize viewing of waveforms and readouts. This implementation is fine if all users have the same viewing preferences, but they don't. Users spend a significant amount of time staring at screens, and Tektronix recognizes this. The 6 Series MSO offers a user preference for variable font sizes; scaling down to 12 points or up to 20 points. As you adjust the font size, the user interface dynamically scales so you can easily choose the best size for your application.


Attention to detail in the front-panel controls
Traditionally, the front face of a scope has been roughly 50% display and 50% controls. The 6 Series MSO display fills about 85% of the face of the instrument. To achieve this, it has a streamlined front panel that retains critical controls for simple intuitive operation, but with a reduced number of menu buttons for functions directly accessed via objects on the display.
Color-coded LED light rings indicate trigger source and vertical scale/position knob assignments. Large, dedicated Run/Stop and Single Sequence buttons are placed prominently in the upper right, and other functions like Force Trigger, Trigger Slope, Trigger Mode, Default Setup, Autoset and Quick-save functions are all available using dedicated front panel buttons.
Windows or not - you choose
The 6 Series MSOoffers you the choice of whether to include a Microsoft Windows™ operating system.
The 6 Series MSO comes with a standard removable SSD that contains a closed embedded operating system that will boot as a dedicated scope with no ability to run or install other programs. An optional SSD with Windows 10 operating system is available that will boot to an open Windows 10 configuration, so you can minimize the oscilloscope application and access a Windows desktop where you can install and run additional applications on the oscilloscope or you can connect additional monitors and extend your desktop. Simply swap the drives as needed through an access panel on the bottom of the instrument.
Whether you run Windows or not, the oscilloscope operates in exactly the same way with the same look and feel and UI interaction.
Need higher channel density?
The 6 Series is also available as a low-profile digitizer - the LPD64. With four SMA input channels plus an auxiliary trigger input, in a 2U high package and 12-bit ADC's, the 6 Series Low Profile Digitizer sets a new standard for performance in applications where extreme channel density is required.

Experience the performance difference
With up to 10 GHz analog bandwidth, 50 GS/s sample rates, standard 62.5 Mpts record length and a 12-bit analog to digital converter (ADC), the 6 Series MSO has the performance you need to capture waveforms with the best possible signal fidelity and resolution for seeing small waveform details.
Digital Phosphor technology with FastAcq™ high-speed waveform capture
To debug a design problem, first you must know it exists. Digital phosphor technology with FastAcq provides you with fast insight into the real operation of your device. Its fast waveform capture rate - greater than 500,000 waveforms per second - gives you a high probability of seeing the infrequent problems common in digital systems: runt pulses, glitches, timing issues, and more. To further enhance the visibility of rarely occurring events, intensity grading indicates how often rare transients are occurring relative to normal signal characteristics.

Industry leading vertical resolution and low noise
The 6 Series MSO provides the performance to capture the signals of interest while minimizing the effects of unwanted noise when you need to capture high-amplitude signals while seeing smaller signal details. At the heart of the instrument are 12-bit analog-to-digital converters (ADCs) that provide 16 times the vertical resolution of traditional 8-bit ADCs.
A new High Res mode applies a hardware-based unique Finite Impulse Response (FIR) filter based on the selected sample rate. The FIR filter maintains the maximum bandwidth possible for that sample rate while preventing aliasing and removing noise from the oscilloscope amplifiers and ADC above the usable bandwidth for the selected sample rate.
High Res mode always provides at least 12 bits of vertical resolution and extends all the way to 16 bits of vertical resolution at ≤ 625 MS/s sample rates and 200 MHz of bandwidth. The following table shows the number of bits of vertical resolution for each sample rate setting when in High Res.
| Sample rate | Number of bits of vertical resolution |
|---|---|
| 50 GS/s | 8 |
| 25 GS/s | 8 |
| 12.5 GS/s | 12 |
| 6.25 GS/s | 13 |
| 3.125 GS/s | 14 |
| 1.25 GS/s | 15 |
| ≤625 MS/s | 16 |
New lower-noise front end amplifiers further improve your ability to resolve fine signal detail.

A new TEK061 front end amplifier sets a new standard for low-noise acquisition providing the best signal fidelity to capture small signals with high resolution.

A key attribute to being able to view fine signal details on small, high-speed signals is noise. The higher a measurement systems' intrinsic noise, the less true signal detail will be visible. This becomes more critical on an oscilloscope when the vertical settings are set to high sensitivity (like ≤ 10 mV/div) in order to view small signals that are prevalent in high-speed bus topologies. The 6 Series MSO has a new front-end ASIC, the TEK061, that enables breakthrough noise performance at the highest sensitivity settings. The 'B' version of the 6 Series MSO has a new 50 GS/s low noise interleave sample rate on up to two channels that reduces noise by almost 3 dB at higher volts/div settings, furthering the advantage over competitive scopes in low noise performance. The table below shows a comparison of typical noise performance of the 6 Series MSO and prior generations of Tektronix oscilloscopes in this bandwidth range.
| Bandwidth | V/Div | 6 Series B MSO | DPO7000C | MSO/DPO70000C |
|---|---|---|---|---|
| 1 GHz | 1 mV | 51.8 µV | 90 µV1 | N/A |
| 10 mV | 82.9 µV | 279 µV | N/A | |
| 100 mV | 829 µV | 2.7 mV | N/A | |
| 4 GHz | 1 mV | 97.4 µV | N/A | N/A |
| 10 mV | 171 µV | N/A | 500 µV | |
| 100 mV | 1.73 mV | N/A | 4.3 mV | |
| 8 GHz | 1 mV | 153 µV | N/A | N/A |
| 10 mV | 287 µV | N/A | 580 µV | |
| 100 mV | 2.94 mV | N/A | 4.5 mV |
Triggering
Discovering a device fault is only the first step. Next, you must capture the event of interest to identify root cause. The 6 Series MSO provides a complete set of advanced triggers, including:
- Runt
- Logic
- Pulse width
- Window
- Timeout
- Rise/Fall time
- Setup and Hold violation
- Serial packet
- Parallel data
- Sequence
- Video
- Visual Trigger
- RF Frequency vs. Time
- RF Magnitude vs. Time
With up to a 1 Gpoint record length, you can capture many events of interest, even thousands of serial packets in a single acquisition, providing high-resolution to zoom in on fine signal details and record reliable measurements.

Visual trigger - Finding the signal of interest quickly
Finding the right cycle of a complex bus can require hours of collecting and sorting through thousands of acquisitions for an event of interest. Defining a trigger that isolates the desired event speeds up debug and analysis efforts.
Visual Trigger extends the 6 Series MSO's triggering capabilities by scanning through all waveform acquisitions and comparing them to on-screen areas (geometric shapes). An unlimited number of areas can be created using a mouse or touchscreen, and a variety of shapes (triangles, rectangles, hexagons, or trapezoids) can be used to specify the desired trigger behavior. Once shapes are created, they can be edited interactively to create custom shapes and ideal trigger conditions.

By triggering only on the most important signal events, Visual Trigger can save hours of capturing and manually searching through acquisitions. In seconds or minutes, you can find the critical events and complete your debug and analysis efforts. Visual Trigger even works across multiple channels, extending its usefulness to complex system troubleshooting and debug tasks.

Once multiple areas are defined, a Boolean logic equation can be used to set complex trigger conditions using on-screen editing features.

TekVPI Probe Interface
The TekVPI® probe interface sets the standard for ease of use in probing. In addition to the secure, reliable connection that the interface provides, many TekVPI probes feature status indicators and controls, as well as a probe menu button right on the comp box itself. This button brings up a probe menu on the oscilloscope display with all relevant settings and controls for the probe. The TekVPI interface enables direct attachment of current probes without requiring a separate power supply. TekVPI probes can be controlled remotely through USB or LAN, enabling more versatile solutions in ATE environments. The 6 Series MSO provides up to 80 W of power to the front panel connectors, sufficient to power all connected TekVPI probes without the need for an additional probe power supply.
Convenient high-speed passive voltage probing
The TPP Series passive voltage probes offer all the benefits of general-purpose probes - high dynamic range, flexible connection options, and robust mechanical design - while providing the performance of active probes. Up to 1 GHz analog bandwidth enables you to see high frequency components in your signals, and extremely low 3.9 pF capacitive loading minimizes adverse effects on your circuits and is more forgiving of longer ground leads.
An optional, low-attenuation (2X) version of the TPP probe is available for measuring low voltages. Unlike other low-attenuation passive probes, the TPP0502 has high bandwidth (500 MHz) as well as low capacitive loading (12.7 pF).

TDP7700 Series TriMode Probes
The TDP7700 Series TriMode probes provide the highest probe fidelity available for real-time oscilloscopes. The TDP7700 is designed for use with the 6 Series MSO, with full AC calibration of the probe and tip's signal path based on unique S-parameter models. The probe communicates the S-parameters to the scope via the TekVPI probe interface and the 6 Series MSO includes them to achieve the very best signal fidelity possible from probe tip to acquisition memory. Connectivity innovations such as solder-down tips with the probe's input buffer mounted only a few millimeters from the end of the tip, the TDP7700 Series probes provide unmatched usability for connecting to today's most challenging electronic designs.

With TriMode probing one probe setup makes differential, single ended, and common mode measurements accurately. This unique capability allows you to work more effectively and efficiently, switching between differential, single ended and common mode measurements without moving the probe's connection point.
IsoVu™ Isolated Measurement System
Whether designing an inverter, optimizing a power supply, testing communication links, measuring across a current shunt resistor, debugging EMI or ESD issues, or trying to eliminate ground loops in your test setup, common mode interference has caused engineers to design, debug, evaluate, and optimize "blind" until now.
The revolutionary Tektronix IsoVu technology uses optical communications and power-over-fiber for complete galvanic isolation. When combined with the 6 Series MSO equipped with the TekVPI interface, it is the first, and only, measurement system capable of accurately resolving high bandwidth, differential signals, in the presence of large common mode voltage with:
- Complete galvanic isolation
- Up to 1 GHz bandwidth
- 1 Million to 1 (120 dB) common mode rejection at 100 MHz
- 10,000 to 1 (80 dB) of common mode rejection at full bandwidth
- Up to 2,500 V differential dynamic range
- 60 kV common mode voltage range

High-side gate voltage measurement with IsoVu
The following image shows a comparison of the high-side gate voltage for a standard differential probe versus an optically isolated probe. For both at turn-off and turn-on, high-frequency ringing can be seen on the gate after the device’s gate passes through the threshold region. Due to coupling between the gate and power loop, some ringing is expected. However, in the case of the differential probe, the ringing has a significantly higher amplitude than is measured by the optically isolated probe. This is likely due to the changing reference voltage inducing common mode currents within the probe and an artifact of a standard differential probe. While the waveform measured by the differential probe appears to pass the maximum gate voltage of the device, the more accurate measurement of the optically isolated probe makes it clear that the device is within specification. Application designers using standard differential probes for gate voltage measurements should use caution as it may not be possible to differentiate between the probing and measurement system artifact shown here and an actual violation of the device ratings. This measurement artifact may cause the designer to increase the gate resistance to slow down the switching transient and reduce the ringing. However, this would unnecessarily increase losses in the SiC device. For this reason, it is essential to have a measurement system that accurately reflects the actual dynamics of the device, in order to appropriately design the system and optimize performance.

Comprehensive analysis for fast insight
Basic waveform analysis
Verifying that your prototype's performance matches simulations and meets the project's design goals requires careful analysis, ranging from simple checks of rise times and pulse widths to sophisticated power loss analysis, characterization of system clocks, and investigation of noise sources.
The 6 Series MSO offers a comprehensive set of standard analysis tools including:
- Waveform- and screen-based cursors
- 36 automated measurements. Measurement results include all instances in the record, the ability to navigate from one occurrence to the next, and immediate viewing of the minimum or maximum result found in the record
- Basic waveform math
- Basic FFT analysis
- Advanced waveform math including arbitrary equation editing with filters and variables
- Spectrum View frequency domain analysis with independent controls for time and frequency domains
- FastFrame™ Segmented Memory enables you to make efficient use of the oscilloscope’s acquisition memory by capturing many trigger events in a single record while eliminating the large time gaps between events of interest. View and measure the segments individually or as an overlay.
Standard amplitude and time measurements annotate the waveform display with visual bars and markers to indicate relative information. Measurement results tables provide comprehensive statistical views of measurement results with statistics across both the current acquisition and all acquisitions.

Callouts
- Note: Write and position a text box on the screen.
- Arrow: Write and position a text box, then add an arrow to a specific location on the screen.
- Rectangle: Write text and outline a specific region on the screen indicated by a resizable box.
- Bookmark: Create a dynamic readout at a specific time relevant to a trigger point. This readout includes text, magnitude of the signal, signal units, as well as a line and target indicating the bookmark reference point.
Documenting test results and methods is critical when sharing data across a team, recreating a measurement at a later date, or delivering a customer report. With a few taps on the screen, you can create as many custom callouts as needed; enabling you to document the specific details of your test results. With each callout, you can customize the text, location, color, font size, and font.

Navigation and search
Finding your event of interest in a long waveform record can be time consuming without the right search tools. With today's record lengths of many millions of data points, locating your event can mean scrolling through literally thousands of screens of signal activity.
The 6 Series MSO offers the industry's most comprehensive search and waveform navigation with its innovative Wave Inspector® controls. These controls speed panning and zooming through your record. With a unique force-feedback system, you can move from one end of your record to the other in just seconds. Or, use intuitive drag and pinch/expand gestures on the display itself to investigate areas of interest in a long record.
The Search feature allows you to automatically search through your long acquisition looking for user-defined events. All occurrences of the event are highlighted with search marks and are easily navigated to, using the Previous ( ← ) and Next ( → ) buttons found on the front panel or on the Search badge on the display. Search types include edge, pulse width, timeout, runt, window, logic, setup and hold, rise/fall time and parallel/serial bus packet content. You can define as many unique searches as you like.
You can also quickly jump to the minimum and maximum value of search results by using the Min and Max buttons on the Search badge.

Mask and limit testing (optional)
Whether you are focused on signal integrity or setting up pass/fail conditions for production, mask testing is an efficient tool to characterize the behavior of certain signals in a system. Quickly create custom masks by drawing mask segments on the screen. Tailor a test to your specific requirements and set actions to take when a mask hit is registered, or when a complete test passes or fails.
Limit testing is an insightful way to monitor the long-term behavior of signals, helping you characterize a new design or confirm hardware performance during production line testing. Limit tests compare your live signal to an ideal, or golden version of the same signal with user-defined vertical and horizontal tolerances.
You can easily tailor a mask or limit test to your specific requirements by:
- Defining test duration in number of waveforms
- Setting a violation threshold that must be met before considering a test a failure
- Counting violations/failures and reporting statistical information
- Setting actions upon violations, test failure, and test complete

User-defined filtering (optional)
In the broad sense, any system that processes a signal can be thought of as a filter. For example, an oscilloscope channel operates as a low pass filter where its 3 dB down point is referred to as its bandwidth. Given a waveform of any shape, a filter can be designed that can transform it into a defined shape within the context of some basic rules, assumptions, and limitations.
Digital filters have some significant advantages over analog filters. For example, the tolerance values of analog filter circuit components are high enough that high order filters are difficult or even impossible to implement. High order filters are easily implemented as digital filters. Digital filters can be implemented as Infinite Impulse Response (IIR) or Finite Impulse Response (FIR). The choice of IIR or FIR filters are based upon design requirements and application.
The 6 Series MSO has the ability to apply designated filters to math waveforms through a MATH arbitrary function. Option 6-UDFLT takes this functionality a level deeper, providing more than MATH arbitrary basic functions and adds flexibility to support standard filters and can be used for application centric filter designs.

Filter types supported on the 6 Series MSO include:
- Low pass
- High pass
- Band pass
- Band stop
- All pass
- Hilbert
- Differentiator
- Custom
Filter response types supported on the 6 Series MSO include:
- Butterworth
- Chebyshev I
- Chebyshev II
- Elliptical
- Gaussian
- Bessel-Thomson

Filter designs can be saved, recalled, and applied once any editing has been completed.
Protocol decode and analysis (optional)
During debugging, it can be invaluable to trace the flow of activity through a system by observing the traffic on one or more serial buses. It could take many minutes to manually decode a single serial packet, much less the thousands of packets that may be present in a long acquisition.
And if you know the event of interest that you are attempting to capture occurs when a particular command is sent across a serial bus, wouldn't it be nice if you could trigger on that event? Unfortunately, it's not as easy as simply specifying an edge or a pulse width trigger.

The 6 Series MSO offers a robust set of tools for working with the most common serial buses found in embedded design including I2C, SPI, eSPI, I3C, RS-232/422/485/UART, SPMI, SMBus, CAN, CAN FD, CAN XL, LIN, FlexRay, SENT, PSI5, CXPI, Automotive Ethernet, MIPI C-PHY,MIPI D-PHY, USB 1.0 (1.5 Mbps), USB 1.1 (12 Mbps), USB 2.0 (480 Mbps), eUSB2.0, USB3.0 (5 Gbps), Ethernet 10/100, EtherCAT, Audio (I2S/LJ/RJ/TDM), MIL-STD-1553, ARINC 429, Spacewire, 8B/10B, NRZ, Manchester, SVID, SDLC, 1-Wire, MDIO, and NFC.
Protocol search enables you to search through a long acquisition of serial packets and find the ones that contain the specific packet content you specify. Each occurrence is highlighted by a search mark. Rapid navigation between marks is as simple as pressing the Previous ( ← ) and Next ( → ) buttons on the front panel or in the Search badge that appears in the Results Bar.
The tools described for serial buses also work on parallel buses. Support for parallel buses is standard in the instrument. Parallel buses can be up to 64 bits wide and can include a combination of analog and digital channels.
- Serial protocol triggering lets you trigger on specific packet content including start of packet, specific addresses, specific data content, unique identifiers, and errors.
- Bus waveforms provide a higher-level, combined view of the individual signals (clock, data, chip enable, and so on) that make up your bus, making it easy to identify where packets begin and end, and identifying sub-packet components such as address, data, identifier, CRC, and so on.
- The bus waveform is time aligned with all other displayed signals, making it easy to measure timing relationships across various parts of the system under test.
- Bus decode tables provide a tabular view of all decoded packets in an acquisition much like you would see in a software listing. Packets are time stamped and listed consecutively with columns for each component (Address, Data, and so on).
NFC decode and analysis (optional)
Evaluating the performance margins of NFC designs is often difficult due to an inability to trace the protocol-level result down to the parametric signal level. This means marginal passes may result in failures later in the test flow, especially when designs are susceptible to interference and signal integrity issues caused by design trade-offs or nearby electronics, requiring time consuming debug across multiple instruments like a protocol analyzer and RF signal analyzer.
The NFC Protocol Decode and Search option on the 6 Series MSO offers users the ability to view the transaction of the NFC link and trace the result through every step of signal manipulation in the standard, from the protocol-level down to the fundamental signal level to gain insight into exactly how your NFC chip, tag, reader, or mobile device is performing.
NFC transactions can be long. The software option uniquely uses the data coming from the hardware DDC used for Spectrum View, which allows for sample rate compression, saving transfer time and memory, allowing for 100s of milliseconds or even seconds of signal data to be captured and analyzed.
Additionally, because I/O signals are not always available to probe and trigger on from the device under test, triggering on the RF envelope itself is also a challenge considering NFC’s small modulation index. With Spectrum View, you can trigger on the 13.56 MHz envelope using RF vs. Time traces and triggers, which is also unique amongst instruments.
This capability simplifies up-front design validation and also provides a powerful debugging tool in a single instrument when failures do occur.

Spectrum View
It is often easier to debug an issue by viewing one or more signals in the frequency domain. Oscilloscopes have included math-based FFTs for decades in an attempt to address this need. However, FFTs are notoriously difficult to use for two primary reasons.
First, when performing frequency-domain analysis, you think about controls like Center Frequency, Span, and Resolution Bandwidth (RBW), as you would typically find on a spectrum analyzer. But then you use an FFT, where you are stuck with traditional scope controls like sample rate, record length and time/div and have to perform all the mental translations to try to get the view you’re looking for in the frequency-domain.
Second, FFTs are driven by the same acquisition system that’s delivering the analog time-domain view. When you optimize acquisition settings for the analog view, your frequency-domain view isn’t what you want. When you get the frequency-domain view you want, your analog view is not what you want. With math-based FFTs, it is virtually impossible to get optimized views in both domains.
Spectrum View changes all of this. Tektronix’ patented technology provides both a decimator for the time-domain and a digital downconverter (DDC) for the frequency-domain behind each FlexChannel. The two different acquisition paths let you simultaneously observe both time- and frequency-domain views of the input signal with independent acquisition settings for each domain. Other manufacturers offer various ‘spectral analysis’ packages that claim ease-of-use, but they all exhibit the limitations described above. Only Spectrum View provides both exceptional ease-of-use and the ability to achieve optimal views in both domains simultaneously.
Traditionally, performing RF measurements, such as RF Channel Power (CHP), Adjacent Channel Power Ratio (ACPR), and Occupied Bandwidth (OBW), required a dedicated spectrum or signal analyzer or spectrum analyzer software. This additional hardware or software leads to more complexity and higher costs. Available standard with Spectrum View, integrated RF Measurements on each channel saves users time, bench space, and costs with the ability to validate RF transmitter CHP, ACPR, and OBW directly on the oscilloscope.
Additionally, the DDC significantly reduces the required sample rate to resolve a signal compared to a conventional FFT since it becomes a function of span rather than center frequency. This allows for reduced file sizes, improved frequency resolution, and faster spectrum update rates, leading to a more responsive and accurate solution capable of capturing 10's of seconds of spectrum data.


Visualizing changes in the RF signal (optional)
RF time domain traces make it easy to understand what’s happening with a time-varying RF signal. There are three RF time domain traces that are derived from the underlying I and Q data of Spectrum View:
- Magnitude – The instantaneous amplitude of the spectrum vs. time.
- Frequency – The instantaneous frequency of the spectrum relative to the center frequency vs. time.
- Phase – The instantaneous phase of the spectrum relative to the center frequency vs. time.
Each of these traces can be turned on and off independently, and all three can be displayed simultaneously.
The data is stored as in-phase and quadrature (I&Q) samples and precise synchronization is maintained between the time domain data and the I&Q data.
When RF vs. Time traces are activated, IQ data can be captured and exported to file for more advanced analysis within 3rd party applications.
With frequency on the x-axis, time on the y-axis, and power level indicated by variations in color, the Spectrogram display (included with option RFVT) offers enhanced insight into changes in signal amplitude and frequency content over time, allowing you to see where and when changes in spectral activity occur. This makes it ideal for displaying trends in spectral data such as when diagnosing complex spurious, frequency hopping, multi-channel, and dynamic signals.
Spectrogram benefits include:
- Ability to view all spectrum activity in a given span and acquisition immediately, without having to specify FFT overlap or Spectrum Time
- Quickly compare spectrum at different moments in time using time-correlated cursors and up to three overlaid spectrum traces
- Pinch and zoom in on spectral activity of interest with display resolution and FFT overlap automatically optimized
- Adjust center frequency, span, RBW, and amplitude color-scaling as needed to view all signals of interest
- Simultaneously view trends in multi-channel or non-contiguous spectrum by activating spectrograms on each available oscilloscope channel and independently setting center frequency and amplitude scaling


Triggering on changes in the RF signal (optional)
Whether you need to find the source of electromagnetic interference or understand the behavior of a VCO, hardware triggers for RF versus time make it easy to isolate, capture, and understand the RF signal behavior. Trigger on edges, pulse widths, and timeout behavior of RF magnitude vs. time and RF frequency vs. time.
Comprehensive vector signal analysis with SignalVu-PC (optional)
The Tektronix 6 Series B MSO, combined with available analysis software, offers cost-effective mid-range performance as either a 4 channel, 10 GHz bandwidth, or 8 channel, 5 GHz bandwidth multi-channel, multi-domain Vector Signal Analysis (VSA) solution.
When analysis needs go beyond the basic spectrum, amplitude, frequency, and phase vs. time you can employ the SignalVu-PC vector signal analysis application. This enables in-depth transient RF signal analysis, detailed RF pulse characterization, and comprehensive analog and digital RF modulation analysis.
Tektronix’ mixed signal oscilloscope based approach to 5G test, with dedicated DDC’s on each channel and 5G New Radio (NR) SignalVu-PC VSA software, offers a novel approach to validate 5G NR designs that the traditional RF engineer may not have considered previously due to technical limitations offered by traditional FFT-based oscilloscopes, and offers benefits for analyzing both time, frequency, and modulation domains simultaneously across multiple channels.
- The separate digital signal path for time and frequency domains and phase-matching between channels are critical for beamformer calibration.
- You can also analyze digital and analog/RF data simultaneously, to validate latency, modulation accuracy, and perform power efficiency or system-level debugging.
5G NR transmitter measurements core supported features
The 5GNR option (5GNRNL-SVPC) supports 5G NR modulation analysis measurements according to Release 15 and Release 16 of 3GPP’s TS 38 specifications, including:
- Analysis of uplink and downlink frame structures
- For the downlink, supported test models for FDD and TDD
- For the uplink, supported test models for FDD
- Modulation Accuracy (including Error Vector Magnitude (EVM) and IQ error)
- Channel Power (CHP)
- Adjacent Channel Power (ACP)
- Spectrum Emission Mask (SEM)
- Occupied Bandwidth
- Power vs Time (PVT)
- Summary table with all scalar results for Modulation Accuracy, ACP, CHP, SEM, and OBW measurements
- In-depth analysis and troubleshooting with coupled measurements across domains, use multiple markers to correlate results to find the root cause.
- Automate measurements using SCPI commands and save/recall configuration parameters and measurement results in .TIQ or .CSV format
- Configurable parameters of PDSCH or PUSCH for each component carrier

To enable the SignalVu-PC application on your 6 Series MSO Oscilloscope, three options are required.
- To run the application on the instrument, the Windows SSD (6-WIN) needs to be installed in the oscilloscope.
- The Spectrum View RF versus time traces option (6-SV-RFVT) needs to be installed in the oscilloscope to enable I/Q data transfer.
- The Connect (CONxx-SVPC) license needs to be installed on the SignalVu-PC to enable base features of application, which includes 16+ RF measurements and displays.
The RF digital down converters and integrated measurement engines behind each channel have your complex mixed-signal and mixed-domain analysis needs covered in one instrument.

Advanced pulse analysis (optional)
The per-channel DDC available on the 6 Series MSO offers the ability to analyze RF signals independently on all channels, including configuration of separate timing, triggering and measurements. This capability extends to evaluation of time, frequency and modulation domains simultaneously when using the SignalVu-PC VSA software.
The Advanced Pulse Analysis Option (SVPNL-SVPC) allows you to analyze multiple radar signals across measurement channels on a common timebase with independent or coordinated controls and measurements.

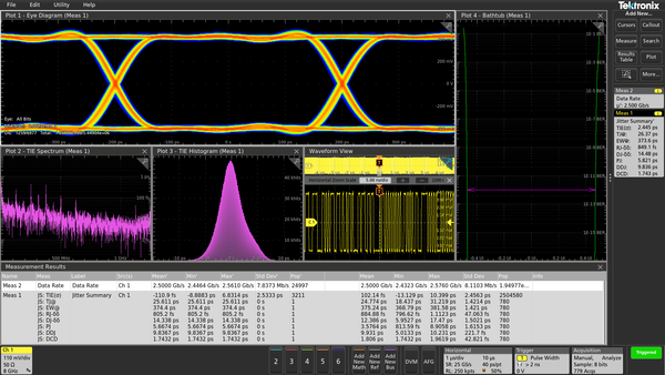
Jitter analysis
The 6 Series MSO has seamlessly integrated the DPOJET Essentials jitter and eye pattern analysis software package, extending the oscilloscope's capabilities to take measurements over contiguous clock and data cycles in a single-shot real-time acquisition. This enables measurement of key jitter and timing analysis parameters such as Time Interval Error and Phase Noise to help characterize possible system timing issues.
Analysis tools, such as plots for time trends and histograms, quickly show how timing parameters change over time, and spectrum analysis quickly shows the precise frequency and amplitude of jitter and modulation sources.
Option 6-DJA adds additional jitter analysis capability to better characterize your device's performance. The 31 additional measurements provide comprehensive jitter and eye-diagram analysis and jitter decomposition algorithms, enabling the discovery of signal integrity issues and their related sources in today's high-speed serial, digital, and communication system designs. Option 6-DJA also provides eye diagram mask testing for automated pass/fail testing.

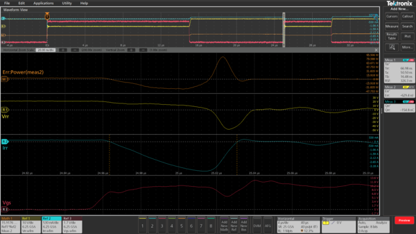
Power analysis (optional)
The 6 Series MSO has also integrated the optional power analysis package into the oscilloscope automatic measurement system to enable quick and repeatable analysis of power quality, input capacitance, in-rush current, harmonics, switching loss, safe operating area (SOA), modulation, ripple, Magnetics measurements, efficiency, amplitude and timing measurements, slew rate (dv/dt and di/dt), Control Loop Response (Bode Plot), and Power Supply Rejection Ratio (PSRR).
Measurement automation optimizes the measurement quality and repeatability at the touch of a button, without the need for an external PC or complex software setup.

Digital power management (optional)
The Digital Power Management and analysis (DPM) software option provides automated power rail measurements for Power Integrity Analysis on the 6 Series MSO oscilloscopes. The solution enables both simultaneous analysis of multiple power rails (using power rail probes) and sequencing of measurements (using passive probes). The solution is designed with the user work flow in mind to help design engineers meet their time-to-market needs. It also generates an automated report that includes measurements, test results, and plot images.
Key measurements include ripple, ripple-on-ripple, power sequencing, jitter analysis, transient analysis, power integrity and signal integrity analysis.
The Power Supply Induced Jitter (PSIJ) measurement acts as a tool that gives insights and confidence to signal integrity engineers to model the effects of hardware changes, to test their effectiveness before actually making them. The measurement provides essential results such as eye height, eye width, PJ, and TIE before and after filtering.

Inverter Motor Drive Analysis (IMDA)(optional)

During the design and validation of systems that utilize 3-Phase power, it can be difficult to correlate control systems and power electronics with the performance of the overall system.
This will give you deeper insights enabling you to debug the design, efficiency and reliability of:
- 3-Phase power inverters, converters, power supplies, and automotive 3-Phase designs for DC-AC topology
- Motors (brushless AC, brushless DC, induction, permanent magnet, universal, stepper, rotor)
- Drives (AC, DC, variable frequency, servo)
The automated measurements that are included with 6-IMDA are:
- Input analysis
- Power quality with phasor diagram
- Harmonics
- Input voltage
- Input current
- Input power
- Ripple analysis
- Line Ripple
- Switching Ripple
- Output analysis
- Phasor diagram
- Efficiency
- Mechanical Power
- System Efficiency
- Wiring configurations
- 1 Volt/1 Current - 1P2W
- 2 Volt/2 Current - 1P3W
- 2 Volt/2 Current - 3P3W
- 3 Volt/3 Current - 3P3W
- 3 Volt/3 Current - 3P4W
Compliance test
A key focus area for embedded designers is testing various embedded and interface technologies for compliance. This ensures the device passes the logo certification at plugfests and achieves successful interoperability when working with other compliant devices.
The compliance test specifications for high speed serial standards like USB, Ethernet, Memory, Display and MIPI are developed by the respective consortiums, or governing bodies. Working closely with these consortiums, Tektronix has developed oscilloscope-based compliance applications that not only focus on providing pass/fail results but also provide deeper insight into any failures by providing relevant measurement tools such as jitter and timing analysis to debug failing designs.
These automated compliance applications are built on a framework that provides:
-
Complete test coverage per the specification.
-
Fast test times with optimized acquisitions and test sequencing based on customized settings.
-
Analysis based on previously-acquired signals, allowing the device under test (DUT) to be disconnected from the setup once all acquisitions are completed. This also allows analysis of waveforms acquired on a different oscilloscope or captured at a remote lab, facilitating a very collaborative test environment.
-
Signal validation during acquisition to ensure the right signals are being captured.
-
Additional parametric measurements for design debug.
-
Custom eye diagram mask testing for insight into design margin.
-
Detailed reports in multiple formats with setup information, results, margins, waveform screenshots and plot images.

Wide Bandgap Double Pulse Test (optional)
The Wide Bandgap Double Pulse Test application offers precise Wide Bandgap measurements that make device and the system validation easier. It has an ability to test SiC or GaN devices and also Si MOSFET and IGBTs. The application is compatible with all the Tektronix VPI probes and when used with the Tektronix IsoVu™ probes, it helps uncover all the hidden artifacts of SiC or GaN devices at the circuit level. The application offers automated measurements as per the JEDEC and IEC standards. It offers unique features such as per-cycle analysis with annotation, flexibility with custom reference level settings, configurable integration points, and power preset that can be set based on the DUT designs.
Following measurements are performed:
- Low side switching parameters and High side diode reverse recovery measurements
- Low side and High side switching parameters
- RDS(on) Dynamic Resistance

Designed with your needs in mind
Connectivity
The 6 Series MSO contains a number of ports which you can use to connect the instrument to a network, directly to a PC, or to other test equipment.
- Two USB 2.0 and one USB 3.0 host ports on the front and four more USB host ports (two 2.0, two 3.0) on the rear panel enable easy transfer of screen shots, instrument settings, and waveform data to a USB mass storage device. A USB mouse and keyboard can also be attached to USB host ports for instrument control and data entry.
- The rear panel USB Device port is useful for controlling the oscilloscope remotely from a PC.
- The standard 10/100/1000BASE-T Ethernet port on the rear of the instrument enables easy connection to networks and provides LXI Core 2011 compatibility.
- The DVI-D, DisplayPort and VGA ports on the rear of the instrument let you duplicate the instrument display on an external monitor or projector.

Upgrade Automated Test Equipment (ATE) systems quickly and smoothly
Anyone working closely with automated test systems knows that moving to a new model or platform can be painful. Modifying an existing codebase for a new product can be prohibitively expensive and complicated. Now there's a solution.
All 6 Series MSO’s include a Programmatic Interface (PI) Translator. When enabled, the PI Translator acts as an intermediate layer between your test application and the oscilloscope. It recognizes a subset of legacy commands from the popular DPO/MSO5000B and DPO7000C platforms and translates them on the fly into supported commands for the 6 Series MSO. The Translator interface is designed to be human-readable and easily extensible, which means that you can customize its behavior to minimize the amount of effort required when transitioning to your new oscilloscope.
Remote operation to improve collaboration
Want to collaborate with a design team on the other side of the world?
The included e*Scope® capability enables fast control of an oscilloscope running the Embedded Operating System over a network connection. This can be viewed from any PC or device through a standard web browser.
Simply enter the IP address or network name of the oscilloscope and a web page will be served to the browser. Control the oscilloscope remotely in the exact same way that you do in-person using the built-in touchscreen. Alternatively for oscilloscopes with the Microsoft Windows 10 Operating System, you can use Windows Remote Desktop™ to connect directly to the instrument and control it remotely.
The industry-standard TekVISA™ protocol interface is included for using and enhancing Windows applications for data analysis and documentation. IVI-COM instrument drivers are included to enable easy communication with the oscilloscope using LAN or USBTMC connections from an external PC.

PC-based analysis and remote connection to your oscilloscope
Get the analysis capability of an award-winning oscilloscope on your PC. Analyze waveforms anywhere, anytime. The basic license lets you view and analyze waveforms, perform many types of measurements and decode the most common serial buses - all while remotely accessing your oscilloscope. Advanced license options add capabilities such as multi-scope analysis, more serial bus decoding options, jitter analysis, and power measurements.

Key features of the TekScope PC analysis software include:
- Connect to the instrument remotely and enable low-latency waveform updates using high-speed TekHSI data transfers.
- Share the data remotely with your colleagues so that they can perform analysis and make measurements as if they were sitting in front of the oscilloscope
- Synchronize waveforms from the multiple oscilloscopes in real-time
- Perform advanced analysis even if your oscilloscope is not equipped with TekScope PC analysis software
- Recall Tektronix oscilloscope sessions and waveform files from the equipment made by Tektronix and other vendors.
- Waveform file formats supported include .wfm, .isf, .csv, .h5, .tr0, .trc, and .bin
TekDrive collaborative test and measurement workspace
Using TekDrive, you can upload, store, organize, search, download, and share any file type from any connected device. TekDrive is natively integrated into the instrument for seamless sharing and recalling of files - no USB stick is required. Analyze and explore standard files like .wfm, .isf, .tss, and .csv, directly in a browser with smooth interactive waveform viewers. TekDrive is purpose built for integration, automation, and security.

Arbitrary/Function Generator (AFG)
The instrument contains an optional integrated arbitrary/function generator, perfect for simulating sensor signals within a design or adding noise to signals to perform margin testing. The integrated function generator provides output of predefined waveforms up to 50 MHz for sine, square, pulse, ramp/triangle, DC, noise, sin(x)/x (Sinc), Gaussian, Lorentz, exponential rise/fall, Haversine and cardiac. The AFG can load waveform records up to 128 k points in size from an internal file location or a USB mass storage device.
The AFG feature is compatible with Tektronix' ArbExpress PC-based waveform creation and editing software, making creation of complex waveforms fast and easy.
Digital Voltmeter (DVM) and Trigger Frequency Counter
The instrument contains an integrated 4-digit digital voltmeter (DVM) and 8-digit trigger frequency counter. Any of the analog inputs can be a source for the voltmeter, using the same probes that are already attached for general oscilloscope usage. The trigger frequency counter provides a very precise readout of the frequency of the trigger event on which you’re triggering.
Both the DVM and trigger frequency counter are available for free and are activated when you register your product.
Enhanced security
The 6 Series BMSO provides you with the option to protect company data through the Security menu. This includes the option to restrict access to the instrument by password-protecting remote network access, I/O ports, and firmware updates to ensure the security of the data. By default, the oscilloscope disables remote access on initial use and gives you the option to enable remote access with or without a password.
To clear user data, run TekSecure from the menu. Sanitize the oscilloscope by removing the SSD from the bottom of the instrument.

Help when you need it
Several helpful resources are included so you can get your questions answered rapidly without having to find a manual or go to a website:
- Graphical images and explanatory text are used in numerous menus to provide quick feature overviews.
- All menus include a question mark icon in the upper right that takes you directly to the portion of the integrated help system that applies to that menu.
- A short user interface tutorial is included in the Help menu for new users to come up to speed on the instrument in a matter of a few minutes.

Specifications
All specifications are guaranteed and apply to all models unless noted otherwise.
Model overview
| MSO64B | MSO66B | MSO68B | |
|---|---|---|---|
| FlexChannel inputs | 4 | 6 | 8 |
| Maximum analog channels | 4 | 6 | 8 |
| Maximum digital channels (with optional logic probes) | 32 | 48 | 64 |
| Bandwidth (calculated rise time) |
1 GHz (400 ps), 2.5 GHz (160 ps), 4 GHz (100 ps), 6 GHz (66.67 ps), 8 GHz (50 ps), 10 GHz (40 ps) Derate 10 GHz Bandwidth at 0.05 dB/5 ℃ above 23 ℃. Derate 8 GHz Bandwidth at 0.02 dB/5 ℃ above 23 ℃ |
||
| DC Gain Accuracy |
50 Ω: ±2.0% 2 at >2 mV/div (±2.0% at 2 mV/div typical, ±4% at 1`mV/div typical) 50 Ω: ±1.0% 3 of full scale at >2 mV/div, (±1.0% of full scale at 2 mV/div typical, ±2% at 1 mV/div typical) 1 MΩ: ±2.0% 2 at >2 mV/div (±2% at 2 mV/div, ±2.5% at 1 mV/div typical and 500`μV/div typical) 1 MΩ: ±1.0% 3 of full scale at >2 mV/div, (±1.0% of full scale at 2 mV/div typical, ±1.25% at 1 mV/div and 500`μV/div, typical) |
||
| ADC Resolution | 12 bits | ||
|
Vertical Resolution Note: Vertical resolution specified based on the number of channels used. |
8 bits @ 50 GS/s; 10 GHz on 2 channels 8 bits @ 25 GS/s; 10 GHz on 4 channels 12 bits @ 12.5 GS/s (High Res); 5 GHz on 4 channels (8 bits @ 12.5 GS/s; 5 GHz on >4 channels) 13 bits @ 6.25 GS/s (High Res); 2 GHz on 4 channels (12 bits @ 6.25 GS/s (High Res); 2 GHz on >4 channels) 14 bits @ 3.125 GS/s (High Res); 1 GHz on 4 channels (13 bits @ 3.125 GS/s (High Res); 1 GHz on >4 channels) 15 bits @ 1.25 GS/s (High Res); 500 MHz on 4 channels (14 bits @ 1.25 GS/s (High Res); 500 MHz on >4 channels) 16 bits @ ≤625 MS/s (High Res); 200 MHz on 4 channels (15 bits @ 625 MS/s (High Res); 200 MHz on >4 channels) 16 bits @ ≤312.5 MS/s (High Res); 100 MHz on >4 channels |
||
| Sample Rate | 50 GS/s on 2 analog / digital channels (20 ps resolution); 25 GS/s on 4 analog / digital channels (40 ps resolution); 12.5 GS/s on > 4 analog / digital channels (80 ps resolution) | ||
| Record Length | 62.5 Mpoints on all analog / digital channels, (125 Mpoints, 250 Mpoints, 500 Mpoints on all channels optional; 1 Gpoints on up to four channels with 500 Mpoints on all channels for MSO66B and MSO68B instruments) | ||
| Waveform Capture Rate |
>500,000 wfms/s (Peak Detect, Envelope acquisition mode), >30,000 wfms/s (all other acquisition modes) |
||
| Arbitrary/Function Generator (opt.) | 13 predefined waveform types with up to 50 MHz output | ||
| DVM | 4-digit DVM (free with product registration) | ||
| Trigger Frequency Counter | 8-digit frequency counter (free with product registration) | ||
Vertical system- analog channels
- Input coupling
- DC, AC
- Input impedance 1 MΩ DC coupled
- 1 MΩ ±1%
- Input capacitance 1 MΩ DC coupled, typical
- 14.5 pF ±1.5 pF
- Input impedance 50 Ω, DC coupled
- 50 Ω ±3%
- Input sensitivity range
-
- 1 MΩ
- 500 µV/div to 10 V/div in a 1-2-5 sequence
- Note: 500 μV/div is a 2X digital zoom of 1 mV/div.
- 50 Ω
- 1 mV/div to 1 V/div in a 1-2-5 sequence
- 1 mV/div is a 2X digital zoom of 2 mV/div.
- Maximum input voltage
- 50 Ω: 2.3 VRMS at <100 mV/div, with peaks ≤ ±20 V (Pulse Width ≤ 1 us)
- 50 Ω: 5.5 VRMS at ≥100 mV/div, with peaks ≤ ±20 V (Pulse Width ≤ 200 us)
- 1 MΩ: 300 VRMSwith peaks ≤ ±425 V
- Derate at 20 dB/decade between 4.5 MHz and 45 MHz; derate 14 dB/decade between 45 MHz and 450 MHz. Above 450 MHz, 5.5 VRMS
- Effective bits (ENOB), typical
-
- 2 mV/div, High Res mode, 50 Ω, 10 MHz input with 90% full screen
-
Bandwidth ENOB 5 GHz 5.7 4 GHz 5.9 3 GHz 6.1 2.5 GHz 6.2 2 GHz 6.35 1 GHz 6.8 500 MHz 7.25 350 MHz 7.5 250 MHz 7.65 200 MHz 7.85 20 MHz 9.25 - 50 mV/div, High Res mode, 50 Ω, 10 MHz input with 90% full screen
-
Bandwidth ENOB 5 GHz 7.4 4 GHz 7.6 3 GHz 7.85 2.5 GHz 7.95 2 GHz 8.05 1 GHz 8.45 500 MHz 8.65 350 MHz 8.8 250 MHz 8.85 200 MHz 8.9 20 MHz 9.85 - 2 mV/div, Sample mode, 50 Ω, 10 MHz input with 90% full screen
-
Bandwidth ENOB 10 GHz 4.95 9 GHz 5.1 8 GHz 5.2 7 GHz 5.35 6 GHz 5.55 - 50 mV/div, Sample mode, 50 Ω, 10 MHz input with 90% full screen
-
Bandwidth ENOB 10 GHz 6.6 9 GHz 6.75 8 GHz 6.85 7 GHz 7 6 GHz 7.15
- DC gain accuracy
-
- 50 Ohm
-
±2.0%4 (±2.0% at 2 mV/div, ±4% at 1 mV/div, typical)
±1.0%5 of full scale, (±1.0% of full scale at 2 mV/div, ± 2% at 1 mV/div, typical)
- Position range
- ±5 divisions
- Offset ranges, maximum
-
-
Input signal cannot exceed maximum input voltage for the 50 Ω input path.
Volts/div Setting Maximum offset range, 50 Ω Input 1 mV/div - 99 mV/div ±1 V 100 mV/div - 1 V/div ±10 V Volts/div Setting Maximum offset range, 1 MΩ Input 500 µV/div - 63 mV/div ±1 V 64 mV/div - 999 mV/div ±10 V
1 V/div - 10 V/div ±100 V
-
- Offset accuracy
-
- 50 Ohm DC-coupled
-
≥5mV/div: ± (0.005 X |offset – position| + 0.087 div)
2mV/div: ± (0.005 X |offset – position| + 0.13 div)
1mV/div: ± (0.005 X |offset – position| + 0.224 div)
-
- 1 MOhm DC-coupled
-
≥5mV/div: ± (0.005 X |offset – position| + 0.2 div)
2mV/div: ± (0.005 X |offset – position| + 0.237 div)
1mV/div: ± (0.005 X |offset – position| + 0.384 div)
Offset and position in units of Volts
- Bandwidth selections
-
- 10 GHz model, 50 Ohm
- 20 MHz, 200 MHz, 250 MHz, 350 MHz, 500 MHz, 1 GHz, 2 GHz, 2.5 GHz, 3 GHz, 4 GHz, 5 GHz, 6 GHz, 7 GHz, 8 GHz, 9 GHz, and 10 GHz
- 8 GHz model, 50 Ohm
- 20 MHz, 200 MHz, 250 MHz, 350 MHz, 500 MHz, 1 GHz, 2 GHz, 2.5 GHz, 3 GHz, 4 GHz, 5 GHz, 6 GHz, 7 GHz, and 8 GHz
- 6 GHz model, 50 Ohm
- 20 MHz, 200 MHz, 250 MHz, 350 MHz, 500 MHz, 1 GHz, 2 GHz, 2.5 GHz, 3 GHz, 4 GHz, 5 GHz, and 6 GHz
- 4 GHz model, 50 Ohm
- 20 MHz, 200 MHz, 250 MHz, 350 MHz, 500 MHz, 1 GHz, 2 GHz, 2.5 GHz, 3 GHz, and 4 GHz
- 2.5 GHz model, 50 Ohm
- 20 MHz, 200 MHz, 250 MHz, 350 MHz, 500 MHz, 1 GHz, 2 GHz, and 2.5 GHz
- 1 GHz model, 50 Ohm
- 20 MHz, 200 MHz, 250 MHz, 350 MHz, 500 MHz, and 1 GHz
- Bandwidth filtering optimized for
- Flatness or Step response
- Random noise, RMS, typical
-
- 50 Ω, typical
-
50 GS/s, Sample Mode, RMS V/div 1 mV/div 2 mV/div 5 mV/div 10 mV/div 20 mV/div 50 mV/div 100 mV/div 1 V/div 10 GHz 183 μV 188 μV 228 μV 346 μV 602 μV 1.39 mV 3.58 mV 27.4 mV 9 GHz 167 μV 172 μV 208 μV 315 μV 549 μV 1.27 mV 3.22 mV 25 mV 8 GHz 153 μV 156 μV 192 μV 287 μV 501 μV 1.15 mV 2.94 mV 23.1 mV 7 GHz 139 μV 141 μV 175 μV 262 μV 457 μV 1.07 mV 2.68 mV 21.1 mV 6 GHz 124 μV 127 μV 156 μV 234 μV 412 μV 949 μV 2.39 mV 19 mV 25 GS/s, HiRes Mode, RMS V/div 1 mV/div 2 mV/div 5 mV/div 10 mV/div 20 mV/div 50 mV/div 100 mV/div 1 V/div 5 GHz 111 μV 112 μV 134 μV 197 μV 338 μV 772 μV 1.99 mV 15.4 mV 4 GHz 97.4 μV 98.7 μV 117 μV 171 μV 291 μV 672 μV 1.73 mV 13.3 mV 3 GHz 83.8 μV 85 μV 101 μV 144 μV 245 μV 559 μV 1.46 mV 11.2 mV 2.5 GHz 75.6 μV 76.6 μV 90.7 μV 128 μV 219 μV 498 μV 1.3 mV 9.85 mV 2 GHz 68.9 μV 69.9 μV 81.7 μV 116 μV 195 μV 444 μV 1.17 mV 8.78 mV 1 GHz 51.1 μV 51.8 μV 59.9 μV 82.9 μV 138 μV 314 μV 829 μV 6.22 mV 500 MHz 37.5 μV 38 μV 43.4 μV 60 μV 99.9 μV 230 μV 607 μV 4.61 mV 350 MHz 31.9 μV 32.3 μV 36.9 μV 49.9 μV 82.1 μV 185 μV 499 μV 3.62 mV 250 MHz 28.1 μV 28.5 μV 32.5 μV 44 μV 71.5 μV 161 μV 440 μV 3.19 mV 200 MHz 24.2 μV 24.5 μV 28 μV 37.9 μV 62.3 μV 140 μV 383 μV 2.78 mV 20 MHz 8.68 μV 8.8 μV 10.1 μV 13.8 μV 22.9 μV 52.8 μV 136 μV 1.04 mV - 1 MΩ, High Res mode (RMS), typical
-
V/div 1 mV/div 2 mV/div 5 mV/div 10 mV/div 20 mV/div 50 mV/div 100 mV/div 1 V/div 500 MHz 186 μV 202 μV 210 μV 236 μV 288 μV 522 μV 1.25 mV 13.4 mV 350 MHz 134 μV 138 μV 145 μV 163 μV 216 μV 391 μV 974 μV 10.6 mV 250 MHz 108 μV 110 μV 114 μV 131 μV 182 μV 374 μV 838 μV 9.63 mV 200 MHz 106 μV 108 μV 109 μV 117 μV 149 μV 274 μV 674 μV 8.01 mV 20 MHz 73 μV 73.2 μV 78.1 μV 99.6 μV 158 μV 361 μV 801 μV 8.29 mV
- Crosstalk (channel isolation), typical
-
≥50 dB up to 2 GHz
≥45 dB up to 5 GHz
≥40 dB up to 10 GHz
for any two channels set to 200 mV/div.
Vertical system - digital channels
- Number of channels
- 8 digital inputs (D7-D0) per installed TLP058 (traded off for one analog channel)
- Vertical resolution
- 1 bit
- Maximum input toggle rate
- 500 MHz
- Minimum detectable pulse width, typical
-
300 ps
- Thresholds
- One threshold per digital channel
- Threshold range
- ±40 V
- Threshold resolution
- 10 mV
- Threshold accuracy
-
± [100 mV + 3% of threshold setting after calibration]
- Input hysteresis, typical
- 100 mV at the probe tip
- Input dynamic range, typical
- 30 Vpp for Fin ≤ 200 MHz, 10 Vpp for Fin > 200 MHz
- Absolute maximum input voltage, typical
- ±42 V peak
- Minimum voltage swing, typical
- 400 mV peak-to-peak
- Input impedance, typical
- 100 kΩ
- Probe loading, typical
- 2 pF
Front end and RF system (all measurements are typical)
- Sensitivity/Noise density
- -157 dBm/Hz (1 mV/div, -38 dBm, 1.0001 GHz CF, 500 kHz span, 3 kHz RBW)
- DANL
-
-163 dBm/Hz 10 MHz to 6 GHz, 1 mV/div
-160 dBm/Hz >6 GHz to 10 GHz, 1 mV/div
- Noise figure
- 17 dB (1 mV/div, -38 dBm, 1.001 GHz, 500 kHz span, 3 kHz RBW)
- SNR/Dynamic range
- 112 dB (1 GHz input carrier, 0 dBm scope input range, 1 GHz CF, 100 MHz span, 1 kHz RBW, measured ±20 MHz from center)
- Absolute amplitude accuracy
- ±1 dB (0 - 8 GHz) for max 10 GHz BW
- Phase noise @ 1GHz
-
10 MHz offset: -140 dBc/Hz
1 MHz offset: -132 dBc/Hz
100 kHz offset: -118 dBc/Hz
10 kHz offset: -118 dBc/Hz
- EVM (256 QAM)
-
0.5% @ 20 MSymbols/s
1.1% @ 800 MSymbols/s
1.5% @ 1.2 GSymbols/s
1.6% @ 2 GSymbols/s
- SFDR
-
60 dB @ 3 GHz, 5 GHz span
70 dB @ 2.35 GHz, 1.5 GHz span
- Return Loss (<100 mV/div )
-
12 dB <5GHz
8 dB 5 GHz to 10 GHz
- Harmonic distortion
-
2nd Harmonic: -58 dBC with a 0 dBm, 1 GHz signal
3rd Harmonic: -55 dBC with a 0 dBm, 1 GHz signal
- Two-tone third order intercept point (at 99 mV/div)
-
25 dBm 10 MHz to 6 GHz
20 dBm 6 GHz to 8 GHz
12 dBm 8 GHz to 10 GHz
Horizontal system
- Time base range
- 40 ps/div to 1,000 s/div
- Sample rate range
-
6.25 S/s to 50 GS/s (real time - maximum value depends on channels used)
25 GS/s to 2.5 TS/s (interpolated - minimum value depends on channels used)
- Record length range
-
Applies to analog and digital channels. All acquisition modes are 1 G maximum record length, down to 1 k minimum record length, adjustable in 1 sample increments.
Standard: 62.5 Mpoints
Option 6-RL-1: 125 Mpoints
Option 6-RL-2: 250 Mpoints
Option 6-RL-3: 500 Mpoints
Option 6-RL-4: 1 Gpoints
- Seconds/Division range
-
Model 1 K 10 K 100 K 1 M 10 M 62.5 M 125 M 250 M 500 M 1 G MSO6xB Standard 62.5 M 40 ps - 16 s 400 ps - 160 s 4 ns - 1000 s 2.5 μs - 1000 s N/A N/A N/A N/A MSO6xB Option 6-RL-1 125 M 40 ps - 16 s 400 ps - 160 s 4 ns - 1000 s 2.5 μs - 1000 s 5 μs - 1000 s N/A N/A N/A MSO6xB Option 6-RL-2 250 M 40 ps - 16 s 400 ps - 160 s 4 ps - 1000 s 2.5 μs - 1000 s 5 μs - 1000 s 10 μs - 1000 s N/A N/A MSO6xB Option 6-RL-3 500 Mpts 40 ps - 16 s 400 ps - 160 s 4 ps - 1000 s 2.5 us - 1000 s 5 us - 1000 s 10 us - 1000 s 20 us - 1000 s N/A MSO6xB Option 6-RL-4: 1 Gpts 40 ps - 16 s 400 ps - 160 s 4 ps - 1000 s 2.5 us - 1000 s 5 us - 1000 s 10 us - 1000 s 20 us - 1000 s 40 us - 1000 s
- Aperture uncertainty (sample jitter)
-
Time duration Typical jitter <1 μs 80 fs <1 ms 130 fs
- Timebase accuracy
- ±1.0 x10-7 over any ≥1 ms time interval
-
Description Specification Factory Tolerance ±12 ppb; at calibration, 25 °C ambient, over any ≥1 ms interval Temperature stability ±20 ppb across the full operating range of 0 °C to 50 °C, after a sufficient soak time at the temperature; tested at operating temperatures Crystal aging ±300 ppb; frequency tolerance change at 25 °C over a period of 1 year
- Delta-time measurement accuracy, nominal
-

(assume edge shape that results from Gaussian filter response)
The formula to calculate delta-time measurement accuracy (DTA) for a given instrument setting and input signal assumes insignificant signal content above Nyquist frequency, where:
SR 1 = Slew Rate (1st Edge) around 1st point in measurement
SR 2 = Slew Rate (2nd Edge) around 2nd point in measurement
N = RSS of input-referred noise (VRMS) and dynamic noise estimate (volts rms)

TBA = time base accuracy or reference frequency error (which is 20 ppb)
t j = aperture uncertainty (sec rms -80 fs for short durations)
t p = delta-time measurement duration (sec)
- Maximum duration at highest sample rate
- 1.25 ms (std.) or 2.5 ms (opt. 6-RL-1, 125 Mpoints), 5 ms (opt. 6-RL-2, 250 Mpoints), 10 ms (opt. 6-RL-3, 500 Mpoints), or 20 ms (Opt. 6-RL-4, 1 Gpoints)
- Time base delay time range
- -10 divisions to 5,000 s
- Deskew range
- -125 ns to +125 ns with a resolution of 40 ps (for Peak Detect and Envelope acquisition modes).
- -125 ns to +125 ns with a resolution of 1 ps (for all other acquisition modes).
- Delay between analog channels, full bandwidth, typical
-
≤ 10 ps for any two channels with input impedance set to 50 Ω, DC coupling with equal Volts/div or above 10 mV/div
- Delay between analog and digital FlexChannels, typical
- < 1 ns when using a TLP058 and a passive probe matching the bandwidth of the scope, with no bandwidth limits applied
- Delay between any two digital FlexChannels, typical
- 320 ps
- Delay between any two bits of a digital FlexChannel, typical
- 200 ps
Trigger system
- Trigger modes
- Auto, Normal, and Single
- Trigger coupling
-
DC, HF Reject (attenuates > 50 kHz), LF Reject (attenuates < 50 kHz), noise reject (reduces sensitivity)
- Trigger holdoff range
- 0 ns to 10 seconds
- Trigger bandwidth (edge, pulse and logic), typical
-
Model Trigger type Trigger bandwidth MSO6xB 10 GHz Edge 10 GHz MSO6xB 10 GHz Pulse, Logic 4 GHz MSO6xB 8 GHz Edge 8 GHz MSO6xB 8 GHz Pulse, Logic 4 GHz MSO6xB 6 GHz Edge 6 GHz MSO6xB 6 GHz Pulse, Logic 4 GHz MSO6xB 4 GHz, 2.5 GHz, 1 GHz Edge, Pulse, Logic Product Bandwidth
- Edge-type trigger sensitivity, DC coupled, typical
-
Path Range Specification 1 MΩ path (all models) 0.5 mV/div to 0.99 mV/div 5 mV from DC to instrument bandwidth ≥ 1 mV/div The greater of 5 mV or 0.7 div from DC to lesser of 500 MHz or instrument BW, & 6 mV or 0.8 div from > 500 MHz to instrument bandwidth 50 Ω path 1 mV/div to 1.99 mV/div 3.5 div from DC to 80% of instrument bandwidth 2 mV/div to 4.99 mV/div 2 divisions from DC to 80% of instrument bandwidth ≥ 5 mV/div < 5 division from DC to 80% of instrument bandwidth Line 90 V to 264 V line voltage at 50 - 60 Hz line frequency 103.5 V to 126.5 V
AUX Trigger in 250 mVPP, DC to 400`MHz
- Edge-type trigger sensitivity, not DC coupled, typical
-
Trigger Coupling Typical Sensitivity NOISE REJ 2.5 times the DC Coupled limits HF REJ 1.0 times the DC Coupled limits from DC to 50 kHz. Attenuates signals above 50 kHz. LF REJ 1.5 times the DC Coupled limits for frequencies above 50 kHz. Attenuates signals below 50 kHz.
- Trigger jitter, typical
- ≤ 1.5 psRMS for sample mode and edge-type trigger
- ≤ 2 psRMS for edge-type trigger and FastAcq mode
- ≤ 80 psPP for non edge-type trigger modes
- Trigger jitter, AUX input, typical
-
≤ 40 psRMS for edge-type trigger and FastAcq mode
- AUX In trigger skew between instruments, typical
-
±100 ps jitter on each instrument with 1.5 ns skew; ≤1.7 ns total between instruments.
Skew improves for pulse input voltages ≥1 Vpp
- Trigger level ranges
- This specification applies to logic and pulse thresholds.
Source Range Any Channel ±5 divs from center of screen Aux In Trigger ±5 V Line Fixed at about 50% of line voltage
- Trigger types
-
- Edge:
- Positive, negative, or either slope on any channel. Coupling includes DC, AC, noise reject, HF reject, and LF reject
- Pulse Width:
-
Trigger on width of positive or negative pulses. Event can be time- or logic-qualified
- Timeout:
- Trigger on an event which remains high, low, or either, for a specified time period. Event can be logic-qualified
- Runt:
- Trigger on a pulse that crosses one threshold but fails to cross a second threshold before crossing the first again. Event can be time- or logic-qualified
- Window:
- Trigger on an event that enters, exits, stays inside or stays outside of a window defined by two user-adjustable thresholds. Event can be time- or logic-qualified
- Logic:
- Trigger when logic pattern goes true, goes false, or occurs coincident with a clock edge. Pattern (AND, OR, NAND, NOR) specified for all input channels defined as high, low, or don't care. Logic pattern going true can be time-qualified
- Setup & Hold:
- Trigger on violations of both setup time and hold time between clock and data present on any input channels
- Rise / Fall Time:
- Trigger on pulse edge rates that are faster or slower than specified. Slope may be positive, negative, or either. Event can be logic-qualified
- Video (option 6-VID):
- Trigger on all lines, odd, even, or all fields of NTSC, PAL, and SECAM video signals
- Sequence:
- Trigger on B event X time or N events after A trigger with a reset on C event. In general, A and B trigger events can be set to any trigger type with a few exceptions: logic qualification is not supported, if A event or B event is set to Setup & Hold, then the other must be set to Edge, and Ethernet and High Speed USB (480 Mbps) are not supported
- Visual trigger
- Qualifies standard triggers by scanning all waveform acquisitions and comparing them to on-screen areas (geometric shapes). An unlimited number of areas can be defined with In, Out, or Don't Care as the qualifier for each area. A boolean expression can be defined using any combination of visual trigger areas to further qualify the events that get stored into acquisition memory. Shapes include rectangle, triangle, trapezoid, hexagon and user-defined.
- Parallel Bus:
- Trigger on a parallel bus data value. Parallel bus can be from 1 to 32 bits (from the digital and analog channels) in size. Supports Binary and Hex radices
- I2C Bus (option 6-SREMBD):
- Trigger on Start, Repeated Start, Stop, Missing ACK, Address (7 or 10 bit), Data, or Address and Data on I2C buses up to 10 Mb/s
- I3C Bus (option 6-SRI3C)
- Trigger on Start, Repeated Start, Stop, Address, Data, I3C SDR Direct, I3C SDR Broadcast, Missing ACK, T-Bit Error, Broadcast Address Error, Hot-Join, HDR Restart, HDR Exit on I3C buses up to 10 Mb/s
- SPI Bus (option 6-SREMBD):
- Trigger on Slave Select, Idle Time, or Data (1-16 words) on SPI buses up to 20 Mb/s
- RS-232/422/485/UART Bus (option 6-SRCOMP):
- Trigger on Start Bit, End of Packet, Data, and Parity Error up to 15 Mb/s
- CAN Bus (option 6-SRAUTO):
- Trigger on Start of Frame, Type of Frame (Data, Remote, Error, or Overload), Identifier, Data, Identifier and Data, End Of Frame, Missing Ack, and Bit Stuff Error on CAN buses up to 1 Mb/s
- CAN FD Bus (option 6-SRAUTO):
- Trigger on Start of Frame, Type of Frame (Data, Remote, Error, or Overload), Identifier (Standard or Extended), Data (1-8 bytes), Identifier and Data, End Of Frame, Error (Missing Ack, Bit Stuffing Error, FD Form Error, Any Error) on CAN FD buses up to 16 Mb/s
- LIN Bus (option 6-SRAUTO):
- Trigger on Sync, Identifier, Data, Identifier and Data, Wakeup Frame, Sleep Frame, and Error on LIN buses up to 1 Mb/s
- FlexRay Bus (option 6-SRAUTO):
- Trigger on Start of Frame, Indicator Bits (Normal, Payload, Null, Sync, Startup), Frame ID, Cycle Count, Header Fields (Indicator Bits, Identifier, Payload Length, Header CRC, and Cycle Count), Identifier, Data, Identifier and Data, End Of Frame, and Errors on FlexRay buses up to 10 Mb/s
- SENT Bus (option 6-SRAUTOSEN)
- Trigger on Start of Packet, Fast Channel Status and Data, Slow Channel Message ID and Data, and CRC Errors
- SPMI Bus (option 6-SRPM):
- Trigger on Sequence Start Condition, Reset, Sleep, Shutdown, Wakeup, Authenticate, Master Read, Master Write, Register Read, Register Write, Extended Register Read, Extended Register Write, Extended Register Read Long, Extended Register Write Long, Device Descriptor Block Master Read, Device Descriptor Block Slave Read, Register 0 Write, Transfer Bus Ownership, and Parity Error
- USB 2.0 LS/FS/HS Bus (option 6-SRUSB2):
- Trigger on Sync, Reset, Suspend, Resume, End of Packet, Token (Address) Packet, Data Packet, Handshake Packet, Special Packet, Error on USB buses up to 480 Mb/s
- Ethernet Bus (option 6-SRENET):
- Trigger on Start of Frame, MAC Addresses, MAC Q-tag, MAC Length/Type, MAC Data, IP Header, TCP Header, TCP/IPV4 Data, End of Packet, and FCS (CRC) Error on 10BASE-T and 100BASE-TX buses
- Audio (I2S, LJ, RJ, TDM) Bus (option 6-SRAUDIO):
- Trigger on Word Select, Frame Sync, or Data. Maximum data rate for I2S/LJ/RJ is 12.5 Mb/s. Maximum data rate for TDM is 25 Mb/s
- MIL-STD-1553 Bus (option 6-SRAERO):
- Trigger on Sync, Command (Transmit/Receive Bit, Parity, Subaddress / Mode, Word Count / Mode Count, RT Address), Status (Parity, Message Error, Instrumentation, Service Request, Broadcast Command Received, Busy, Subsystem Flag, Dynamic Bus Control Acceptance, Terminal Flag), Data, Time (RT/IMG), and Error (Parity Error, Sync Error, Manchester Error, Non-contiguous Data) on MIL-STD-1553 buses
- ARINC 429 Bus (option 6-SRAERO):
- Trigger on Word Start, Label, Data, Label and Data, Word End, and Error (Any Error, Parity Error, Word Error, Gap Error) on ARINC 429 buses up to 1 Mb/s
- RF Magnitude vs. Time and RF Frequency vs. Time (option 6-SV-RFVT):
- Trigger on edge, pulse width and timeout events
Acquisition system
- Sample
- Acquires sampled values
- Peak Detect
- Captures glitches as narrow as 160 ps at all sweep speeds
- Averaging
- From 2 to 10,240 waveforms
- Maximum averaging speed = 180 waveforms/s
- Fast Hardware Averaging
- An acquisition mode for acquiring a large number of averages in a short amount of time. Fast hardware averaging optimizes the acquisition path, reducing storage truncation error and smoothing out fine scale non-linearity imperfections via an optional offset dithering technique. This feature is available through programmatic interface commands.
- From 2 to 1,000,000 waveforms
- Maximum averaging speed = 32,000 waveforms/s
- Envelope
- Min-max envelope reflecting Peak Detect data over multiple acquisitions
- High Res
-
Applies a unique Finite Impulse Response (FIR) filter for each sample rate that maintains the maximum bandwidth possible for that sample rate while preventing aliasing and removing noise from the oscilloscope amplifiers and ADC above the usable bandwidth for the selected sample rate.
High Res mode always provides at least 12 bits of vertical resolution and extends all the way to 16 bits of vertical resolution at ≤ 625 MS/s sample rates.
- FastAcq®
-
FastAcq optimizes the instrument for analysis of dynamic signals and capture of infrequent events.
Maximum waveform capture rate:
- >500,000 wfms/s (Peak Detect or Envelope Acquisition mode)
- >30,000 wfms/s (All other acquisition modes)
- Roll mode
- Scrolls sequential waveform points across the display in a right-to-left rolling motion, at timebase speeds of 40 ms/div and slower, when in Auto trigger mode.
- History mode
- Makes use of the maximum record length, allowing you to capture many triggered acquisitions, stop when you see something of interest, and quickly review all stored triggered acquisitions.
The number of available acquisitions stored in history is (Maximum record length) / (Current record length setting).
- FastFrame™
-
Acquisition memory divided into segments.
Maximum trigger rate >5,000,000 waveforms per second
Minimum frame size = 50 points
For record lengths up to 250M, and for frame size ≥ 1,000 points, maximum number of frames = record length / frame size.
For record lengths of 500M, and when only channels capable of a maximum sample rate of ≥ 25GS/s are used, maximum number of frames = record length / frame size.
For record lengths of 500M, and when any channels capable of a maximum sample rate of 12.5 GS/s are used, maximum number of frames is ≥ 250,000.
For record lengths of 1G, and when only channels capable of a maximum sample rate of ≥ 25 GS/s are used, maximum number of frames ≥ record length / frame size / 2.
For record lengths of 1G, and when only channels capable of a maximum sample rate of 12.5 GS/s are used, maximum number of frames ≥ record length / frame size / 4.
For 50 point frames, maximum number of frames = 1,000,000
Waveform measurements
- Cursor types
- Waveform, V Bars, H Bars, V&H Bars, and Polar (XY/XYZ plots only)
- DC voltage measurement accuracy, Average acquisition mode
-
Measurement Type DC Accuracy (In Volts) Average of ≥ 16 waveforms ±(DC Gain Accuracy * |reading - (offset - position)| + Offset Accuracy + 0.15 div + 0.6 mV) Delta volts between any two averages of ≥ 16 waveforms acquired with the same oscilloscope setup and ambient conditions ±(DC Gain Accuracy * |reading| + 0.15 div + 1.2 mV)
- Automatic measurements
- 36, of which an unlimited number can be displayed as either individual measurement badges or collectively in a measurement results table
- Amplitude measurements
- Amplitude, Maximum, Minimum, Peak-to-Peak, Positive Overshoot, Negative Overshoot, Mean, RMS, AC RMS, Top, Base, and Area
- Timing measurements
- Period, Frequency, Unit Interval, Data Rate, Positive Pulse Width, Negative Pulse Width, Skew, Delay, Rise Time, Fall Time, Phase, Rising Slew Rate, Falling Slew Rate, Burst Width, Positive Duty Cycle, Negative Duty Cycle, Time Outside Level, Setup Time, Hold Time, Duration N-Periods, High Time, Low Time, Time to Minimum, and Time to Maximum
- Jitter measurements (standard)
- TIE and Phase Noise
- Measurement statistics
- Mean, Standard Deviation, Maximum, Minimum, and Population. Statistics are available on both the current acquisition and all acquisitions
- Reference levels
- User-definable reference levels for automatic measurements can be specified in either percent or units. Reference levels can be set to global for all measurements, per source channel or signal, or unique for each measurement
- Gating
- Screen, Cursors, Logic, Search, or Time. Specifies the region of an acquisition in which to take measurements. Gating can be set to Global (affects all measurements set to Global) or Local (all measurements can have a unique Time gate setting; only one Local gate is available for Screen, Cursors, Logic, and Search actions).
- Measurement plots
- Histogram, Time Trend, Spectrum, Eye Diagram (TIE measurement only), Phase Noise (Phase Noise measurement only)
- Measurement limits
- Pass/fail testing for user-definable limits on measurement values. Act on event for measurement value failures include Save Screen Capture, Save Waveform, System Request (SRQ), and Stop Acquisitions
- Jitter analysis (option 6-DJA) adds the following:
-
- Measurements
-
Jitter Summary, TJ@BER, RJ- δδ, DJ- δδ, PJ, RJ, DJ, DDJ, DCD, SRJ, J2, J9, NPJ, F/2, F/4, F/8, Eye Height, Eye Height@BER, Eye Width, Eye Width@BER, Eye High, Eye Low, Q-Factor, Bit High, Bit Low, Bit Amplitude, DC Common Mode, AC Common Mode (Pk-Pk), Differential Crossover, T/nT Ratio, SSC Freq Dev, SSC Modulation Rate, SSC Slew Rate, Pattern Length, and Inter-Symbol Interference (ISI)
- Measurement plots
- Eye Diagram and Jitter Bathtub
- Fast eye rendering: Shows the Unit Intervals (UIs) that define the boundaries of the eye along with a user specified number of surrounding UIs for added visual context
- Complete eye rendering: Shows all valid Unit Intervals (UIs)
- Measurement limits
- Pass/fail testing for user-definable limits on measurement values. Act on event for measurement value failures include Save Screen Capture, Save Waveform, System Request (SRQ), and Stop Acquisitions
- Eye diagram mask testing
-
Automated mask pass/fail testing with mask autofit
- Power analysis (option 6-PWR) adds the following:
-
- Measurements
-
Input Analysis (Frequency, VRMS, IRMS, voltage and current Crest Factors, True Power, Apparent Power, Reactive Power, Power Factor, Phase Angle, Harmonics, Inrush Current, Input Capacitance )
Amplitude Analysis (Cycle Amplitude, Cycle Top, Cycle Base, Cycle Maximum, Cycle Minimum, Cycle Peak-to-Peak)
Timing Analysis (Period, Frequency, Negative Duty Cycle, Positive Duty Cycle, Negative Pulse Width, Positive Pulse Width)
Switching Analysis (Switching Loss, dv/dt, di/dt, Safe Operating Area, RDSon)
Output Analysis (Line Ripple, Switching Ripple, Efficiency, Turn-on Time, Turn-off Time)
Magnetic Analysis (Inductance, I vs. Intg(V), Magnetic Loss, Magnetic Property)
Frequency Response Analysis (Control Loop Response Bode Plot, Power Supply Rejection Ratio, Impedance)
- Measurement Plots
- Harmonics Bar Graph, Switching Loss Trajectory Plot, and Safe Operating Area
- Measurement limits
- Pass/fail testing for user-definable limits on measurement values. Act on event for measurement value failures include Save Screen Capture, Save Waveform, System Request (SRQ), and Stop Acquisitions
- Inverter Motor Drive Analysis (option 6-IMDA) adds the following:
-
- Measurements
-
Input Analysis (Power Quality, Harmonics, Input Voltage, Input Current, and Input Power)
Ripple analysis (Line Ripple and Switching Ripple)
Output analysis (Phasor Diagram and Efficiency)
DQ0 analysis (DQ0) Requires option 6-IMDA-DQ0
- Measurement plots
- Harmonics Bar Graph and Phasor Diagram
- Invertor Motor Drive Analysis Mechanical Measurements (option 6-IMDA-MECH: requires option 6-IMDA) adds the following:
-
- Sensors supported
- Hall sensors, QEI (Quadrature Encoder Interface)
- Measurements
-
Electrical Analysis (Power Quality, Harmonics, Ripple, DQ0, and Efficiency)
Mechanical Analysis (Speed, Acceleration, Angle (QEI method), Direction, and Torque)
- Measurement plots
- Time Trend, Acquisition Trend, Phasor Diagram, Harmonics Bar Graph, DQ0, and Histogram (speed distribution)
- Digital power management (option 6-DPM) adds the following:
-
- Measurements
- Ripple Analysis (Ripple)
- Transient Analysis (Overshoot, Undershoot, Turn On Overshoot, DC Rail Voltage)
- Power Sequence Analysis (Turn-on, Turn-off)
- Jitter Analysis (TIE, PJ, RJ, DJ, Eye Height, Eye Width, Eye High, Eye Low)
- PI/SI Analysis (PSIJ)
- DDR3/LPDDR3 memory debug and analysis option (6-DBDDR3) adds the following:
-
- Measurements
-
Amplitude Measurements (AOS, AUS, Vix(ac), AOS Per tCK, AUS Per tCK, AOS Per UI, AUS Per UI)
Time Measurements (tRPRE, tWPRE, tPST, Hold Diff, Setup Diff, tCH(avg), tCK(avg), tCL(avg), tCH(abs), tCL(abs), tJIT(duty), tJIT(per), tJIT(cc), tERR(n), tERR(m-n), tDQSCK, tCMD-CMD, tCKSRE, tCKSRX)
- LVDS debug and analysis option (option 6-DBLVDS) adds the following:
-
- Data Lane Measurements
-
Generic Test (Unit Interval, Rise Time, Fall Time, Data Width, Data Intra Skew (PN), Data Inter Skew (Lane-to-Lane), Data Peak-to-Peak)
Jitter Test (AC Timing, Clock Data Setup Time, Clock Data Hold Time, Eye Diagram (TIE), TJ@BER, DJ Delta, RJ Delta, DDJ, De-Emphasis Level)
-
- Clock Lane Measurements
-
Generic Test (Frequency, Period, Duty Cycle, Rise Time, Fall Time, Clock Intra Skew (PN), Clock Peak-to-Peak)
Jitter Test (TIE, DJ, RJ)
SSC On (Mod Rate, Frequency Deviation Mean)
Waveform math
- Number of math waveforms
- Unlimited
- Arithmetic
- Add, subtract, multiply, and divide waveforms and scalars
- Algebraic expressions
- Define extensive algebraic expressions including waveforms, scalars, user-adjustable variables, and results of parametric measurements. Perform math on math using complex equations. For example (Integral (CH1 - Mean(CH1)) X 1.414 X VAR1)
- Math functions
- Invert, Integrate, Differentiate, Square Root, Exponential, Log 10, Log e, Abs, Ceiling, Floor, Min, Max, Degrees, Radians, Sin, Cos, Tan, ASin, ACos, and ATan
- Relational
- Boolean result of comparison >, <, ≥, ≤, =, and ≠
- Logic
- AND, OR, NAND, NOR, XOR, and EQV
- Filtering function (standard)
- Loading of user-definable filters. Users specify a file containing the coefficients of the filter.
- Filtering function (option 6-UDFLT)
-
- Filter types
- Low pass, High pass, Band pass, Band stop, All pass, Hilbert, Differentiator, and Custom
- Filter response types
- Butterworth, Chebyshev I, Chebyshev II, Elliptical, Gaussian, and Bessel-Thomson
- FFT functions
- Spectral Magnitude and Phase, and Real and Imaginary Spectra
- FFT vertical units
-
Magnitude: Linear and Log (dBm)
Phase: Degrees, Radians, and Group Delay
- FFT window functions
- Hanning, Rectangular, Hamming, Blackman-Harris, Flattop2, Gaussian, Kaiser-Bessel, and TekExp
Spectrum View
- Center Frequency
- Limited by instrument analog bandwidth
- Span
- 74.5 Hz – 1.25 GHz (Standard)
74.5 Hz - 2 GHz (with option 6-SV-BW-1; 2 GHz max span available on up to 4 channels; 1 GHz max span on >4 channels)
Coarse adjustment in a 1-2-5 sequence
Note: Enabling Spectrum View halves the maximum sample rate of time domain acquisition. When spans are ≥ 1.25 GHz, maximum sample rate is halved again.
- RF Measurements
- Channel Power (CHP), Adjacent Channel Power Ratio (ACPR), and Occupied Bandwidth (OBW) measurements on Spectrum View trace data and display
- RF vs. Time Traces
- Magnitude vs. time, Frequency vs. time, Phase vs. time (with option 6-SV-RFVT)
- RF vs. Time Trigger
- Edge, pulse width, and timeout trigger on RF Magnitude vs. Time and RF Frequency vs. Time (with option 6-SV-RFVT)
- Spectrograms
- RF Frequency vs. Time vs. Amplitude display with frequency on x-axis, time on y-axis, and power level indicated by variations in color (with option 6-SV-RFVT)
- Resolution Bandwidth (RBW)
- 93 μHz to 62.5 MHz
- 93 μHz to 100 MHz (with option 6-SV-BW-1)
- IQ capture
- The data is stored as in-phase and quadrature (I&Q) samples and precise synchronization is maintained between the time domain data and the I&Q data.
- When RF vs. Time traces are activated (with option 6-SV-RFVT), IQ data can be captured and exported to file for more analysis within 3rd party applications.
- The max acquisition time varies with span and sample rate. At 25 GS/s and 2 GHz span, the max acquisition time is 0.086 seconds. For 1 GHz span, the max acquisition time is 0.172 seconds. For 40 MHz span, the max acquisition time is 2.749 seconds. For 1 MHz span, the max acquisition time is 87.961 seconds.
- Window types and factors
-
Window type Factor Blackman-Harris 1.90 Flat-Top 2 3.77 Hamming 1.30 Hanning 1.44 Kaiser-Bessel 2.23 Rectangular 0.89
- Spectrum Time
- FFT Window Factor / RBW
- Reference level
- Reference level is automatically set by the analog channel Volts/div setting
- Setting range: -42 dBm to +44 dBm
- Vertical Position
- -100 divs to +100 divs
- Vertical units
- dBm, dBµW, dBmV, dBµV, dBmA, dBµA
- Vertical scaling
- Linear, Log
- Horizontal scaling
- Linear, Log
- Multi-channel spectrum analysis
- Each FlexChannel input can be configured with Spectrum View, RF vs. Time traces (with option RFVT), and Spectrogram (with option RFVT).
- Multiple RF measurements can be performed simultaneously across channels.
- Spectrum Time and Center Frequency settings can be unlocked and moved independently from each other across channels. All Spectrum View channels must share the same Span, Resolution Bandwidth and Window Type.
Search
- Number of searches
- Unlimited
- Search types
- Search through long records to find all occurrences of user specified criteria including edges, pulse widths, timeouts, runt pulses, window violations, logic patterns, setup & hold violations, rise/fall times, and bus protocol events. Search results can be viewed in the Waveform View or in the Results table.
Save
- Save
- Save files directly to the oscilloscope or USB media, to a remote network drive, or to your TekDrive collaboration workspace.
- Waveform type
- Tektronix Waveform Data (.wfm), Comma Separated Values (.csv), MATLAB (.mat)
- Waveform gating
- Cursors, Screen, Resample (save every nth sample)
- Screen capture type
- Portable Network Graphic (*.png), 24-bit Bitmap (*.bmp), JPEG (*.jpg)
- Setup type
- Tektronix Setup (.set)
- Report type
- Adobe Portable Documents (.pdf), Single File web Pages (.mht)
- Session type
- Tektronix Session Setup (.tss)
Display
- Display type
- 15.6 in. (395 mm) liquid-crystal TFT color display
- Display resolution
- 1,920 horizontal × 1,080 vertical pixels (High Definition)
- Display modes
-
Overlay: traditional oscilloscope display where traces overlay each other
Stacked: display mode where each waveform is placed in its own slice and can take advantage of the full ADC range while still being visually separated from other waveforms. Groups of channels can also be overlaid within a slice to simplify visual comparison of signals.
- Zoom
- Horizontal and vertical zooming is supported in all waveform and plot views.
- Interpolation
- Sin(x)/x and Linear
- Waveform styles
- Vectors, dots, variable persistence, and infinite persistence
- Graticules
- Movable and fixed graticules, selectable between Grid, Time, Full, and None
- Color palettes
-
Normal and inverted for screen captures
Individual waveform colors are user-selectable
- Fonts
- Font size is user selectable from 12 to 20 (default is 15)
- Format
- YT, XY, and XYZ
- Local Language User Interface
- English, Japanese, Simplified Chinese, Traditional Chinese, French, German, Italian, Spanish, Portuguese, Russian, Korean
- Local Language Help
- English, Japanese, Simplified Chinese
Arbitrary-Function Generator (optional)
- Modes of operation
- Off, Continuous, Burst
- Function types
- Arbitrary, sine, square, pulse, ramp, triangle, DC level, Gaussian, Lorentz, exponential rise/fall, sin(x)/x, random noise, Haversine, Cardiac
- Amplitude range
- Values are peak-to-peak voltages
Waveform 50 Ω 1 MΩ Arbitrary 10 mV to 2.5 V 20 mV to 5 V Sine 10 mV to 2.5 V 20 mV to 5 V Square 10 mV to 2.5 V 20 mV to 5 V Pulse 10 mV to 2.5 V 20 mV to 5 V Ramp 10 mV to 2.5 V 20 mV to 5 V Triangle 10 mV to 2.5 V 20 mV to 5 V Gaussian 10 mV to 1.25 V 20 mV to 2.5 V Lorentz 10 mV to 1.2 V 20 mV to 2.4 V Exponential Rise 10 mV to 1.25 V 20 mV to 2.5 V Exponential Fall 10 mV to 1.25 V 20 mV to 2.5 V Sine(x)/x 10 mV to 1.5 V 20 mV to 3.0 V Random Noise 10 mV to 2.5 V 20 mV to 5 V Haversine 10 mV to 1.25 V 20 mV to 2.5 V Cardiac 10 mV to 2.5 V 20 mV to 5 V
- Sine waveform
-
- Frequency range
- 0.1 Hz to 50 MHz
- Frequency setting resolution
- 0.1 Hz
- Frequency accuracy
-
130 ppm (frequency ≤ 10 kHz), 50 ppm (frequency > 10 kHz)
This is for Sine, Ramp, Square and Pulse waveforms only.
- Amplitude range
- 20 mVpp to 5 Vpp into Hi-Z; 10 mVpp to 2.5 Vpp into 50 Ω
- Amplitude flatness, typical
-
±0.5 dB (relative to 1kHz level) at 30 MHz
±1.0 dB (relative to 1kHz level) at 50 MHz
- Total harmonic distortion, typical
-
1% for amplitude ≥ 200 mVpp into 50 Ω load
2.5% for amplitude > 50 mV AND < 200 mVpp into 50 Ω load
- Spurious free dynamic range, typical
-
40 dB (Vpp ≥ 0.1 V); 30 dB (Vpp ≥ 0.02 V), 50 Ω load
- Square and pulse waveform
-
- Frequency range
- 0.1 Hz to 25 MHz
- Frequency setting resolution
- 0.1 Hz
- Frequency accuracy
- 130 ppm (frequency ≤ 10 kHz), 50 ppm (frequency > 10 kHz)
- Amplitude range
- 20 mVpp to 5 Vpp into Hi-Z; 10 mVpp to 2.5 Vpp into 50 Ω
- Duty cycle range
- 10% - 90% or 10 ns minimum pulse, whichever is larger
- Minimum pulse time applies to both on and off time, so maximum duty cycle will reduce at higher frequencies to maintain 10 ns off time
- Duty cycle resolution
- 0.1%
- Minimum pulse width, typical
- 10 ns. This is the minimum time for either on or off duration.
- Rise/Fall time, typical
- 5 ns, 10% - 90%
- Pulse width resolution
- 100 ps
- Overshoot, typical
- < 6% for signal steps greater than 100 mVpp
- This applies to overshoot of the positive-going transition (+overshoot) and of the negative-going (-overshoot) transition
- Asymmetry, typical
- ±1% ±5 ns, at 50% duty cycle
- Jitter, typical
- < 60 ps TIERMS, ≥ 100 mVpp amplitude, 40%-60% duty cycle
Square and pulse waveforms, 5 GHz measurement BW.
- Ramp and triangle waveform
-
- Frequency range
- 0.1 Hz to 500 kHz
- Frequency setting resolution
- 0.1 Hz
- Frequency accuracy
- 130 ppm (frequency ≤ 10 kHz), 50 ppm (frequency > 10 kHz)
- Amplitude range
- 20 mVpp to 5 Vpp into Hi-Z; 10 mVpp to 2.5 Vpp into 50 Ω
- Variable symmetry
- 0% - 100%
- Symmetry resolution
- 0.1%
- DC level range
-
±2.5 V into Hi-Z
±1.25 V into 50 Ω
- Random noise amplitude range
-
20 mVpp to 5 Vpp into Hi-Z
10 mVpp to 2.5 Vpp into 50 Ω
- Sin(x)/x
-
- Maximum frequency
- 2 MHz
- Gaussian pulse, Haversine, and Lorentz pulse
-
- Maximum frequency
- 5 MHz
- Lorentz pulse
-
- Frequency range
- 0.1 Hz to 5 MHz
- Amplitude range
- 20 mVpp to 2.4 Vpp into Hi-Z
10 mVpp to 1.2 Vpp into 50 Ω
- Cardiac
-
- Frequency range
- 0.1 Hz to 500 kHz
- Amplitude range
- 20 mVpp to 5 Vpp into Hi-Z
10 mVpp to 2.5 Vpp into 50 Ω
- Arbitrary
-
- Memory depth
- 1 to 128 k
- Amplitude range
- 20 mVpp to 5 Vpp into Hi-Z
10 mVpp to 2.5 Vpp into 50 Ω
- Repetition rate
- 0.1 Hz to 25 MHz
- Sample rate
- 250 MS/s
- Signal amplitude accuracy
- ±[ (1.5% of peak-to-peak amplitude setting) + (1.5% of absolute DC offset setting) + 1 mV ] (frequency = 1 kHz)
- Signal amplitude resolution
-
1 mV (Hi-Z)
500 μV (50 Ω)
- DC offset range
-
±2.5 V into Hi-Z
±1.25 V into 50 Ω
- DC offset resolution
-
1 mV (Hi-Z)
500 μV (50 Ω)
- DC offset accuracy
-
±[ (1.5% of absolute offset voltage setting) + 1 mV ]
Add 3 mV of uncertainty per 10 °C change from 25 °C ambient
Digital volt meter (DVM)
- Measurement types
-
DC, ACRMS+DC, ACRMS, Trigger frequency count
- Voltage resolution
- 4 digits
- Voltage accuracy
-
- DC:
-
±((1.5% * |reading - offset - position|) + (0.5% * |(offset - position)|) + (0.1 * Volts/div))
De-rated at 0.100%/°C of |reading - offset - position| above 30 °C
Signal ± 5 divisions from screen center
- AC:
-
± 3% (40 Hz to 1 kHz) with no harmonic content outside 40 Hz to 1 kHz range
AC, typical: ± 2% (20 Hz to 10 kHz)
For AC measurements, the input channel vertical settings must allow the VPP input signal to cover between 4 and 10 divisions and must be fully visible on the screen
Trigger frequency counter
- Resolution
- 8-digits
- Accuracy
-
±(1 count + time base accuracy * input frequency)
The signal must be at least 8 mVpp or 2 div, whichever is greater.
- Input frequency
- 10 Hz to maximum bandwidth of the analog channel
- The signal must be at least 8 mVpp or 2 div, whichever is greater.
Processor system
- Host processor
- Intel Core i5-8400H @2.5 GHz, 64-bit, quad core processor, 16 GB System RAM
- Operating system
-
Default instrument: Closed Embedded OS
Instrument with option 6-WIN installed: Microsoft Windows 10
- Standard SSD with Embedded OS
- ≥ 250 GB removable solid state drive
- Solid State Drive (SSD) with Microsoft Windows 10 OS (option 6-WIN)
- ≥ 500 GB SSD. Form factor is a 2.5-inch SSD with a SATA-3 interface. This drive is customer installable and includes the Microsoft Windows 10 Enterprise IoT 2016 LTSB (64-bit) operating system
Input-Output ports
- DisplayPort connector
- A 20-pin DisplayPort connector; connect to show the oscilloscope display on an external monitor or projector
- DVI connector
-
A 29-pin DVI-I connector; connect to show the oscilloscope display on an external monitor or projector
- VGA
-
DB-15 female connector; connect to show the oscilloscope display on an external monitor or projector
- Probe compensator signal, typical
-
- Connection:
- Connectors are located on the lower front right of the instrument
- Amplitude:
- 0 to 2.5 V
- Frequency:
- 1 kHz
- Source impedance:
- 1 kΩ
- External reference input
-
The time-base system can phase lock to an external 10 MHz reference signal .
There are two ranges for the reference clock.
The instrument can accept a high-accuracy reference clock of 10 MHz ±2 ppm or a lower-accuracy reference clock of 10 MHz ±1 kppm.
- USB interface (Host, Device ports)
- Front panel USB Host ports: Two USB 2.0 Hi-Speed ports, one USB 3.0 SuperSpeed port
- Rear panel USB Host ports: Two USB 2.0 Hi-Speed ports, two USB 3.0 SuperSpeed ports
- Rear panel USB Device port: One USB 3.0 SuperSpeed Device port providing USBTMC support
- Ethernet interface
- 10/100/1000 Mb/s
- Auxiliary output
-
Rear-panel BNC connector. Output can be configured to provide a positive or negative pulse out when the oscilloscope triggers, the internal oscilloscope reference clock out, or an AFG sync pulse
Characteristic Limits Vout (HI) ≥ 2.5 V open circuit; ≥ 1.0 V into a 50 Ω load to ground Vout (LO) ≤ 0.7 V into a load of ≤ 4 mA; ≤0.25 V into a 50 Ω load to ground
- Kensington-style lock
- Rear-panel security slot connects to standard Kensington-style lock
- LXI
-
Class: LXI Core 2011
Version: 1.5
Power source
- Power
-
- Power consumption
-
500 Watts maximum
- Source voltage
- 100 - 240 V ±10% at 50 Hz to 60 Hz
- 115 V ±10% at 400 Hz
Physical characteristics
- Dimensions
-
Height: 12.2 in (309 mm), feet folded in, handle to back
Height: 14.6 in (371 mm) feet folded in, handle up
Width: 17.9 in (454 mm) from handle hub to handle hub
Depth: 8.0 in (205 mm) from back of feet to front of knobs, handle up
Depth: 11.7 in (297.2 mm) feet folded in, handle to the back
- Weight
- < 29.8 lbs (13.52 kg)
- Cooling
- The clearance requirement for adequate cooling is 2.0 in (50.8 mm) on the right side of the instrument (when viewed from the front) and on the rear of the instrument
- Rackmount configuration
- 7U (with optional RM5 Rackmount Kit)
Environmental specifications
- Temperature
-
- Operating
- +0 °C to +50 °C (32 °F to 122 °F)
- Non-operating
- -20 °C to +60 °C (-4 °F to 140 °F)
- Humidity
-
- Operating
- 5% to 90% relative humidity (% RH) at up to +40 °C
- 5% to 55% RH above +40 °C up to +50 °C, noncondensing
- Non-operating
- 5% to 90% relative humidity (% RH) at up to +60 °C, noncondensing
- Altitude
-
- Operating
- Up to 3,000 meters (9,843 feet)
- Non-operating
- Up to 12,000 meters (39,370 feet)
- Temperature
-
- Operating
- +0 °C to +50 °C (32 °F to 122 °F)
- Non-operating
-
-20 °C to +60 °C (-4 °F to 140 °F)
- Humidity
-
- Operating
-
5% to 90% relative humidity (% RH) at up to +40 °C
5% to 55% RH above +40 °C up to +50 °C, noncondensing
- Non-operating
-
5% to 90% relative humidity (% RH) at up to +60 °C, noncondensing
- Altitude
-
- Operating
- Up to 3,000 meters (9,843 feet)
- Non-operating
- Up to 12,000 meters (39,370 feet)
EMC, Environmental, and Safety
- Safety certification
- US NRTL Listed - UL61010-1 and UL61010-2-030
- Canadian Certification - CAN/CSA-C22.2 No. 61010.1 and CAN/CSA-C22.2 No 61010.2.030
- EU Compliance - Low Voltage Directive 2014-35-EU and EN61010-1.
- International Compliance - IEC 61010-1 and IEC61010-2-030
- Regulatory
-
CE marked for the European Union and UL approved for the USA and Canada
RoHS compliant
Software
-
- IVI driver
-
Provides a standard instrument programming interface for common applications such as LabVIEW, LabWindows/CVI, Microsoft .NET, and MATLAB. Compatible with Python, C/C++/C# and many other languages through VISA.
- e*Scope®
-
Enables control of the oscilloscope over a network connection through a standard web browser. Simply enter the IP address or network name of the oscilloscope and a web page will be served to the browser. Transfer and save settings, waveforms, measurements, and screen images or make live control changes to settings on the oscilloscope directly from the web browser. Optionally configure e*Scope authentication to password protect access to control and view the oscilloscope.
- TekDrive
- Upload, store, organize, search, download, and share any file type from any connected device. TekDrive is natively integrated into the instrument for seamless sharing and recalling of files - no USB stick is required. Analyze and explore standard files like .wfm, .isf, .tss, and .csv, directly in a browser. Visit http://www.tek.com/software/tekdrive to learn more.
- SignalVu-PC
- Advanced vector signal analysis software that can run directly on your 6 Series MSO or on a separate Windows PC. Requires option 6-SV-RFVT installed on the 6 Series MSO. Requires Connect license (CONxx-SVPC) installed on SignalVu-PC, xx is NL for Node Locked license or FL for Floating License.
- LXI Web interface
-
Connect to the oscilloscope through a standard Web browser by simply entering the oscilloscope's IP address or network name in the address bar of the browser. The Web interface enables viewing of instrument status and configuration, status and modification of network settings, and instrument control through the e*Scope web-based remote control.
- Programming Examples
-
Programming with the 4/5/6 Series platforms has never been easier. With a programmers manual and a GitHub site you have many commands and examples to help you get started remotely automating your instrument. See https://github.com/tektronix/programmatic-control-examples.
Ordering information
Use the following steps to select the appropriate instrument and options for your measurement needs.
Step 1
- Each model includes
- One TPP1000 1 GHz probe per FlexChannel
- Installation and safety manual
- Embedded Help
- Front cover with integrated accessory pouch
- Power cord
- Calibration certificate documenting traceability to National Metrology Institute(s) and ISO9001/ISO17025 quality system registration
- One-year warranty covering all parts and labor on the instrument.
- One-year warranty covering all parts and labor on included probes
Step 2
- Configure your oscilloscope by selecting the analog channel bandwidth you need
- Choose the bandwidth you need today by choosing one of these bandwidth options. You can upgrade it later by purchasing an upgrade option.
Bandwidth Option Bandwidth 6-BW-1000 1 GHz 6-BW-2500 2.5 GHz 6-BW-4000 4 GHz 6-BW-6000 6 GHz 6-BW-8000 8 GHz 6-BW-10000 10 GHz Note: For instruments of 4, 6, 8 or 10 GHz bandwidth, consider a BNC-to-SMA adapter to optimize a high bandwidth connection to the oscilloscope. Tektronix part number 103-0503-XX.
Step 3
- Add instrument functionality by adding an option bundle
-
Three classes of option bundles are offered (Starter, Pro, Ultimate), providing a range of options depending on your budget and application needs. For detailed information on the current contents of each bundle, please visit our website and view the software bundle brochure at https://www.tek.com/document/brochure/software-bundles-for-the-4-5-and-6-series-mso-oscilloscopes.
- Starter bundle offers the most common serial bus decoding, protocol analysis, power measurements and analysis, and hardware enhancing options bundled together.
- Pro bundles are application-specific (Serial trigger and decode, Power Integrity, Signal Integrity, Automotive, Automated Compliance Test, Military Government Aerospace), and include all options from the Starter bundle.
- Ultimate bundle includes all options from the Starter bundle in addition to the all options from all Pro bundles.
1 Year license Perpetual license Bundle description 6-STARTER-1Y 6-STARTER-PER Includes I2C, SPI, RS-232/422/UART serial trigger and analysis, AFG (Arbitrary/Function Generator), and power measurements and analysis 6-PRO-SERIAL-1Y 6-PRO-SERIAL-PER Includes 6-STARTER plus 250 MS/ch record length, and additional select serial analysis options 6-PRO-POWER-1Y 6-PRO-POWER-PER Includes 6-STARTER plus 250 MS/ch record length, and select power analysis options 6-PRO-SIGNAL-1Y6 6-PRO-SIGNAL-PER Includes 6-STARTER plus 250 MS/ch record length, advanced Jitter, and select analysis options 6-PRO-COMPL-1Y6 6-PRO-COMPL-PER Includes 6-STARTER plus 250 MS/ch record length, advanced Jitter, and select automated compliance test options 6-PRO-AUTO-1Y6 6-PRO-AUTO-PER Includes 6-STARTER plus 250 MS/ch record length, advanced Jitter and select automotive analysis options 6-PRO-MILGOV-1Y 6-PRO-MILGOV-PER Includes 6-STARTER plus 250 MS/ch record length, advanced Jitter, mask test, and select serial analysis options 6-ULTIMATE-1Y 6-ULTIMATE-PER Includes 6-STARTER, all 6-PRO bundle options plus 1 GS/ch record length, RF vs. Time traces, triggers, Spectrograms, and IQ capture, extended Spectrum View capture bandwidth, and video trigger options -
Each purchased bundle has two duration options:
- A 1-year subscription includes all features and free upgrades for the purchased bundle for one year; after which time the features are disabled. Additional 1-year subscription can be purchased for the selected bundle.
- A perpetual subscription enables all features for the purchased bundle permanently. A perpetual subscription includes 1-year of free upgrades to the bundle feature set. After the year, the feature set is frozen to those enabled by the last update made.
Perpetual bundles can continue to receive upgrades following the 1 year activation period with the purchase of a maintenance license. Maintenance license information can be found in the maintenance license table below and must be purchased for an existing Starter, Pro, or Ultimate bundle.
Maintenance license Description 6-STARTER-MNT-1Y Includes Perpetual Starter Bundle updates for 1 Year on 6 Series MSO 6-PRO-MNT-1Y Includes Perpetual Pro Bundle updates for 1 Year on 6 Series MSO 6-ULTIMATE-MNT-1Y Includes Perpetual Ultimate Bundle updates for 1 Year on 6 Series MSO
Step 4
- Add instrument functionality
-
Instrument functionality can be ordered with the instrument or later as an upgrade kit.
Instrument option Built-in functionality 6-RL-1 Extend record length from 62.5 Mpoints/channel to 125 Mpoints/channel 6-RL-2 Extend record length from 62.5 Mpts/channel to 250 Mpts/channel 6-RL-3 Extend record length from 62.5 Mpoints/channel to 500 Mpoints/channel
6-RL-4 Extend record length from 62.5 Mpoints/channel to 1 Gpoints/channel
6-AFG Add Arbitrary/Function Generator 6-WIN Add removable SSD with Microsoft Windows 10 operating system license
Step 5
- Add optional protocol triggering, decode, and search capabilities
- Choose the protocol support you need today by choosing from these analysis options. You can upgrade later by purchasing an upgrade kit.
Instrument option Protocols supported 6-RFNFC ISO/IEC 15693, 14443A, 14443B, and FeliCa (decode and search only) 6-SRAERO Aerospace (MIL-STD-1553, ARINC 429) 6-SRAUDIO Audio (I2S, LJ, RJ, TDM) 6-SRAUTO Automotive (CAN, CAN FD, CAN XL, LIN, FlexRay, and CAN symbolic decoding) 6-SRAUTOEN1 100Base-T1 and 10BASE-T1S Automotive Ethernet serial analysis 6-SRAUTOSEN Automotive sensor (SENT) 6-SRCOMP Computer (RS-232/422/485/UART) 6-SRCPHY MIPI C-PHY Vx.x (DSI-2, CSI-2 decode and search only) 6-SRCXPI CXPI (decode and search only) 6-SRDPHY MIPI D-PHY (DSI-1, CSI-2 decode and search only) 6-SREMBD Embedded (I2C, SPI) 6-SRENET Ethernet (10BASE-T, 100BASE-TX) 6-SRESPI eSPI (decode and search only) 6-SRETHERCAT EtherCAT (decode and search only) 6-SR8B10B 8B/10B (decode and search only) 6-SRI3C MIPI I3C 6-SRMANCH Manchester (decode and search only) 6-SRMDIO MDIO (decode and search only) 6-SRNRZ NRZ (decode and search only) 6-SRONEWIRE One wire (1-Wire decode and search only) 6-SRPCIE321 PCIe Gen1, Gen2, Gen3 (decode and search only) 6-SRPM Power Management (SPMI) 6-SRPSI5 PSI5 (decode and search only) 6-SRSDLC Synchronous Data Link Control Protocol Decode & Search 6-SRSMBUS SMBus (decode and search only) 6-SRSPACEWIRE Spacewire (decode and search only) 6-SRSVID SVID 6-SRUSB2 USB (USB2.0 LS, FS, HS) 6-SREUSB2 eUSB2.0 (decode and search only) 6-SRUSB3 USB 3.0, USB 3.1 Gen1, USB 3.2 Gen1 (decode and search only) -
Differential serial bus? Be sure to check Add analog probes and adapters for differential probes.
- Add third party serial bus decode and analysis capabilities
-
Third-party applications are available that provide serial bus decode and analysis capabilities for use on the 6 Series B MSO. Use of the third-party applications require a Windows 10 SSD (option 6-WIN).
Serial bus Third party contact information Embedded Multi-media Controller (eMMC) memory Prodigy Technovations (http://prodigytechno.com) Quad Serial Peripheral Interface (QSPI) - 2 enhanced IO lines for SPI Secure Digital Input Output (SDIO)
Step 6
- Add optional serial bus compliance testing
-
Choose the serial compliance testing packages you need today by choosing from these options. You can upgrade later by purchasing an upgrade kit. All options in the table below require option 6-WIN (SSD with Microsoft Windows 10 operating system).
Instrument option Serial buses supported 6-CMAUTOEN Automotive Ethernet (100Base-T1, 1000Base-T1) automated compliance test solution. ≥2 GHz bandwidth required for 1000BASE-T1
6-CMAUTOEN10 Automotive Ethernet (10BASE-T1S Short Reach) automated compliance test solution. 6-CMAUTOEN10G Automotive Ethernet (MultiGBase-T1) automated compliance test solution. Requires option 6-DJA. 6-AUTOEN-BND Automotive Ethernet Compliance, Signal Separation, PAM3 Analysis, 100Base-T1 Decode software (requires options 6-DJA and 6-WIN) 6-AUTOEN-SS Automotive Ethernet Signal Separation 6-CMINDUEN10 Industrial Ethernet (10Base-T1L Long Reach) automated compliance test solution 6-CMCPHY20 MIPI C-PHY 2.0 Tx Test automated conformance test solution (requires option 6-DJA) 6-CMDPHY MIPI D-PHY 1.2 automated compliance test solution 6-CMDPHY21 MIPI D-PHY 2.1 Tx Test automated conformance test solution (requires option 6-DJA) 6-CMENET Ethernet automated compliance test solution (10BASE-T/100BASE-T/1000BASE-T). ≥1 GHz bandwidth required for 1000BASE-T
6-CMENETML Multilane Ethernet (10Base-T, 100Base-T, 1000Base-T) automated compliance test solution 6-CMNBASET 2.5 and 5 GBASE-T Ethernet automated compliance test solution. 2.5 GHz is recommended
6-CMXGBT 10 GBASE-T Ethernet automated compliance test solution. ≥4 GHz is recommended
6-CMUSB2 USB2.0 automated compliance test solution. Requires TDSUSBF USB test fixture
≥2 GHz bandwidth required for high-speed USB
Step 7
- Add optional memory analysis
-
Instrument option Advanced analysis 6-DBDDR3 DDR3 and LPDDR3 Debug and Analysis 6-CMDDR3 DDR3 and LPDDR3 automated compliance test solution using TekExpress Automation Platform. Requires options 6-DBDDR3, 6-DJA and 6-WIN (SSD with Microsoft Windows 10 operating system).
≥4 GHz required, 8 GHz recommended for testing of all DDR3 speeds.
Step 8
- Add optional analysis capabilities
-
Instrument option Advanced analysis 6-DBLVDS TekExpress automated LVDS test solution (requires options 6-DJA and 6-WIN) 6-DJA Advanced Jitter and Eye Analysis 6-DPM Digital Power Management 6-IMDA7 Inverter Motor Drive Analysis 6-IMDA-DQ07 DQ0 feature for Inverter Motor Drive Analysis(requires option 6-IMDA) 6-IMDA-MEC7 Mechanical measurements for Inverter Motor Drive Analysis (requires option 6-IMDA) 6-MTM Mask and Limit testing 6-PAM3 PAM3 analysis (requires options 6-DJA and 6-WIN) 6-PS28 Power solution bundle (6-PWR, THDP0200, TCP0030A, 067-1686-XX deskew fixture) 6-PWR9 Power Measurement and Analysis 6-SV-BW-1 Increase Spectrum View Capture Bandwidth to 2 GHz 6-SV-RFVT Spectrum View RF vs. Time traces, triggers, Spectrograms, and IQ capture 6-TDR Time Domain Reflectometry 6-UDFLT User Defined Filter Creation Tool 6-VID NTSC, PAL, and SECAM video triggering 6-WBG-DPT Wide Bandgap SiC/GaN Double Pulse Test Measurements and Analysis
- Add vector signal analysis
- SignalVu-PC is a stand-alone application that can be run on a 6 Series MSO or on a separate Windows PC to provide advanced vector signal analysis. In order to run SignalVu-PC on your 6 Series MSO, three options are required.
-
- To run the application on the instrument, the Windows SSD (6-WIN) needs to be installed in the oscilloscope.
- The Spectrum View RF versus time traces option (6-SV-RFVT) needs to be installed in the oscilloscope to enable I/Q data transfer.
- The Connect (CONxx-SVPC) license needs to be installed in SignalVu-PC to enable base features of the application, which includes 16+ RF measurements and displays.
Step 9
- Add digital probes
- Each FlexChannel input can be configured as eight digital channels simply by connecting a TLP058 logic probe to a FlexChannel input..
For this instrument Order To add MSO64B 1 to 4 TLP058 Probes 8 to 32 digital channels MSO66B 1 to 6 TLP058 Probes 8 to 48 digital channels MSO68B 1 to 8 TLP058 Probes 8 to 64 digital channels
Step 10
- Add analog probes and adapters
- Add additional recommended probes and adapters
Recommended Probe / Adapter Description TAP1500 1.5 GHz TekVPI® active single-ended voltage probe, ±8 V input voltage TAP2500 2.5 GHz TekVPI® active single-ended voltage probe, ±4 V input voltage TAP3500 3.5 GHz TekVPI® active single-ended voltage probe, ±4 V input voltage TAP4000 4 GHz TekVPI® active single-ended voltage probe, ±4 V input voltage TCP0020 20 A AC/DC TekVPI® current probe, 50 MHz BW TCP0030A 30 A AC/DC TekVPI current probe, 120 MHz BW TCP0150 150 A AC/DC TekVPI® current probe, 20 MHz BW TCPA300 100 MHz Current Probe, Amplifier (Requires Probe); Recommend using TPA-BNC adapter to provide autoscaling. TCP312A DC-100 MHz, AC/DC Current Probe; 30 Amp DC TRCP0300 30 MHz AC current probe, 250 mA to 300 A TRCP0600 30 MHz AC current probe, 500 mA to 600 A TRCP3000 16 MHz AC current probe, 500 mA to 3000 A TDP0500 500 MHz TekVPI® differential voltage probe, ±42 V differential input voltage TDP1000 1 GHz TekVPI® differential voltage probe, ±42 V differential input voltage TDP1500 1.5 GHz TekVPI® differential voltage probe, ±8.5 V differential input voltage TDP3500 3.5 GHz TekVPI® differential voltage probe, ±2 V differential input voltage TDP4000 4 GHz TekVPI® differential voltage probe, ±2 V differential input voltage TDP7704 4 GHz TriMode™ voltage probe TDP7706 6 GHz TriMode™ voltage probe TDP7708 8 GHz TriMode™ voltage probe TDP7710 10 GHz TriMode™ voltage probe THDP0100 ±6 kV, 100 MHz TekVPI® high-voltage differential probe THDP0200 ±1.5 kV, 200 MHz TekVPI® high-voltage differential probe TMDP0200 ±750 V, 200 MHz TekVPI® high-voltage differential probe TPR1000 1 GHz, Single-Ended TekVPI® Power-Rail Probe; includes one TPR4KIT accessory kit TPR4000 4 GHz, Single-Ended TekVPI® Power-Rail Probe; includes one TPR4KIT accessory kit TIVP02 Isolated Probe; 200 MHz, ±5 V to ±2500 V depending on tip; 2 meter cable TIVP02L Isolated Probe; 200 MHz, ±5 V to ±2500 V depending on tip; 10 meter cable TIVP05 Isolated Probe; 500 MHz, ±5 V to ±2500 V depending on tip; 2 meter cable TIVP05L Isolated Probe; 500 MHz, ±5 V to ±2500 V depending on tip; 10 meter cable TIVP1 Isolated Probe; 1 GHz, ±5 V to ±2500 V depending on tip; 2 meter cable TIVP1L Isolated Probe; 1 GHz, ±5 V to ±2500 V depending on tip; 10 meter cable TPP0502 500 MHz, 2X TekVPI® passive voltage probe, 12.7 pF input capacitance TPP0850 2.5 kV, 800 MHz, 50X TekVPI® passive high-voltage probe P6015A 20 kV, 75 MHz high-voltage passive probe TPA-BNC TekVPI® to TekProbe™ BNC adapter (recommended for connecting your existing TekProbe probes to this instrument) 103-0503-xx BNC-to-SMA adapter; rated to 12 GHz TEK-DPG TekVPI deskew pulse generator signal source 067-1686-xx Power measurement deskew and calibration fixture - Looking for other probes? Check out the probe selector tool at www.tek.com/probes.
Step 11
- Add accessories
- Add traveling or mounting accessories
Optional Accessory Description HC5 Hard carrying case RM5 Rackmount kit GPIB to Ethernet adapter Order model 4865B (GPIB to Ethernet to Instrument Interface) directly from ICS Electronics
Step 12
- Select power cord option
-
Power Cord Option Description A0 North America power plug (115 V, 60 Hz) A1 Universal Euro power plug (220 V, 50 Hz) A2 United Kingdom power plug (240 V, 50 Hz) A3 Australia power plug (240 V, 50 Hz) A5 Switzerland power plug (220 V, 50 Hz) A6 Japan power plug (100 V, 50/60 Hz) A10 China power plug (50 Hz) A11 India power plug (50 Hz) A12 Brazil power plug (60 Hz) A99 No power cord
Step 13
Protect your investment and your uptime with a service package for your instrument.
Optimize the lifetime value of your purchase and lower your total cost of ownership with a calibration and extended warranty plan for your instrument. Plans range from standard warranty extensions covering parts, labor, and 2-day shipping to Total Product Protection with repair or replacement coverage from wear and tear, accidental damage, ESD or EOS. See the table below for specific service options available on the 6 Series B MSO family of products. Compare factory service plans https://www.tek.com/en/services/factory-service-plans.
Additionally, Tektronix is a leading accredited calibration services provider for all brands of electronic test and measurement equipment, servicing more than 140,000 models from 9,000 manufacturers. With 100+ labs worldwide, Tektronix serves as a global partner, delivering tailored whole-site calibration programs with OEM quality at a market price. View whole site calibration service capabilities https://www.tek.com/en/services/calibration-services.
- Add extended service and calibration options
-
Service Option Description T3 R3 C3 Calibration service for 3 years. Includes traceable calibration or functional verification where applicable, for recommended calibrations. Coverage includes the initial calibration plus 2 years of calibration coverage. T5 R5 C5 Calibration service for 5 years. Includes traceable calibration or functional verification where applicable, for recommended calibrations. Coverage includes the initial calibration plus 4 years of calibration coverage.
Feature upgrades after purchase
- Add feature upgrades in the future
- The 6 Series products offer many ways to easily add functionality after the initial purchase. Node-locked licenses permanently enable optional features on a single product. Floating licenses allow license-enabled options to be easily moved between compatible instruments.
| Upgrade feature | Node-locked license upgrade | Floating license upgrade | Description |
|---|---|---|---|
| Add instrument functions | SUP6-AFG | SUP6-AFG-FL | Add arbitrary function generator |
| SUP6-RL-1 | SUP6-RL-1-FL | Extend record length from 62.5 Mpts to 125 Mpts/channel | |
| SUP6-RL-2 | SUP6-RL-2-FL | Extend record length from 62.5 Mpts to 250 Mpts/channel | |
| SUP6-RL-3 | SUP6-RL-3-FL | Extend record length from 62.5 Mpts to 500 Mpts/channel | |
| SUP6-RL-4 | SUP6-RL-4-FL | Extend record length from 62.5 Mpts to 1 Gpts/channel | |
| SUP6-RL-1T2 | SUP6-RL-1T2-FL | Extend record length from 125 Mpts to 250 Mpts/channel | |
| SUP6-RL-1T3 | SUP6-RL-1T3-FL | Extend record length from 125 Mpts to 500 Mpts/channel | |
| SUP6-RL-1T4 | SUP6-RL-1T4-FL | Extend record length from 125 Mpts to 1 Gpts/channel | |
| SUP6-RL-2T3 | SUP6-RL-2T3-FL | Extend record length from 250 Mpts to 500 Mpts/channel | |
| SUP6-RL-2T4 | SUP6-RL-2T4-FL | Extend record length from 250 Mpts to 1 Gpts/channel | |
| SUP6-RL-3T4 | SUP6-RL-3T4-FL | Extend record length from 500 Mpts to 1 Gpts/channel | |
| Add protocol analysis | SUP6-RFNFC | SUP6-RFNFC-FL | ISO/IEC 15693, 14443A, 14443B, and FeliCa (decode and search only) |
| SUP6-SRAERO | SUP6-SRAERO-FL | Aerospace serial triggering and analysis (MIL-STD-1553, ARINC 429) | |
| SUP6-SRAUDIO | SUP6-SRAUDIO-FL | Audio serial triggering and analysis (I2S, LJ, RJ, TDM) | |
| SUP6-SRAUTO | SUP6-SRAUTO-FL | Automotive serial triggering and analysis (CAN, CAN FD, CAN XL, LIN, FlexRay, and CAN symbolic decoding) | |
| SUP6-SRAUTOEN1 | SUP6-SRAUTOEN1-FL | 100Base-T1 and 10BASE-T1S Automotive Ethernet serial analysis | |
| SUP6-SRAUTOSEN | SUP6-SRAUTOSEN-FL | Automotive sensor serial triggering and analysis (SENT) | |
| SUP6-SRCOMP | SUP6-SRCOMP-FL | Computer serial triggering and analysis (RS-232/422/485/UART) | |
| SUP6-SRCPHY | SUP6-SRCPHY-FL | MIPI C-PHY serial analysis (DSI-2, CSI-2) | |
| SUP6-SRCXPI | SUP6-SRCXPI-FL | CXPI serial decoding and analysis | |
| SUP6-SRDPHY | SUP6-SRDPHY-FL | MIPI D-PHY serial analysis (DSI-1, CSI-2) | |
| SUP6-SREMBD | SUP6-SREMBD-FL | Embedded serial triggering and analysis (I2C, SPI) | |
| SUP6-SRENET | SUP6-SRENET-FL | Ethernet serial triggering and analysis (10Base-T, 100Base-TX) | |
| SUP6-SRESPI | SUP6-SRESPI-FL | eSPI serial decoding and analysis | |
| SUP6-SRETHERCAT | SUP6-SRETHERCAT-FL | EtherCAT serial decoding and analysis | |
| SUP6-CMXGBT | SUP6-CMXGBT-FL | 10 GBASE-T Ethernet automated compliance test solution ≥4 GHz is recommended | |
| SUP6-SREUSB2 | SUP6-SREUSB2-FL. | Embedded USB2 (eUSB2) serial decoding and analysis | |
| SUP6-SRI3C | SUP6-SRI3C-FL | MIPI I3C serial triggering and analysis | |
| SUP6-SRMANCH | SUP6-SRMANCH-FL | Manchester serial analysis | |
| SUP6-SRMDIO | SUP6-SRMDIO-FL | Management Data Input/Output (MDIO) serial decoding and analysis | |
| SUP6-SR8B10B | SUP6-SR8B10B-FL | 8b/10b serial decoding and analysis | |
| SUP6-SRNRZ | SUP6-SRNRZ-FL | NRZ serial decoding and analysis | |
| SUP6-SRONEWIRE | SUP6-SRONEWIRE-FL | One wire (1-Wire) serial decoding and analysis | |
| SUP6-SRPCIE321 | SUP6-SRPCIE321-FL | PCIe Gen1, Gen2, Gen3 (decode and search only) | |
| SUP6-SRPM | SUP6-SRPM-FL | Power Management serial triggering and analysis (SPMI) | |
| SUP6-SRPSI5 | SUP6-SRPSI5-FL | PSI5 serial decoding and analysis | |
| SUP6-SRSDLC | SUP6-SRSDLC-FL | Synchronous Data Link Control (SDLC) serial decoding and analysis | |
| SUP6-SRSMBUS | SUP6-SRSMBUS-FL | SMBus serial decoding and analysis | |
| SUP6-SRSPACEWIRE | SUP6-SRSPACEWIRE-FL | Spacewire serial analysis | |
| SUP6-SRSVID | SUP6-SRSVID-FL | Serial Voltage Identification (SVID) serial triggering and analysis | |
| SUP6-SRUSB2 | SUP6-SRUSB2-FL | USB 2.0 serial bus triggering and analysis (1.5 Mbps, 12 Mbps, 480 Mbps) | |
| SUP6-SRUSB3 | SUP6-SRUSB3-FL | USB 3.0, USB 3.1 Gen1, USB 3.2 Gen1 decode and analysis | |
|
Add serial compliance All serial compliance products require option 6-WIN (SSD with Microsoft Windows 10 operating system) |
SUP6-CMAUTOEN | SUP6-CMAUTOEN-FL | Automotive Ethernet automated compliance test solution (100BASE-T1 and 1000BASE-T1) |
| SUP6-CMAUTOEN10 | SUP6-CMAUTOEN10-FL | Automotive Ethernet (10BASE-T1S Short Reach) automated compliance test solution | |
| SUP6-CMAUTOEN10G | SUP6-CMAUTOEN10G-FL | Automotive Ethernet (MultiGigBase-T1) automated compliance test solution (requires option 6-DJA) | |
| SUP6-AUTOEN-BND | Automotive Ethernet compliance, signal separation, PAM3 analysis, 100Base-T1 serial analysis (requires option 6-DJA) | ||
| SUP6-AUTOEN-SS | SUP6-AUTOEN-SS-FL | Automotive Ethernet signal separation | |
| SUP6-CMINDUEN10 | SUP6-CMINDUEN10-FL | Industrial Ethernet (10Base-T1L Long Reach) automated compliance test solution | |
| SUP6-CMCPHY20 | SUP6-CMCPHY20-FL | MIPI C-PHY 2.0 Tx automated conformance test solution (requires option 6-DJA) | |
| SUP6-CMDPHY | SUP6-CMDPHY-FL | MIPI D-PHY 1.2 automated compliance test solution | |
| SUP6-CMDPHY21 | SUP6-CMDPHY21-FL | MIPI D-PHY 2.1 Tx automated conformance test solution (requires option 6-DJA) | |
| SUP6-CMENET | SUP6-CMENET-FL | Ethernet automated compliance test solution (10BASE-T, 100BASE-T, and 1000BASE-T) | |
| SUP6-CMENETML | SUP6-CMENETML-FL | Multilane Ethernet automated compliance test solution (10Base-T, 100Base-T, 1000Base-T) (requires option 6-CMENET) | |
| SUP6-CMNBASET | SUP6-CMNBASET-FL | 2.5 and 5 GBASE-T Ethernet automated compliance test (2.5 GHz is recommended) | |
| SUP6-CMUSB2 | SUP6-CMUSB2-FL | USB 2.0 automated compliance test solution | |
| Add advanced analysis | SUP6-DBLVDS | SUP6-DBLVDS-FL | LVDS debug and analysis (requires options 6-DJA and 6-WIN) |
| SUP6-DJA | SUP6-DJA-FL | Advanced jitter and eye analysis | |
| SUP6-DPM | SUP6-DPM-FL | Digital power management | |
| SUP6-MTM | SUP6-MTM-FL | Mask and Limit testing | |
| SUP6-PAM3 | SUP6-PAM3-FL | PAM3 analysis (requires options 6-DJA and 6-WIN) | |
| SUP6-PS2 | N/A | Power solution bundle (6-PWR, THDP0200, TCP0030A, and 067-1686-XX deskew fixture) | |
| SUP6-PWR | SUP6-PWR-FL | Advanced power measurements and analysis | |
| SUP6-SV-BW-1 | SUP6-SV-BW-1-FL | Increase Spectrum View capture bandwidth to 2 GHz | |
| SUP6-SV-RFVT | SUP6-SV-RFVT-FL | Spectrum View RF vs. Time traces, triggers, Spectrograms, and IQ capture | |
| SUP6-UDFLT | SUP6-UDFLT-FL | User defined filter creation tool | |
| SUP6-VID | SUP6-VID-FL | NTSC, PAL, and SECAM video triggering | |
| SUP6-WBG-DPT | SUP6-WBG-DPT-FL | Wide Bandgap SiC/GaN Double Pulse Test Measurements and Analysis | |
| SUP6B-IMDA | SUP6B-IMDA-FL | Inverter Motor Drive analysis | |
| SUP6B-IMDA-DQ0 | SUP6B-IMDA-DQ0-FL | DQ0 feature for Inverter Motor Drive analysis (requires option 6-IMDA) | |
| SUP6B-IMDA-MECH | SUP6B-IMDA-MECH-FL | Mechanical measurements for Inverter Motor Drive analysis (requires option 6-IMDA) | |
| SUP6-TDR | SUP6-TDR-FL | Time Domain Reflectometry | |
| Add memory analysis | SUP6-DBDDR3 | SUP6-DBDDR3-FL | DDR3 and LPDDR3 debug and analysis |
| SUP6-CMDDR3 | SUP6-CMDDR3-FL | DDR3 and LPDDR3 automated compliance test solution using TekExpress Automation Platform.
Requires options 6-DBDDR3, 6-DJA and SSD with Microsoft WIndows 10 operating system. ≥4 GHz required, 8 GHz recommended for testing of all DDR3 speeds. |
|
| Add digital voltmeter | N/A | N/A | Add digital voltmeter/trigger frequency counter
(Free with product registration atwww.tek.com/register6mso) |
| Upgrade feature | Upgrade | Description |
|---|---|---|
| Add expansion Windows operating system SSD | SUP6B-WIN | Add removable SSD with Windows 10 operating system |
| Add expansion embedded operating system SSD | SUP6B-LNX | Add removable SSD with embedded operating system |
Bandwidth upgrades after purchase
- Add bandwidth upgrades in the future
- The analog bandwidth of 6 Series products can be upgraded after initial purchase. Bandwidth upgrades are purchased based on the number of FlexChannels, the current bandwidth and the desired bandwidth. All bandwidth upgrades can be performed in the field by installing a software license and a new front panel label.
| Oscilloscope model owned | Bandwidth upgrade product | Upgrade option | Upgrade option description |
|---|---|---|---|
| MSO64B | SUP6B-BW4 | 6B-BW10T25-4 | License; Bandwidth upgrade for 6 Series B MSO; Upgrade from 1 GHz to 2.5 GHz bandwidth on a (4) FlexChannel model |
| 6B-BW10T40-4 | License; Bandwidth upgrade for 6 Series B MSO; Upgrade from 1 GHz to 4 GHz bandwidth on a (4) FlexChannel model | ||
| 6B-BW10T60-4 | License; Bandwidth upgrade for 6 Series B MSO; Upgrade from 1 GHz to 6 GHz bandwidth on a (4) FlexChannel model | ||
| 6B-BW10T80-4 | License; Bandwidth upgrade for 6 Series B MSO; Upgrade from 1 GHz to 8 GHz bandwidth on a (4) FlexChannel model | ||
| 6B-BW10T100-4 | License; Bandwidth upgrade for 6 Series B MSO; Upgrade from 1 GHz to 10 GHz bandwidth on a (4) FlexChannel model | ||
| 6B-BW25T40-4 | License; Bandwidth upgrade for 6 Series B MSO; Upgrade from 2.5 GHz to 4 GHz bandwidth on a (4) FlexChannel model | ||
| 6B-BW25T60-4 | License; Bandwidth upgrade for 6 Series B MSO; Upgrade from 2.5 GHz to 6 GHz bandwidth on a (4) FlexChannel model | ||
| 6B-BW25T80-4 | License; Bandwidth upgrade for 6 Series B MSO; Upgrade from 2.5 GHz to 8 GHz bandwidth on a (4) FlexChannel model | ||
| 6B-BW25T100-4 | License; Bandwidth upgrade for 6 Series B MSO; Upgrade from 2.5 GHz to 10 GHz bandwidth on a (4) FlexChannel model | ||
| 6B-BW40T60-4 | License; Bandwidth upgrade for 6 Series B MSO; Upgrade from 4 GHz to 6 GHz bandwidth on a (4) FlexChannel model | ||
| 6B-BW40T80-4 | License; Bandwidth upgrade for 6 Series B MSO; Upgrade from 4 GHz to 8 GHz bandwidth on a (4) FlexChannel model | ||
| 6B-BW40T100-4 | License; Bandwidth upgrade for 6 Series B MSO; Upgrade from 4 GHz to 10 GHz bandwidth on a (4) FlexChannel model | ||
| 6B-BW60T80-4 | License; Bandwidth upgrade for 6 Series B MSO; Upgrade from 6 GHz to 8 GHz bandwidth on a (4) FlexChannel model | ||
| 6B-BW60T100-4 | License; Bandwidth upgrade for 6 Series B MSO; Upgrade from 6 GHz to 10 GHz bandwidth on a (4) FlexChannel model | ||
| 6B-BW80T100-4 | License; Bandwidth upgrade for 6 Series B MSO; Upgrade from 8 GHz to 10 GHz bandwidth on a (4) FlexChannel model | ||
| MSO66B | SUP6B-BW6 | 6B-BW10T25-6 | License; Bandwidth upgrade for 6 Series B MSO; Upgrade from 1 GHz to 2.5 GHz bandwidth on a (6) FlexChannel model |
| 6B-BW10T40-6 | License; Bandwidth upgrade for 6 Series B MSO; Upgrade from 1 GHz to 4 GHz bandwidth on a (6) FlexChannel model | ||
| 6B- BW10T60-6 | License; Bandwidth upgrade for 6 Series B MSO; Upgrade from 1 GHz to 6 GHz bandwidth on a (6) FlexChannel model | ||
| 6B-BW10T80-6 | License; Bandwidth upgrade for 6 Series B MSO; Upgrade from 1 GHz to 8 GHz bandwidth on a (6) FlexChannel model | ||
| 6B-BW10T100-6 | License; Bandwidth upgrade for 6 Series B MSO; Upgrade from 1 GHz to 10 GHz bandwidth on a (6) FlexChannel model | ||
| 6B-BW25T40-6 | License; Bandwidth upgrade for 6 Series B MSO; Upgrade from 2.5 GHz to 4 GHz bandwidth on a (6) FlexChannel model | ||
| 6B-BW25T60-6 | License; Bandwidth upgrade for 6 Series B MSO; Upgrade from 2.5 GHz to 6 GHz bandwidth on a (6) FlexChannel model | ||
| 6B-BW25T80-6 | License; Bandwidth upgrade for 6 Series B MSO; Upgrade from 2.5 GHz to 8 GHz bandwidth on a (6) FlexChannel model | ||
| 6B-BW25T100-6 | License; Bandwidth upgrade for 6 Series B MSO; Upgrade from 2.5 GHz to 10 GHz bandwidth on a (6) FlexChannel model | ||
| 6B-BW40T60-6 | License; Bandwidth upgrade for 6 Series B MSO; Upgrade from 4 GHz to 6 GHz bandwidth on a (6) FlexChannel model | ||
| 6B-BW40T80-6 | License; Bandwidth upgrade for 6 Series B MSO; Upgrade from 4 GHz to 8 GHz bandwidth on a (6) FlexChannel model | ||
| 6B-BW40T100-6 | License; Bandwidth upgrade for 6 Series B MSO; Upgrade from 4 GHz to 10 GHz bandwidth on a (6) FlexChannel model | ||
| 6B-BW60T80-6 | License; Bandwidth upgrade for 6 Series B MSO; Upgrade from 6 GHz to 8 GHz bandwidth on a (6) FlexChannel model | ||
| 6B-BW60T100-6 | License; Bandwidth upgrade for 6 Series B MSO; Upgrade from 6 GHz to 10 GHz bandwidth on a (6) FlexChannel model | ||
| 6B-BW80T100-6 | License; Bandwidth upgrade for 6 Series B MSO; Upgrade from 8 GHz to 10 GHz bandwidth on a (6) FlexChannel model | ||
| MSO68B | SUP6B-BW8 | 6B-BW10T25-8 | License; Bandwidth upgrade for 6 Series B MSO; Upgrade from 1 GHz to 2.5 GHz bandwidth on a (8) FlexChannel model |
| 6B-BW10T40-8 | License; Bandwidth upgrade for 6 Series B MSO; Upgrade from 1 GHz to 4 GHz bandwidth on a (8) FlexChannel model | ||
| 6B-BW10T60-8 | License; Bandwidth upgrade for 6 Series B MSO; Upgrade from 1 GHz to 6 GHz bandwidth on a (8) FlexChannel model | ||
| 6B-BW10T80-8 | License; Bandwidth upgrade for 6 Series B MSO; Upgrade from 1 GHz to 8 GHz bandwidth on a (8) FlexChannel model | ||
| 6B-BW10T100-8 | License; Bandwidth upgrade for 6 Series B MSO; Upgrade from 1 GHz to 10 GHz bandwidth on a (8) FlexChannel model | ||
| 6B-BW25T40-8 | License; Bandwidth upgrade for 6 Series B MSO; Upgrade from 2.5 GHz to 4 GHz bandwidth on a (8) FlexChannel model | ||
| 6B-BW25T60-8 | License; Bandwidth upgrade for 6 Series B MSO; Upgrade from 2.5 GHz to 6 GHz bandwidth on a (8) FlexChannel model | ||
| 6B-BW25T80-8 | License; Bandwidth upgrade for 6 Series B MSO; Upgrade from 2.5 GHz to 8 GHz bandwidth on a (8) FlexChannel model | ||
| 6B-BW25T100-8 | License; Bandwidth upgrade for 6 Series B MSO; Upgrade from 2.5 GHz to 10 GHz bandwidth on a (8) FlexChannel model | ||
| 6B-BW40T60-8 | License; Bandwidth upgrade for 6 Series B MSO; Upgrade from 4 GHz to 6 GHz bandwidth on a (8) FlexChannel model | ||
| 6B-BW40T80-8 | License; Bandwidth upgrade for 6 Series B MSO; Upgrade from 4 GHz to 8 GHz bandwidth on a (8) FlexChannel model | ||
| 6B-BW40T100-8 | License; Bandwidth upgrade for 6 Series B MSO; Upgrade from 4 GHz to 10 GHz bandwidth on a (8) FlexChannel model | ||
| 6B-BW60T80-8 | License; Bandwidth upgrade for 6 Series B MSO; Upgrade from 6 GHz to 8 GHz bandwidth on a (8) FlexChannel model | ||
| 6B-BW60T100-8 | License; Bandwidth upgrade for 6 Series B MSO; Upgrade from 6 GHz to 10 GHz bandwidth on a (8) FlexChannel model | ||
| 6B-BW80T100-8 | License; Bandwidth upgrade for 6 Series B MSO; Upgrade from 8 GHz to 10 GHz bandwidth on a (8) FlexChannel model |


