Contact us
Call us at
Available 6:00 AM – 5:00 PM (PST) Business Days
Download
Download Manuals, Datasheets, Software and more:
Feedback
3-Phase Power Analysis
4 Series MSO Option 4-3PHASE Application Datasheet

The 4 Series MSO is available with up to 6 analog channels, making it well-suited for 3-phase power measurements. This three-phase analysis option (4-3PHASE) enables the 4 Series MSO to set up and perform the calculations needed to make key 3-phase power system measurements such as total power, harmonic distortion and phase parameters. The analysis package is ideal for design validation with flexible measurement trending and automatic reporting. Power converters often use Pulse Width Modulation (PWM) which complicates measurements since it is difficult to lock onto cycles. The analysis option includes filtering that provides stable measurements on PWM waveforms, while still providing the signal detail of a fast-sampling oscilloscope. Support for DC to three-phase AC converters make this package ideal for use in analyzing electric vehicle systems. Measurements are controlled using the 4 Series MSO’s intuitive touch interface. 12-bit ADC’s (up to 16- bit resolution in High Res mode) deliver accurate measurements and the three-phase power analysis software helps make measurements easier and repeatable.
Key features and specifications
- Quickly add and configure measurements through the intuitive drag and drop interface on the 4 Series MSO
- Accurately analyze three-phase PWM signals. A filtered PWM waveform is automatically calculated and may be displayed for reference
- Three-phase autoset automatically configures the oscilloscope for optimal horizontal, vertical, trigger, and acquisition parameters for acquiring three-phase signals
- Quickly perform common three-phase power measurements such as true, apparent and reactive power, and power factor
- Phasor diagrams indicate voltage and current phase relationships at a glance, as well as rms values and magnitudes at the fundamental frequency
- Measure three-phase harmonics to IEC 6100-3-2, IEEE-519, or custom limits
- Get mean, min, max, and standard deviations of key power measurement per acquisition or over many acquisitions
- Plot measurements over time trend within one acquisition or over multiple acquisitions
- Easily switch between line-to-line and line-to-neutral readings
- Automatically generate reports in MHT or PDF formats
Measurement overview
The three-phase analysis on the 4 Series MSO automates key electrical measurements which are grouped into the Electrical Analysis group. The measurements can be configured to measure the Input or Output wiring configuration.

The measurements can be set to measure 1V1I (1-Phase-2-Wire), 2V2I (1-Phase-3-Wire), 2V2I (3-Phase-3-Wire), 1V1I (1-Phase-2-Wire DC), 3V3I (3-Phase-3-Wire), and 3V3I (3-Phase-4-Wire) to support various wiring configurations. Measurements can be performed line-to-line or line-to-neutral, to support delta or wye (star) configurations.
Harmonics
Power waveforms are rarely textbook sinusoids. Harmonics measurements break down non-sinusoidal voltage or current waveforms into their sinusoidal components, indicating the frequency and amplitude for each component.
Harmonics analysis can be performed up to the 200th harmonic order. The maximum harmonic order can be set to suit your needs by specifying the range in the measurement configuration. The THD-F, THD-R, and fundamental values are measured for each phase. Measurements can be evaluated against the IEEE-519, IEC 61000 3-2 standard, or custom limits. Test results are recorded in a detailed report, indicating pass/fail status.

The harmonics plot shows the test results for all three phases grouped so one can easily compare results among phases. For quick insight, harmonics bars are highlighted in green during a pass condition, and turn red when limits are exceeded.
Power quality
This measurement provides critical three-phase power measurements including
- Frequency and RMS magnitudes of voltage and current
- Crest factors of voltage and current
- PWM frequency
- Phase angle for each phase
It also displays the sum of true power, the sum of reactive power, and the sum of apparent power components.

In addition, in the Line-Neutral configuration, this measurement displays True power, Reactive power, and Apparent power components of all three-phases. Voltage and current vectors are displayed on a phasor diagram so you can quickly judge the phase shift for each phase and the balance among phases. Each vector is represented by an RMS value and the phase is computed using the Discrete Fourier Transform (DFT) method.


Efficiency
Efficiency measures the ratio of the output power to input power (DC-in AC-out, 2V2I configuration, and 1V1I industrial configuration). The efficiency measurement leverages all 6-channels of the 4 Series MSO and computes the overall system efficiency (1 voltage and 1 current source on the input side, and 2 voltage and 2 current sources on the output side).
Ripple analysis
Ripple is residual or unwanted AC voltage on a DC power supply. In a three-phase converter system, it is typically measured on the DC bus. This measurement helps to understand how efficiently the signal is getting converted from AC-DC on the input side, and the impact of unwanted components on the PWM signal on the output side.
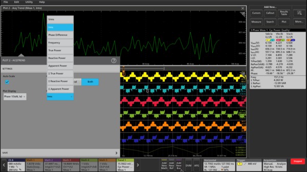
Dynamic measurements using Trend analysis
A common requirement in three-phase analysis is the need to look at the system response over longer test times to monitor the DUT behavior over varying load conditions. Trends provide insight into interdependency between different parameters like voltage, current, power, frequency, and their variance based on the load conditions.

Three-phase solution offers two unique trend plots on the power quality measurement to support such requirements – TimeTrend and Acq Trend plots. Each plot has its advantages and can be used to plot any of the power quality measurements. The Time Trend plot shows the measured value per cycle, or for an acquired waveform (a record), while the Acq Trend plot shows a mean of the measured value per record, over multiple acquisitions. The acquisition count is set by the user during the test configuration. This allows users to capture long records of data to perform deep record analysis and understand the dynamic behavior of the system response. The plots can be saved as a CSV file for offline analysis.

Report generation
The three-phase software simplifies data collection, archiving, documentation of your design, and development process. It supports the report generation in MHT or PDF formats with pass/fail results for easy analysis.
Specifications
- Wiring configuration
- 1V1I (1-Phase-2-Wire), 2V2I (1-Phase-3-Wire), 2V2I (3-Phase-3-Wire), 3V3I (3-Phase-3-Wire), and 3P4W (3-Phase-4-Wire)
- L-L to L-N conversion
- Applicable for 3-Phase-3-Wire (3V3I)1
- Electrical analysis
- Power quality, Harmonics2, Ripple, Efficiency3
- Three-phase autoset
- For all measurements
- Plots
- Phasor diagram, Time Trend, Acq Trend, and Harmonics bar graph4
- Report
- MHT and PDF format, Data export to CSV format
- Degauss/Deskew (static)
- Automatic detection of probes, Auto Zero. User can deskew voltage and current probes, degauss the current probe from the menus for each channel
- Source support
- Live analog signals, reference waveforms, and math waveforms
1 For 3-Phase-4-Wire (3V3I) the connection is always Line-to-Neutral and for 3-Phase-3-Wire (2V2I), it is Line-to-Line.
2 Supports custom test limits.
3 Efficiency is supported on specific wiring configuration only.
4 Range filter as part of measurement configuration.
Ordering information
Models
| Product | Options | Supported instruments | Bandwidth available |
|---|---|---|---|
| New instrument order option | 4-3PHASE | 4 Series MSO (MSO46) | 200 MHz, 350 MHz, 500 MHz, 1 GHz or 1.5 GHz |
| Product upgrade option | SUP4-3PHASE | ||
| Floating license | SUP4-3PHASE-FL |
Software bundles
| Bundle options | Supported instruments5 | Description |
|---|---|---|
| 4-PRO-POWER-1Y | 4 Series MSO | 1 Year Pro Power Bundle for 4 Series MSO |
| 4-PRO-POWER-PER | 4 Series MSO | Perpetual License Pro Power Bundle for 4 Series MSO |
| 4-PRO-AUTO-1Y | 4 Series MSO | 1 Year Pro Automotive Bundle for 4 Series MSO |
| 4-PRO-AUTO-PER | 4 Series MSO | Perpetual License Pro Automotive Bundle for 4 Series MSO |
| 4-ULTIMATE-PER | 4 Series MSO | Perpetual License Ultimate Bundle for 4 Series MSO |
5 3-Phase Power Analysis requires a 6 channel instrument.
Recommended probes
| Probe model | Description | Quantity |
|---|---|---|
| TCP0030A | Current probes | 3 for 3V3I wiring |
| THDP0200 or TMDP0200 | High voltage differential probes | 3 for 3V3I wiring |



