New IsoVu™ Isolated Current Shunt Probes Address Neglected Current Ranges

The most common approach to current measurement on oscilloscopes is to use current transformers, Rogowski coils or Hall effect clamp-on probes. High-quality magnetic probes are accurate when used within their specifications. They are also convenient when current is flowing in wires or test loops, since they do not require breaking the circuit. However, they have some intrinsic limitations. In this post, I’ll describe the attributes of a probe optimized for making shunt-based current measurements, and take a look at two applications for which the IsoVu Current Shunt Probe is especially well-suited.
As noted, magnetic probes require a loop of wire to make measurements. Such a loop may not be possible due to physical constraints or circuit sensitivity. Due to the nature of magnetic materials, bandwidths are limited to around 100 MHz, even for a high-end clamp-on current probe. And although it may be tempting to assume that a non-contact probe does not impact circuit performance, many engineers have been confused by the unexpected impact of the insertion impedance of a magnetic probe, which can be close to 1 Ω at full bandwidth.

Figure 1. Oscilloscope clamp-on AC/DC current probes are convenient when wires or test loops are available, insertion inductance is tolerable, and bandwidth is limited to around 100 MHz. Beyond this, engineers often turn to shunt resistors. Shunt probes are designed for this purpose.
Due to these limitations, many engineers turn to precision shunt resistors or current viewing resistors (CVRs). Voltage probes are used to measure the drop across the shunt and Ohm’s Law is used to calculate current. When the current shunt is grounded on one end, common mode voltage will not be a major concern. However, when the shunt is floating, it can experience high common mode voltages. The probe must be designed to deal with these voltages without damage and reject the common mode signal from the output.
Passive probes and differential probes are designed to probe across high-impedance loads and have high input impedances to avoid loading the DUT -- on the order of 100 kΩ for diff probes and 10 MΩ for most passive probes, although 1 MΩ or 2 MΩ (TPP0502) are available. An ideal shunt resistor is a low-impedance device. A high impedance probe is not needed, since the shunt impedance is so low. In fact, any noise current passing through a high impedance probe will result in greater noise voltage on the oscilloscope.
New IsoVu Isolated Current Shunt Probes are optimized specifically for making current measurements using shunt resistors, even when they are floating above ground and subjected to significant common mode voltage signals. Here are the key features:
- High bandwidth. Unlike transformer, Rogowski or Hall effect current probes, TICP current probes enable measurements from DC to hundreds of MHz, when paired with high-performance shunts or CVRs (current viewing resistor). Three models are available with 250 MHz, 500 MHz and 1 GHz bandwidths to fit your application and budget.
- Complete RF isolation between the probe tip and the scope eliminates ground loops and helps deliver extraordinary common mode rejection (CMRR) of up to 90 dB at 1 MHz to dramatically reduce common mode noise.
- Low Noise and High Common Mode Rejection. Designed specifically for low noise measurements on current shunts, especially on floating sections of power circuits.
- Low attenuation and low input impedance (50 ohms) designed to minimize noise contribution to less than 4.7 nV/√Hz noise contribution (<150 µV at 1 GHz) when measuring low voltages (+/- 0.5 V) such as those across shunts.
- All tips and accessories are designed to control noise.
- Connects to Tektronix 4,5,6 Series MSO scopes with the TekVPI™ interface which automatically detects and configures the probe and probe tips.
High-fidelity current measurements deliver insight into next generation power converters
With high bandwidth and high common mode rejection, new IsoVu current shunt probes deliver accurate current measurements in SiC and GaN power converters.

Figure 2. When using a series resistor for double pulse testing on the high side of a half bridge power converter, an IsoVu Isolated Current Shunt Probe provides accurate measurements with high common mode voltage rating and high common mode rejection.
Bandwidth for Fast-switching FETs
SiC FETs have rise and fall times of drain current on the order of 10 ns. If we translate this into bandwidth, using a first-order rolloff, the bandwidth in the edge is 0.35/10 ns = 35 MHz. To measure any ringing or distortion on the edge accurately, the measurement system bandwidth should be significantly greater than this. Thus, the combination of shunt resistor, probe and oscilloscope should have a bandwidth of 200 MHz or more. Traditional current measurement techniques such as current transformers (e.g. Pearson CTs), Rogowski coils, or Hall effect probes are limited to around 100 MHz. Using these common current probes severely limits the ability to see high-frequency components.
TICP probes provide the bandwidth you need to accurately see the fast risetimes of wide bandgap switching devices with bandwidth available up to 1 GHz.

Figure 3. A double pulse test on a half bridge power converter. The upper (blue) waveform shows VDS. The yellow waveform clearly shows fast-rising drain current and ringing, measured by an IsoVu Isolated Current Probe. The purple waveform shows load inductor current. The lowest (red) waveform shows the gate voltage measured by an IsoVu Isolated Voltage Probe.
High-Side Current Measurements
A shunt resistor on the high side of a SiC power converter is subjected to rapidly changing common mode voltages switching between roughly ground and VDD.
TICP probes have high CMRR that make them ideal for current measurements on floating shunts and CVRs used in SiC power converters. TICP probes complement the groundbreaking IsoVu TIVP Isolated voltage probes and represent a similar isolation breakthrough for current measurements. Complete RF isolation eliminates ground loops and helps provide a common mode rejection ratio of 90 dB at 1 MHz, and 70 dB at 250 MHz when using its 1x Tip.
Maximum Common Mode Voltage and Safety Ratings
Isolation and safety ratings make these new probes appropriate for use on shunt resistors and CVRs floating at high voltages in power converters. TICP Series probes are rated for 1000 V CAT II applications, with maximum common mode voltage of 1.8 kV in Pollution Degree 1 environments with maximum transient level not to exceed 5 kVPeak.
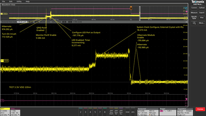
High-fidelity Current Measurements in Low Power Systems: Measure Current Draw on a Nanosecond Scale
For engineers working to eke out every last minute of runtime from battery-powered designs, new IsoVu Current Probes enable them to measure low-level, dynamic currents in nanosecond ranges. This can provide unprecedented visibility into power management of IoT and mobile devices.

Figure 4. By measuring across a series resistor on the 3.3 V power rail of a microcontroller, an IsoVu Current Probe shows how much current the processor draws during different operations and during hibernate mode.
Bandwidth for Dynamic Current Measurements
The TICP probes have the bandwidth and dynamic range needed to see state transitions, and current consumption during specific system activities and transitions from sleep to active states. In addition, the TICP probe’s common mode voltage rating is higher than most differential probes, for making measurements on higher voltage power rails.
Low Noise and Isolation for Accurately Viewing Low Currents
The TICP probes limit noise which is critical for accurately measuring low currents with shunts. They provide low tip loading and low input impedance for a noise spec of 4.7nV/√Hz, enabling you to capture accurate signals with noise levels of less than 21 µV at 20 MHz, or 150 µV at 1 GHz. This low-noise contribution makes these IsoVu Current Probes a good companion to low-noise oscilloscopes such as the 6 Series B MSO.
Minimize Connection Hassles
We all know that it can be challenging to get access to signals on your DUT. For the new IsoVu Current Probes, Tek’s designers have worked hard to facilitate positive, low-noise connections to your device.

Figure 5. IsoVu Current and Voltage Probes use MMCX connectors for a high-bandwidth, shielded connection to devices under test.
Low Noise Connectivity to Your DUT
In order to help engineers make high-integrity connections to both commercial and custom shunt resistor configurations, probe tips are flexible and bend easily to reduce strain on connections. They terminate in shielded, high-bandwidth MMCX connectors. Since MMCX connectors are commonly available, adapters to SMA or BNC connectors are available off the shelf. An SMA tip is also included in the standard kit, along with adapters from MMCX to 25 mil square pins for connection to on-board shunts and test points. The kit includes a bipod and tripod adapter to firmly hold the probe in place, and conveniently position the probe during testing.
Seamless integration with 4, 5 and 6 Series MSO oscilloscopes
These probes interface with 4, 5 or 6 Series MSO oscilloscopes with the smart TekVPITM probe interface, which allows bidirectional communication between the probe and oscilloscope. The interface automatically detects the probe and tip, and tells the scope to apply key settings such as attenuation and input impedance. Probe settings can be adjusted from the oscilloscope, either from the front panel or via programming commands, making it possible to automate testing without manual intervention.
The new IsoVu Current Shunt Probe overcomes limitations of current transformers, Rogowski coils or Hall effect clamp-on probes. While these more traditional approaches to current measurement offer many advantages, combining the IsoVu Current Probe with precision shunt resistors or CVRs delivers higher bandwidth, lower noise measurements. This is equally welcome news for those designers who need to measure fast, high-current steps in SiC and GaN power converters, and those who need to measure dynamic current consumption in battery-powered embedded systems.

